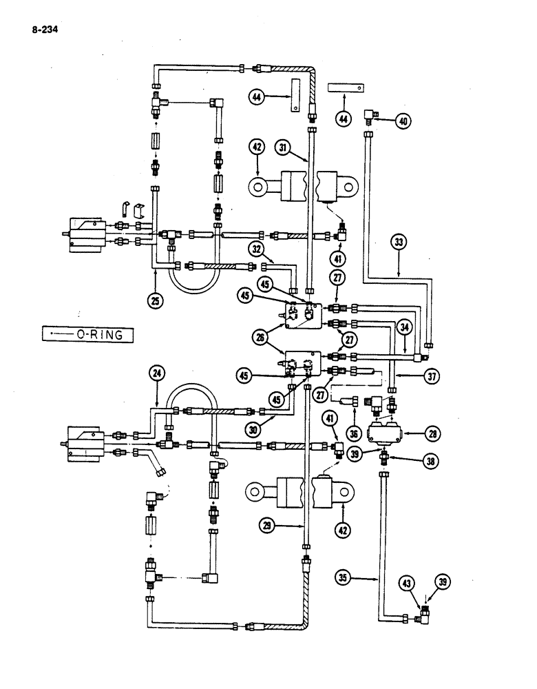
Запчасти Case IH 782 (8-234) - AUTOMATIC HYDRAULIC DRUM HEIGHT CONTROL, AND CONNECTIONS (07) - HYDRAULICS

Схема запчастей Case IH 782 - (8-234) - AUTOMATIC HYDRAULIC DRUM HEIGHT CONTROL, AND CONNECTIONS (07) - HYDRAULICS
34
45
28
42
38
45
41
42
27
27
43
30
45
29
39
39
35
41
40
25
33
36
24
45
44
37
32
27
31
44
26
FIT
1:1
100%

Артикул

Название

Примечание

Количество

24

673523R11

TUBE

- valve supply left (Continued from Page 8-233)

1шт.

25

215902C1

TUBE

- valve supply right

1шт.

26

673804R93

VALVE

ASSEMBLY - drum control, Cessna (See Page 8-253)

1шт.

26

1263314C91

VALVE

ASSEMBLY - drum control, IH

1шт.

1272089C91

KIT

- seal

1шт.

1272090C92

KIT

- detent

1шт.

853629C1

KIT

- relief valve

1шт.

413-432

BOLT,Hex, 1/4" - 20 x 2", Gr 5

- hex, 1/4 NC x 2 inch

8шт.

492-11025

LOCK WASHER,1/4"

WASHER, LOCK, 1/4"

8шт.

120375

NUT,Hex, 1/4" - 20, Gr 5

8шт.

27

9410203

HYD CONNECTOR,3/4"-16, 37 Degree x 3/4"-16, O-Ring

CONNECTOR - hydraulic tube short swivel, 1/2-20 inch thread

4шт.

28

673198R92

VALVE

DIVIDER ASSEMBLY - flow (See Page 8-257)

1шт.

383219R1

O-RING,0.924" ID x 0.103" Width

- 15/16 ID x 3/32 inch width (24 ID x 2 mm width)

2шт.

413-540

BOLT,Hex, 5/16" - 18 x 2-1/2", Gr 5

- hex, 5/16 NC x 2-1/2 inch

2шт.

80681

LOCK WASHER,5/16"

WASHER, LOCK, 5/16"

2шт.

120376

NUT,5/16"-18, G5

2шт.

29

215783C1

HYD TUBE

TUBE - valve to left drum

1шт.

30

215785C1

HYD TUBE

TUBE - valve to left drum

1шт.

31

215801C1

HYD TUBE

TUBE - drum valve to right drum

1шт.

32

215782C1

TUBE

- drum valve to right drum

1шт.

33

215773C1

TUBE - drum, Serial Range: valve-return

1шт.

34

215774C1

TUBE

- drum, Serial Range: valve-return

1шт.

35

215798C1

HYD TUBE

TUBE - basket power - beyond to flow divider

1шт.

36

215799C1

TUBE - flow divider to drum valve

1шт.

37

215800C1

TUBE

- flow divider to drum valve left

1шт.

38

9410204

HYD CONNECTOR,7/8"-14, 37 Degree x 7/8"-14, O-Ring

CONNECTOR - hydraulic tube, 7/8-14 inch thread

1шт.

39

364885R1

O-RING,0.097" Thk x 0.755" ID, -910, Cl 6, 90 Duro

- 3/4 ID x 3/32 inch width (19 ID x 2 mm ID)

2шт.

40

215825C2

FITTING - return line

1шт.

41

935036R91

ELBOW

- 90 degree adjustable straight thread hydraulic tube reducer, 9/16-18 inch thread

2шт.

42

133563C93

CYLINDER ASSY.

CYLINDER ASSEMBLY - drum lift (See Page 8-231)

2шт.

404219R93

SEAL KIT

- O-ring and seal

1шт.

216312C1

ROD - lynch (Note A)

2шт.

221681C1

ROD

- lynch (Note B)

2шт.

216313C1

PIN (Note A)

2шт.

221680C1

PIN

(Note B)

2шт.

19471R1

PIN, SPLIT (COTTER),1/4" x 1 3/4"

2шт.

43

9410978

ELBOW,90 Degree, 7/8"-14, 37 Degree x 7/8"-14, O-Ring

- 90 degree adjustable straight thread hydraulic tube, 7/8-14 inch thread

1шт.

44

221979C1

PLATE

- hose retainer

2шт.

113-206

BOLT,Hex, 3/8" - 16 x 3/4", Gr 5, Full Thd

- hex, 3/8 NC x 3/4 inch

2шт.

120377

NUT,3/8" - 16, Gr 5

2шт.

120382

LOCK WASHER,Helical Spring, 3/8"

WASHER, LOCK, 3/8"

2шт.

45

615667C1

ELBOW,90 Degree, 3/4"-16, 37 Degree x 9/16"-18, O-Ring

- 90 degree hydraulic tube reducing, 1/2 to 3/8 inch thread

4шт.

Выбрано товаров: 42