Запчасти Case IH 782 (9-270) - OPERATORS PLATFORM (09) - CHASSIS ATTACHMENTS

Схема запчастей Case IH 782 - (9-270) - OPERATORS PLATFORM (09) - CHASSIS ATTACHMENTS
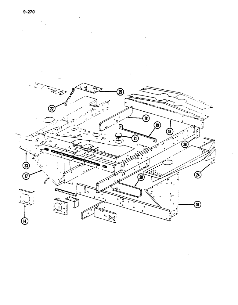
25
14
26
24
18
16
15
19
22
23
20
21
17
FIT
1:1
100%

Артикул

Название

Примечание

Количество

14

210245C1

SUPPORT

- head and warning lights right (Continued from Page 9-269)

1шт.

180077

BOLT,Hex, 5/16" - 18 x 3/4", Gr 5

- hex, 5/16 NC x 3/4 inch

2шт.

80681

LOCK WASHER,5/16"

WASHER, LOCK, 5/16"

2шт.

120376

NUT,5/16"-18, G5

2шт.

18626R1

CARRIAGE BOLT,Short Sq Nk, 1/4" - 20 x 1/2", Gr 2

BOLT - round head square neck, 1/4 NC x 1/2 inch

3шт.

492-11025

LOCK WASHER,1/4"

WASHER, LOCK, 1/4"

3шт.

120375

NUT,Hex, 1/4" - 20, Gr 5

3шт.

15

214594C2

SUPPORT

CHANNEL - platform spacer rear

1шт.

16

216490C93

PLATE

W/DECAL - platform support left

1шт.

56630C1

PRODUCT GRAPHIC

DECAL - caution

1шт.

180173

BOLT,Hex, 1/2" - 13 x 1", Gr 5

- hex, 1/2 NC x 1 inch

10шт.

120384

WASHER,1/2"

LOCK, 1/2"

10шт.

120378

NUT,Hex, 1/2" - 13, Gr 5

NUT, 1/2"-13, G5

10шт.

17

216491C92

PLATE

W/DECAL - platform support right

1шт.

56630C1

PRODUCT GRAPHIC

DECAL - caution

1шт.

180173

BOLT,Hex, 1/2" - 13 x 1", Gr 5

- hex, 1/2 NC x 1 inch

9шт.

120384

WASHER,1/2"

LOCK, 1/2"

11шт.

120378

NUT,Hex, 1/2" - 13, Gr 5

NUT, 1/2"-13, G5

11шт.

180179

BOLT,Hex, 1/2" - 13 x 1 3/4", Gr 5

- hex, 1/2 NC x 1-3/4 inch

1шт.

18

214628C2

CHANNEL

- bellcrank rear

1шт.

180077

BOLT,Hex, 5/16" - 18 x 3/4", Gr 5

- hex, 5/16 NC x 3/4 inch

4шт.

80681

LOCK WASHER,5/16"

WASHER, LOCK, 5/16"

4шт.

120376

NUT,5/16"-18, G5

4шт.

19

214512C1

SUPPORT

- platform diagonal brace

1шт.

180175

BOLT,Hex, 1/2" - 13 x 1 1/4", Gr 5

- hex, 1/2 NC x 1-1/4 inch

2шт.

120384

WASHER,1/2"

LOCK, 1/2"

2шт.

120378

NUT,Hex, 1/2" - 13, Gr 5

NUT, 1/2"-13, G5

2шт.

20

209899C1

SUPPORT

- clutch master cylinder

1шт.

180077

BOLT,Hex, 5/16" - 18 x 3/4", Gr 5

- hex, 5/16 NC x 3/4 inch

3шт.

80681

LOCK WASHER,5/16"

WASHER, LOCK, 5/16"

3шт.

120376

NUT,5/16"-18, G5

3шт.

21

214909C1

PLUG

- platform cap

2шт.

22

214921C1

SUPPORT

- platform extension brace

1шт.

18626R1

CARRIAGE BOLT,Short Sq Nk, 1/4" - 20 x 1/2", Gr 2

BOLT - round head square neck, 1/4 NC x 1/2 inch

1шт.

492-11025

LOCK WASHER,1/4"

WASHER, LOCK, 1/4"

1шт.

120375

NUT,Hex, 1/4" - 20, Gr 5

1шт.

23

215283C1

BAR

- strap extension right

1шт.

180173

BOLT,Hex, 1/2" - 13 x 1", Gr 5

- hex, 1/2 NC x 1 inch

1шт.

120384

WASHER,1/2"

LOCK, 1/2"

1шт.

120378

NUT,Hex, 1/2" - 13, Gr 5

NUT - hex, 3/8 inch NC

1шт.

24

215666C1

SUPPORT

- extension left

1шт.

18626R1

CARRIAGE BOLT,Short Sq Nk, 1/4" - 20 x 1/2", Gr 2

BOLT - round head square neck, 1/4 NC x 1/2 inch

2шт.

492-11025

LOCK WASHER,1/4"

WASHER, LOCK, 1/4"

2шт.

120375

NUT,Hex, 1/4" - 20, Gr 5

2шт.

25

215573C1

PLATE

- console lower filler

1шт.

26

215608C1

SUPPORT

- platform main angle rear

1шт.

180122

BOLT,Hex, 3/8" - 16 x 1", Gr 5

- hex, 3/8 NC x 1 inch

2шт.

120382

LOCK WASHER,Helical Spring, 3/8"

WASHER, LOCK, 3/8"

2шт.

120377

NUT,3/8" - 16, Gr 5

2шт.

Выбрано товаров: 49