Запчасти Case IH 782 (9-282) - OPERATORS CAB BOTTOM (09) - CHASSIS ATTACHMENTS

Схема запчастей Case IH 782 - (9-282) - OPERATORS CAB BOTTOM (09) - CHASSIS ATTACHMENTS
9
16
7
15
8
10
4
19
21
13
20
14
18
1
6
12
5
21
3
9
17
2
11
14
FIT
1:1
100%

Артикул

Название

Примечание

Количество

198209C96

CAB ASSEMBLY - operator w/o heater (Low drum P.I.N. 507 thru 681) (High drum P.I.N. 507 thru 2124)

1шт.

109210C96

CAB ASSEMBLY - operator w/heater

1шт.

198212C96

CAB

ASSEMBLY - operator w/heater and air conditioning (Low drum P.I.N. 682 and after) (High drum P.I.N. 2125 and after)

1шт.

482256R1

BEARING LOCK NUT,Flg, USR, 3/8"-16

- flange lock, 3/8 inch

1шт.

477-73816

SERRATED SCREW,Sl Truss Hd, 3/8" x 1"

- truss head slotted, 3/8 NC x 1 inch

1шт.

179464C1

SERRATED SCREW,Sl Truss Hd, 3/8" - 16 x 1 1/4"

- truss head slotted, 3/8 NC x 1-1/4 inch

1шт.

165420C1

BOLT,Hex Serr, 3/8"-16 x 1 1/4", Spcl

- hex lock, 3/8 NC x 1-1/4 inch

1шт.

187620C1

BOLT,Hex Serr Flg, 3/8" - 16 x 1 1/2"

- hex flange, 3/8 NC x 1-1/2 inch

1шт.

120393

BEARING WASHER,5/16", SAE

WASHER - flat, 11/32 x 11/16 x 3/64 inch (9 x 17 x 1 mm)

13шт.

199953C1

SELF-TAP SCREW,HWH, 5/16" - 18 x 13/16"

SCREW, SELF TAP, Hex Wash Hd, 5/16"-18 x 13/16"

13шт.

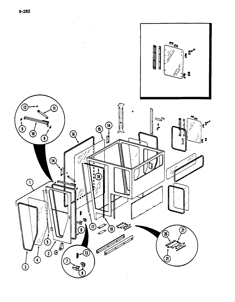
1

198521C92

DOOR ASSY.

DOOR ASSEMBLY - cab

1шт.

2

NSS

NOT SOLD SEPARAT

DOOR (Order door assembly 198521C92)

1шт.

3

NSS

NOT SOLD SEPARAT

STRIP - door glass, 130-1/2 inch (3315 mm) (Cut from 198131C1, 50 foot roll) (15 m)

1шт.

198131C1

RUBBER

STRIP - seal, 5 foot (15 m) roll

1шт.

4

198184C1

GLASS

- cab door

1шт.

5

NSS

NOT SOLD SEPARAT

STRIP - door front, 53-1/2 inch (1359 mm) (Cut from 198522C1, 50 foot roll) (15 m)

1шт.

6

NSS

NOT SOLD SEPARAT

STRIP - door rear top and bottom, 118 inch (2997 mm) (Cut from 198522C1, 50 foot roll) (15 m)

1шт.

198522C1

STRIP

- seal, 50 foot (15 m) roll

1шт.

7

175566C1

HANDLE

- door outside lock

1шт.

157070

SCREW,Cross Oval Hd, #10"-32 x 1/2"

- oval head Phillips, No. 10 NF x 1/2 inch

2шт.

8

178748C2

LOCK

LATCH - door inside

1шт.

160046

SCREW,Cross Pan Hd, #10 - 32 x 1/2"

4шт.

121801

LOCK WASHER,Int Tooth, #10

WASHER, LOCK, Int Tooth, #10

4шт.

9

198844C1

SPRING

- cab door check

2шт.

654859R1

SELF-TAP SCREW,1/4" - 20 x 1 1/2"

BOLT - hex tapping, 1/4 NC x 1-1/2 inch

2шт.

120392

WASHER,1/4", SAE

- flat, 9/32 x 5/8 x 3/64 inch (7 x 16 x 1 mm)

2шт.

10

198839C1

STOP

CHECK - cab door

1шт.

11

198845C1

ARM

- cab door check

1шт.

12

378066R1

SNAP RING,#X74, .616" Dia, E-Type

Ring, Retaining, #X74, .616" Dia, E-Type

1шт.

13

392801R3

LATCH

CATCH - door

1шт.

157391

SCREW,Cross Oval Hd, 1/4"-20 x 1/2"

- oval head Phillips, 1/4 NC x 1/2 inch

2шт.

138604

LOCK WASHER,Ext Csk Tooth, 1/4"

WASHER - lock, 1/4 ich

2шт.

14

196742C2

SUPPORT

- windshield side

2шт.

174856C1

BOLT,Hex Serr, 5/16" - 18 x 1/2"

- hex flange, 5/16 NC x 1/2 inch

4шт.

15

198242C1

GLASS

- cab windshield

1шт.

16

NSS

NOT SOLD SEPARAT

STRIP - windshield glass, 221 inch (3073 mm) (Cut from 98131C2, 50 foot roll) (15 m)

1шт.

198131C2

SEAL, GLASS

STRIP - seal, 120 inch (3048 mm) roll

1шт.

17

NSS

NOT SOLD SEPARAT

STRIP - door opening front, 55 inch (1397 mm) (Cut from 196797C1, 50 foot roll) (15 m)

1шт.

18

NSS

NOT SOLD SEPARAT

STRIP - door opening top, 26-1/2 inch (673 mm) (Cut from 196707C1, 50 foot roll) (15 m)

1шт.

19

NSS

NOT SOLD SEPARAT

STRIP - door opening rear, 54 inch (1372 mm) (Cut from 196707C1, 50 foot roll) (15 m)

1шт.

196707C1

SEAL

STRIP - seal, 50 foot (15 m) roll

1шт.

20

NSS

NOT SOLD SEPARAT

STRIP - cleanout door long, 11 inch (279 mm) (Cut from 198530C1, 50 foot roll) (15 m)

2шт.

Выбрано товаров: 0