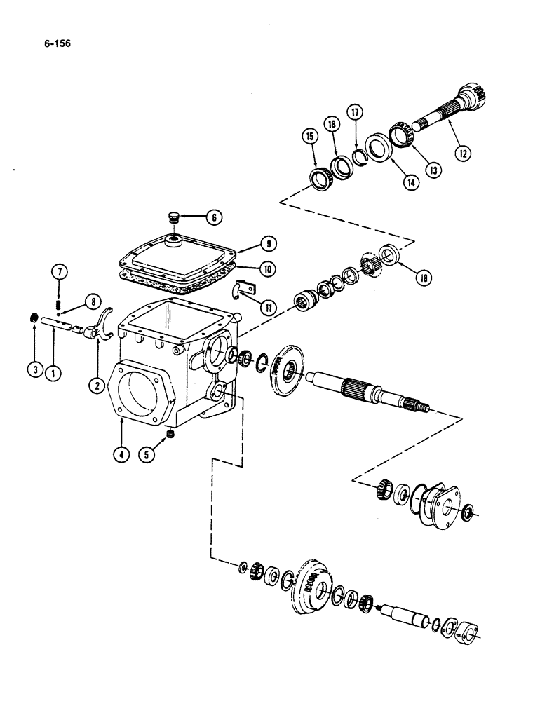
Запчасти Case IH 782 (6-156) - DRUM DRIVE (03) - POWER TRAIN

Схема запчастей Case IH 782 - (6-156) - DRUM DRIVE (03) - POWER TRAIN
8
13
2
11
6
18
15
5
1
7
10
16
12
17
3
9
14
4
FIT
1:1
100%

Артикул

Название

Примечание

Количество

1

107331C1

SHAFT

- drum drive shift rail

1шт.

2

121568C1

FORK

- drum drive shift

1шт.

107327

SET SCREW,Sq Hd, 5/16"-18 x 1"

BOLT - square head, cone point set, 5/16 NC x 1 inch

1шт.

114502

JAM NUT,Jam, 5/16"-18, G5

1шт.

3

394847R91

OIL SEAL

- input box oil

1шт.

4

107306C1

CASE

- drum drive and transmission input

1шт.

26315R1

BOLT,Hex, 7/16" - 14 x 1 1/4", Gr 8

- hex pre-torque, 7/16 NC x 1-1/4 inch (Grade 8)

4шт.

179864

BOLT,Hex, 7/16" - 14 x 1 3/4", Gr 5

- hex, 7/16 NC x 1-3/4 inch

3шт.

5

320185C1

PLUG

- square socket head head magnetic, 3/4-14 inch thread

1шт.

6

9409947

DRAIN PLUG,Sq Soc, 3/4"-14 NPTF

PLUG - square socket head automotive, 3/4-14 inch thread

1шт.

7

121545C1

SPRING

- ball detent

1шт.

8

17012R1

BALL,3/8" Dia

Detent lock 3/8" Dia

1шт.

9

121832C1

COVER - drum drive

1шт.

179837

BOLT,Hex, 3/8" - 16 x 3/4", Gr 5

12шт.

10

121567C1

GASKET

- drum drive cover

1шт.

11

121891C1

TUBE,1.25" Length

- lube

1шт.

12

107327C1

SHAFT

- input pinion, 20 teeth

1шт.

13

533729R91

ROLLER BEARING,1.968" ID x 3.2283" OD x 0.8465"

- input shaft cone, inner

1шт.

14

376463C1

BEARING CUP

BEARING - input shaft cup, inner

1шт.

15

131311C91

ROLLER BEARING,1.3755" ID x 2.8448" OD x 1"

BEARING - input shaft cone, outer

1шт.

16

131312C1

BEARING CUP

BEARING - input shaft cup, outer

1шт.

17

130758C1

RING

- retainer 2.997 mm

1шт.

17

130759C1

RING

- retainer 3.073 mm

1шт.

17

130760C1

RING

- retainer 3.150 mm

1шт.

17

130761C1

RING

- retainer 3.226 mm

1шт.

17

130762C1

RING

- retainer 3.302 mm

1шт.

17

130763C1

RING

- retainer 3.378 mm

1шт.

17

130764C1

RING

- retainer 3.454 mm

1шт.

17

130765C1

RING

- retainer 3.531 mm

1шт.

17

130766C1

RING

- retainer 3.607 mm

1шт.

17

130767C1

RING

- retainer 3.683 mm

1шт.

17

130768C1

RING

- retainer 3.759 mm

1шт.

18

130919C1

SPACER

- bevel gear 12.432 mm

1шт.

18

130920C1

SPACER

- bevel gear 12.356 mm

1шт.

18

130921C1

SPACER

- bevel gear 12.280 mm

1шт.

18

130922C1

SPACER

- bevel gear 12.204 mm

1шт.

18

130923C1

SPACER

- bevel gear 12.128 mm

1шт.

18

130924C1

SPACER

- bevel gear 12.052 mm

1шт.

18

130925C1

SPACER

- bevel gear 11.976 mm

1шт.

18

130926C1

SPACER

- bevel gear 11.900 mm

1шт.

18

130927C1

SPACER

- bevel gear 11.824 mm

1шт.

18

130928C1

SPACER

- bevel gear 11.748 mm

1шт.

18

130929C1

SPACER

- bevel gear 11.672 mm

1шт.

18

130930C1

SPACER

- bevel gear 11.592 mm

1шт.

18

130931C1

SPACER

- bevel gear 11.520 mm

1шт.

18

130932C1

SPACER

- bevel gear 11.444 mm

1шт.

18

130933C1

OIL SEAL

SPACER - bevel gear 11.368 mm

1шт.

18

130934C1

SPACER

- bevel gear 11.317 mm

1шт.

Выбрано товаров: 48