Запчасти Case IH 782 (6-166) - TRANSMISSION SHIFT CONTROLS (03) - POWER TRAIN

Схема запчастей Case IH 782 - (6-166) - TRANSMISSION SHIFT CONTROLS (03) - POWER TRAIN
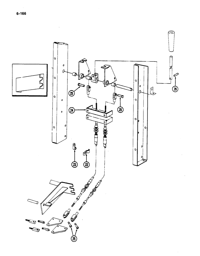
25
24
25
23
26
22
25
FIT
1:1
100%

Артикул

Название

Примечание

Количество

22

588322R2

CLAMP (For machines built prior to 1981) (Continued from Page 6-165)

1шт.

180077

BOLT,Hex, 5/16" - 18 x 3/4", Gr 5

- hex, 5/16 NC x 3/4 inch

1шт.

120376

NUT,5/16"-18, G5

1шт.

80681

LOCK WASHER,5/16"

WASHER, LOCK, 5/16"

1шт.

23

358986R1

CABLE CLIP

CLIP - cable (For machines built, Serial Range: prior-1981)

1шт.

180173

BOLT,Hex, 1/2" - 13 x 1", Gr 5

- hex, 1/2 NC x 1 inch

1шт.

120378

NUT,Hex, 1/2" - 13, Gr 5

NUT, 1/2"-13, G5

1шт.

120384

WASHER,1/2"

LOCK, 1/2"

1шт.

24

215736C1

SUPPORT

- cable upper (Low drum P.I.N. 839 and after) (High drum P.I.N. 3985 thru 4230 (Not all P.I.N.) and P.I.N. 4232 and after)

1шт.

25

427-5094

CLEVIS PIN,7.92mm OD x 23.88mm L

PIN - clevis, 5/16 x .940 inch

4шт.

103373

COTTER PIN,3/32" x 3/4"

Pin, Split (Cotter), 3/32" x 3/4"

4шт.

26

22099R1

LOCK PIN,5/16" x 1 1/2", Slotted

Pin, 5/16" x 1 1/2", Slotted

1шт.

Выбрано товаров: 12