Запчасти Case IH 782 (6-190) - HYDROSTATIC PUMP, CONTROL VALVE (03) - POWER TRAIN

Схема запчастей Case IH 782 - (6-190) - HYDROSTATIC PUMP, CONTROL VALVE (03) - POWER TRAIN
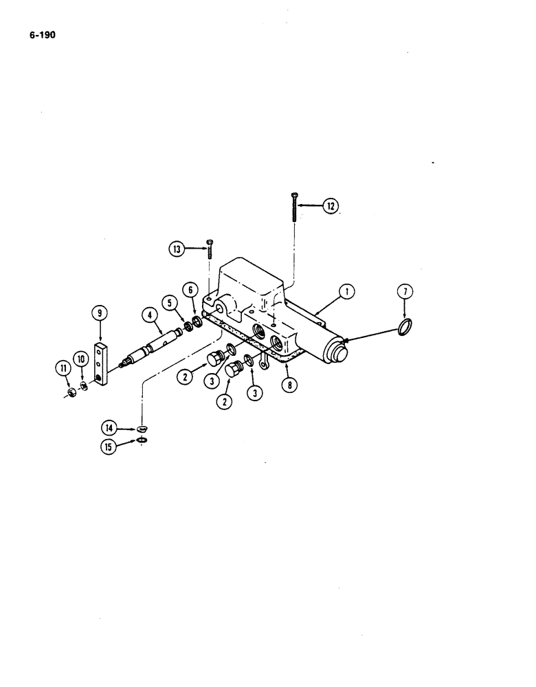
10
13
6
9
12
11
5
8
3
1
15
2
4
3
7
14
2
FIT
1:1
100%

Артикул

Название

Примечание

Количество

133755C93

VALVE

- pump control

1шт.

1

NSS

NOT SOLD SEPARAT

BODY - valve (Order 133755C93)

1шт.

2

NSS

NOT SOLD SEPARAT

PLUG - body (Order 133755C93)

1шт.

3

364839R1

O-RING,0.078" Thk x 0.468" ID, -906, Cl 6, 90 Duro

6-1, 90 Duro, .468" ID x .078" Thk, 3/8 OD tube, class 6

2шт.

4

1255148C1

SHAFT ASSY.

SHAFT - control valve

1шт.

5

359158R1

O-RING,0.301" ID x 0.07" Width

-011, 70 Duro, .031" ID x .070" Thk

1шт.

6

1267111C1

RING,11.18mm ID x 12.7mm OD x 1.78mm Thk

SEAL - shaft

1шт.

7

80269C1

O-RING KIT

O-RING - 5/8 x 3/4 x 1/16 inch (16 x 19 x 2 mm)

1шт.

8

133756C1

GASKET

- control valve

1шт.

9

404782R1

HANDLE

- control valve shaft

1шт.

10

178532

LOCK WASHER,Ext-Int Tooth, 5/16"

WASHER - lock, 5/16 inch

1шт.

11

114502

JAM NUT,Jam, 5/16"-18, G5

1шт.

12

179824

BOLT,Hex, 5/16" - 18 x 1 3/4", Gr 5

2шт.

13

179818

BOLT,Hex, 5/16" - 18 x 1", Gr 5

4шт.

14

1272750C1

ORIFICE

VENT - control valve

1шт.

15

92647C1

O-RING,7.52mm ID x 0.574" OD x 3.53mm

- control valve vent retainer

1шт.

Выбрано товаров: 16