Запчасти Case IH 782 (2-02) - RADIATOR AND FAN SHROUD (01) - ENGINE

Схема запчастей Case IH 782 - (2-02) - RADIATOR AND FAN SHROUD (01) - ENGINE
14
14
14
17
9
2
5
14
4
13
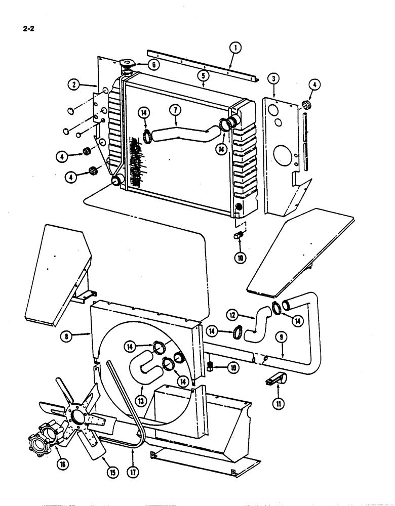
1
4
10
7
14
15
14
12
8
4
11
3
16
10
6
FIT
1:1
100%

Артикул

Название

Примечание

Количество

1

214688C1

ANGLE

- radiator support upper

1шт.

9635884

BOLT,Hex, 5/16" - 18 1", Full Thd, Gr 5

- hex, 5/16 NC x 1 inch

9шт.

120393

BEARING WASHER,5/16", SAE

WASHER - flat, 11/32 x 11/16 x 3/64 inch (9 x 17 x 1 mm)

14шт.

938017R1

FLANGE NUT,Flg, USR, 5/16"-18

- flange lock, 5/16 inch NC

5шт.

2

214684C3

SUPPORT

- radiator shield right

1шт.

180077

BOLT,Hex, 5/16" - 18 x 3/4", Gr 5

- hex, 5/16 NC x 3/4 inch

4шт.

120393

BEARING WASHER,5/16", SAE

WASHER - flat, 11/32 x 11/16 x 3/64 inch (9 x 17 x 1 mm)

4шт.

938017R1

FLANGE NUT,Flg, USR, 5/16"-18

- flange lock, 5/16 inch NC

4шт.

3

214685C3

SUPPORT

- radiator shield left

1шт.

180077

BOLT,Hex, 5/16" - 18 x 3/4", Gr 5

- hex, 5/16 NC x 3/4 inch

4шт.

120393

BEARING WASHER,5/16", SAE

WASHER - flat, 11/32 x 11/16 x 3/64 inch (9 x 17 x 1 mm)

4шт.

938017R1

FLANGE NUT,Flg, USR, 5/16"-18

- flange lock, 5/16 inch NC

4шт.

4

82486R1

GROMMET

3шт.

5

59954C2

RADIATOR

1шт.

180077

BOLT,Hex, 5/16" - 18 x 3/4", Gr 5

- hex, 5/16 NC x 3/4 inch

4шт.

80681

LOCK WASHER,5/16"

WASHER, LOCK, 5/16"

4шт.

6

530874R1

CAP

- radiator pressure

1шт.

7

221531C1

HOSE,51.00 mm ID x 258.00 mm, EPDM

RADIATOR HOSE, , Inlet 51.00 mm ID x 258.00 mm, EPDM

1шт.

8

214722C2

SHROUD - fan (Note A)

1шт.

8

221561C1

SHEET

SHROUD - fan (Note B)

1шт.

180077

BOLT,Hex, 5/16" - 18 x 3/4", Gr 5

- hex, 5/16 NC x 3/4 inch

6шт.

80681

LOCK WASHER,5/16"

WASHER, LOCK, 5/16"

6шт.

9

215514C2

TUBE

ASSEMBLY - radiator outlet (Note A)

1шт.

9

146551C2

TUBE,50.8 mm OD, 838 mm Length

ASSEMBLY - radiator outlet (Note B)

1шт.

10

444578

DRAIN PLUG,Sq Hd, 1/4"-18 NPTF, Brass

PLUG - square head automotive pipe, 1/4 - 18 inch thread

2шт.

11

139243H2

CLAMP

- pipe support

2шт.

12

215512C2

RADIATOR HOSE,51.00 mm ID x 111.00 mm, SAE 20R4

Upper, Outlet (Note A) 51.00 mm ID x 111.00 mm, SAE 20R4

1шт.

12

146552C1

RADIATOR HOSE,50.80 mm ID x 198.00 mm, SAE 20R4

Upper (Note B) 50.80 mm ID x 198.00 mm, SAE 20R4

1шт.

13

215509C1

RADIATOR HOSE,51.00 mm ID x 96.00 mm, SAE 20R4

Outlet, Lower 51.00 mm ID x 96.00 mm, SAE 20R4

1шт.

14

681209C1

HOSE CLAMP,#32, 1.56/2.50 Type F Worm, W/liner

CLAMP - radiator hose

6шт.

15

84482C1

FAN

BLADE - fan (replaces 59962C1)

1шт.

16

121614C1

SPACER

- fan

1шт.

187147

BOLT,Hex, 5/16" - 18 x 3 1/2", Gr 5

- hex, 5/16 NC x 3-1/2 inch

6шт.

80681

LOCK WASHER,5/16"

WASHER, LOCK, 5/16"

6шт.

17

130724C91

SET OF BELTS,0.50" W

Matched, V-Belt, Water pump and alternator 0.50" W

1шт.

Выбрано товаров: 35