Запчасти Case IH 782 (2-04) - RADIATOR AND FAN SHROUD (01) - ENGINE

Схема запчастей Case IH 782 - (2-04) - RADIATOR AND FAN SHROUD (01) - ENGINE
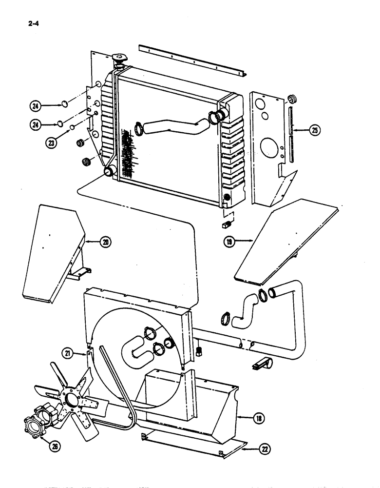
25
20
22
21
24
24
18
23
26
19
FIT
1:1
100%

Артикул

Название

Примечание

Количество

18

215212C1

SHIELD

ASSEMBLY - engine fan (Note A) (Continued from Page 2-3)

1шт.

19

221694C1

SHIELD

ASSEMBLY - fan, left (Note A)

1шт.

20

221695C1

SHIELD

ASSEMBLY - fan, right (Note A)

1шт.

21

221563C1

SHEET

SHROUD - fan, lower (Note B)

1шт.

80681

LOCK WASHER,5/16"

WASHER, LOCK, 5/16"

6шт.

120382

LOCK WASHER,Helical Spring, 3/8"

WASHER, LOCK, 3/8"

2шт.

113-206

BOLT,Hex, 3/8" - 16 x 3/4", Gr 5, Full Thd

- hex, 3/8 NC x 3/4 inch

2шт.

120377

NUT,3/8" - 16, Gr 5

2шт.

120382

LOCK WASHER,Helical Spring, 3/8"

WASHER, LOCK, 3/8"

2шт.

180077

BOLT,Hex, 5/16" - 18 x 3/4", Gr 5

- hex, 5/16 NC x 3/4 inch

6шт.

22

222858C1

CLEANER ASSY.

SHIELD - engine (Note B)

1шт.

23

432564

HOLE PLUG BUTTON,1 3/4"

PLUG - (Note B) (Used without air conditioning)

1шт.

24

432366

HOLE PLUG BUTTON,1 3/8"

PLUG - button (Note B) (Used without air conditioning)

2шт.

25

NSS

NOT SOLD SEPARAT

SEAL - red, 12-1/2 inch (318 mm) (Cut from 1327666C1, 4 foot roll) (1 M) (Note B)

1шт.

1327666C1

SEAL

- foam, 4 foot (1 m) roll

1шт.

26

59963C1

SPACER

- fan (Note B)

1шт.

Выбрано товаров: 16