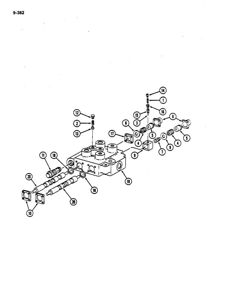
Запчасти Case IH 782 (9-362) - DRUM ENGAGEMENT VALVE (09) - CHASSIS ATTACHMENTS

Схема запчастей Case IH 782 - (9-362) - DRUM ENGAGEMENT VALVE (09) - CHASSIS ATTACHMENTS
7
13
5
4
4
12
19
20
3
11
18
6
2
16
8
9
8
17
14
15
18
10
20
5
1
FIT
1:1
100%

Артикул

Название

Примечание

Количество

216421C92

VALVE

ASSEMBLY - drum engagement

1шт.

1

204841C1

SPRING

- detent

1шт.

2

851155C1

SPRING

- load check

2шт.

3

17008R1

BALL,1/4" Dia

Grade 25 metal 1/4" Dia

1шт.

4

851151C1

SPRING

- centering

2шт.

5

851152C1

COLLAR

- spool

2шт.

461-32524

HEX SOC SCREW,1/4"-20 x 1 1/2"

BOLT - hex socket head, 1/4 NC x 1-1/2 inch

1шт.

216277

SCREW,Hex Soc Hd, 1/4"-20 x 1/2"

BOLT - hex socket head, 1/4 NC x 1/2 inch

1шт.

Q5001

WASHER

FLAT - 9/32 x 3/4 x 7/64 inch (7 x 19 x 3 mm)

2шт.

6

851154C1

CAP

- end

2шт.

138205

BRACKET

BOLT, Hex Soc Hd, 1/4"-20 x 1 3/4"

4шт.

7

204843C1

SLEEVE - detent

1шт.

8

851149C1

WASHER

- detent

2шт.

9

204844C1

HOUSING

- detent

1шт.

10

204845C1

SPACER

- end cap

2шт.

216277

SCREW,Hex Soc Hd, 1/4"-20 x 1/2"

BOLT - hex socket head, 1/4 NC x 1/2 inch

4шт.

11

204860C2

PLUG

- relief

1шт.

12

851168C1

PLUG

- check load

2шт.

13

851156C1

CHECK VALVE

VALVE - check load

2шт.

14

204847C1

SCREW

- adjusting

1шт.

124925

JAM NUT,Jam, 3/8"-24, G5

1шт.

131659

NUT - hex hi-crown, 3/8 inch NF

1шт.

15

204846C1

PISTON

- detent

1шт.

16

204848C1

PLUG

- detent piston

1шт.

17

851150C1

SPACER

1шт.

18

851140C1

WASHER

2шт.

19

NSS

NOT SOLD SEPARAT

BODY (Order valve assembly 216421C92)

1шт.

20

NSS

NOT SOLD SEPARAT

SPOOL (Order valve assembly 216421C92)

2шт.

204859C2

SEAL KIT

- seal

1шт.

Выбрано товаров: 29