Запчасти Case IH 782 (9-398) - CONVEYOR (09) - CHASSIS ATTACHMENTS

Схема запчастей Case IH 782 - (9-398) - CONVEYOR (09) - CHASSIS ATTACHMENTS
21
13
16
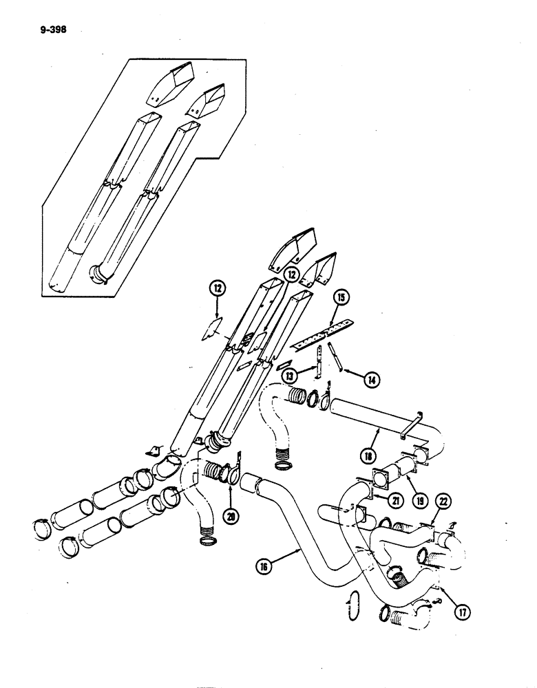
15
17
18
20
22
12
19
12
14
FIT
1:1
100%

Артикул

Название

Примечание

Количество

12

214863C1

SUPPORT

- chute cover (Continued from Page 9-397)

4шт.

120375

NUT,Hex, 1/4" - 20, Gr 5

4шт.

492-11025

LOCK WASHER,1/4"

WASHER, LOCK, 1/4"

4шт.

120392

WASHER,1/4", SAE

- flat, 9/32 x 5/8 x 3/64 (7 x 16 x 1mm)

4шт.

13

215716C1

ANGLE

- chute support

2шт.

14

215717C1

ANGLE - chute brace

2шт.

113-206

BOLT,Hex, 3/8" - 16 x 3/4", Gr 5, Full Thd

- hex, 3/8 NC x 3/4 inch

4шт.

120382

LOCK WASHER,Helical Spring, 3/8"

WASHER, LOCK, 3/8"

4шт.

15

1288525C1

SUPPORT

- chute (Low drum P.I.N. 839 and after) (High drum P.I.N. 4232 and after )

2шт.

15

1288525C1

SUPPORT

- chute (Low drum P.I.N. 839 and after) (High drum P.I.N. 4232 and after)

2шт.

113-206

BOLT,Hex, 3/8" - 16 x 3/4", Gr 5, Full Thd

- hex, 3/8 NC x 3/4 inch

2шт.

120394

WASHER,3/8", SAE

WASHER - flat, 13/32 x 13/16 x 3/64 inch (10 x 21 x 1mm)

2шт.

120382

LOCK WASHER,Helical Spring, 3/8"

WASHER, LOCK, 3/8"

2шт.

120377

NUT,3/8" - 16, Gr 5

2шт.

16

215225C1

DUCT

- left front

1шт.

598802R1

CARRIAGE BOLT,Short NK, 5/16"-18 x 3/4", G5, Full Thd

BOLT - round head square neck, 5/16 NC x 3/4 inch

3шт.

80681

LOCK WASHER,5/16"

WASHER, LOCK, 5/16"

3шт.

120376

NUT,5/16"-18, G5

3шт.

17

215223C1

DUCT

- front lower

1шт.

598802R1

CARRIAGE BOLT,Short NK, 5/16"-18 x 3/4", G5, Full Thd

BOLT - round head square neck, 5/16 NC x 3/4 inch

3шт.

80681

LOCK WASHER,5/16"

WASHER, LOCK, 5/16"

3шт.

120376

NUT,5/16"-18, G5

3шт.

18

215221C1

DUCT

- front upper right

1шт.

598802R1

CARRIAGE BOLT,Short NK, 5/16"-18 x 3/4", G5, Full Thd

BOLT - round head square neck, 5/16 NC x 3/4 inch

4шт.

80681

LOCK WASHER,5/16"

WASHER, LOCK, 5/16"

4шт.

120376

NUT,5/16"-18, G5

4шт.

19

215217C1

DUCT - cross

1шт.

598802R1

CARRIAGE BOLT,Short NK, 5/16"-18 x 3/4", G5, Full Thd

BOLT - round head square neck, 5/16 NC x 3/4 inch

4шт.

80681

LOCK WASHER,5/16"

WASHER, LOCK, 5/16"

4шт.

120376

NUT,5/16"-18, G5

4шт.

20

216035C1

CLAMP

- pipe

2шт.

9635884

BOLT,Hex, 5/16" - 18 1", Full Thd, Gr 5

- hex, 5/16 NC x 1 inch

2шт.

18475R1

BOLT,Hex, 5/16" - 18 x 1 1/4", Gr 2

- hex, 5/16 NC x 1 - 1/4

2шт.

120376

NUT,5/16"-18, G5

4шт.

120382

LOCK WASHER,Helical Spring, 3/8"

WASHER, LOCK, 3/8"

4шт.

526712R1

BUSHING

SPACER

2шт.

21

215603C1

DUCT

- upper front

1шт.

180077

BOLT,Hex, 5/16" - 18 x 3/4", Gr 5

- hex, 5/16 NC x 3/4 inch

3шт.

80681

LOCK WASHER,5/16"

WASHER, LOCK, 5/16"

3шт.

120376

NUT,5/16"-18, G5

3шт.

ref # 21 215603c1 is the tube shown behind ref # 17

1шт.

22

215605C1

DUCT

- upper rear

1шт.

180077

BOLT,Hex, 5/16" - 18 x 3/4", Gr 5

- hex, 5/16 NC x 3/4 inch

2шт.

120376

NUT,5/16"-18, G5

4шт.

80681

LOCK WASHER,5/16"

WASHER, LOCK, 5/16"

4шт.

668569R1

WASHER

- flat, 11/32 x 1 - 1/2 x 7/64 inch (9 x 38 x 3mm)

1шт.

Выбрано товаров: 0