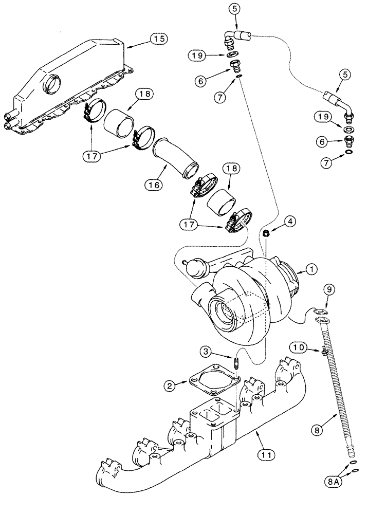
Запчасти Case IH CPX420 (02-08) - TURBOCHARGER SYSTEM (01) - ENGINE

Схема запчастей Case IH CPX420 - (02-08) - TURBOCHARGER SYSTEM (01) - ENGINE
2
15
17
19
10
17
3
16
8
6
18
18
4
19
7
7
5
1
5
9
6
11
8a
FIT
1:1
100%

Артикул

Название

Примечание

Количество

1

J802649

TURBOCHARGER

Inc. 2, 9

1шт.

See Figure 02-09

1шт.

1

JR802649

REMAN-TURBOCHARGER

Remanufactured Turbocharger

1шт.

1

JC535617

CORE-TURBOCHARGER

Return Part Number

1шт.

2

J755843

GASKET,0.5mm Thk

1шт.

3

J818823

STUD

4шт.

4

J818824

FLANGE NUT

M10

4шт.

5

J918562

HOSE

538 mm (21-1/4")

1шт.

6

J919687

HYD CONNECTOR

Inc. 7

2шт.

7

238-5013

O-RING,0.07" Thk x 0.426" ID, -13, Cl 5, 75 Duro

1шт.

8

87423080

TUBE

Includes 8A

1шт.

8a

238-7115

O-RING,0.103" Thk x 0.674" ID, -115, Cl 7, 75 Duro

2шт.

9

J937706

GASKET,0.79mm Thk

1шт.

10

844-8020

BOLT,Hvy Hex, M8 x 20mm, Cl 8.8

2шт.

11

J932180

MANIFOLD

Exhaust

1шт.

See Figure 02-06

1шт.

15

J924731

AFTERCOOLER

1шт.

See Figure 02-06

1шт.

16

J914942

TUBE,63.5 mm OD x 189.5, 23 mm L

1шт.

17

J924386

COLLAR CLAMP

4шт.

18

87439339

HOSE,62.50 mm ID x 90.00 mm

2шт.

19

222-993

GASKET,3/8 Tube, Fl, Copper

2шт.

Выбрано товаров: 22