Запчасти Case IH CPX420 (09A-35) - DRUM SUPPORT ASSY - 4 ROW WIDE (13) - PICKING SYSTEM

Схема запчастей Case IH CPX420 - (09A-35) - DRUM SUPPORT ASSY - 4 ROW WIDE (13) - PICKING SYSTEM
45
47
6
46
35
36
15
32
18
40
1
4
12
22
13
27
5
38
29
39
42
48
28
31
21
44
28
6
3
26
24
16
14
49
34
7
20
17
33
19
10
41
25
37
43
23
FIT
1:1
100%

Артикул

Название

Примечание

Количество

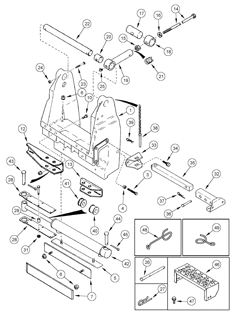
1

138898A4

HANGER

1шт.

3

114781A1

BOLT

1/2 x 3, Full Threads

1шт.

3

258542A1

BOLT

3/4 x 3-1/4, Full Threads

1шт.

4

425-148

JAM NUT,Jam, 1/2"-13, G5

2шт.

4

425-1412

JAM NUT,Jam, 3/4"-10, G5

2шт.

5

1984383C2

WEAR STRIP

Guide Bar Top

1шт.

6

231-5145

SERRATED NUT,Flg, USR, 5/16"-18

6шт.

7

1984382C3

WEAR STRIP

Front And Rear

2шт.

10

409-7820

BOLT,Hex Flg, 1/2" - 13 x 1 1/4", Spcl

5шт.

11

231-5148

FLANGE NUT,Flg, USR, 1/2"-13

5шт.

12

297613A1

CHANNEL

Cylinder, Left Hand

1шт.

13

297614A1

CHANNEL

Cylinder, Right Hand

1шт.

14

1349841C2

ROD

Front Radius

1шт.

15

429-1012

NUT,3/4"-10, G8

1шт.

16

496-21081

WASHER,13/16" x 1 1/2" x .179", HDN

1шт.

17

1982868C1

PIN,50.8mm OD x 110mm L

1шт.

18

1982869C1

SPACER

1шт.

19

1349842C2

END

Radius Rod, Inc. 20, 21

1шт.

20

617924R1

BUSHING,41.3mm ID x 44.45mm OD x 44.7mm L

1шт.

21

1994998C1

INSERT

1шт.

22

1983059C2

PIN,41.27mm OD x 445mm L

Front Radius Rod

1шт.

23

413-656

BOLT,Hex, 3/8" - 16 x 3-1/2", Gr 5

2шт.

24

231-1446

NUT,3/8" - 16, Gr 5

2шт.

25

219-55

LUBE NIPPLE,90 Degree Elbow, 1/8" - 27 NPTF

1шт.

26

118485A1

PIN,12.7mm OD x 150.75mm L

Support Hold-Down

1шт.

27

586591R1

COTTER PIN

1/8

1шт.

28

128502A2

PLATE

Cylinder Stop

4шт.

29

190123C1

SPACER,1/2" Tube x 1"

1/2 x 1

12шт.

30

413-528

BOLT,Hex, 5/16" - 18 x 1-3/4", Gr 5

12шт.

31

231-5145

SERRATED NUT,Flg, USR, 5/16"-18

12шт.

32

128503A2

BRACKET

Cylinder Bracket, Drum #2

1шт.

33

128507A1

BRACKET

Cylinder Lock

1шт.

34

409-7820

BOLT,Hex Flg, 1/2" - 13 x 1 1/4", Spcl

2шт.

35

128506A1

BAR

Spacer

1шт.

36

439-11040

HEADED PIN,5/8" x 2", G2

5/8 x 2-1/2, Drum #2

1шт.

37

136-166

COTTER PIN,Int, 9/32" x .120"

9/32 x 2, Drum #2

1шт.

38

137882A1

PIN

Cylinder Lock, Inc. Chain

1шт.

39

136-166

COTTER PIN,Int, 9/32" x .120"

9/32 x 2

1шт.

40

137910A1

STOP

1-1/2, Cylinder Stroke Control, 40 Inch Row

4шт.

41

137906A1

STOP

1 in, Cylinder Stroke Control, 40 Inch Row, If Used

2шт.

42

1542544C1

CYLINDER ASSY.

Drum Spread, 57 ID x 375 mm strk, See Figure 08-44

2шт.

43

439-11664

HEADED PIN,1" x 4"

2шт.

44

439-11656

HEADED PIN,25.4mm OD x 88.9mm L

2шт.

45

432-1620

COTTER PIN,1/4" x 1 1/4"

4шт.

46

175709A2

STEP

Drum #4, Serial Range: -Y6T011001

1шт.

46

87344065

TREAD

Drum #4, Start Serial: Y6T011001

1шт.

47

409-7820

BOLT,Hex Flg, 1/2" - 13 x 1 1/4", Spcl

4шт.

48

120903A1

SUPPORT

Harness, Drums # 1, 4

2шт.

49

189300A1

BRACKET

Harness, Drums #2, 3

2шт.

50

495-11041

WASHER,0.406" ID x 0.812" OD x 0.065" W

1шт.

Выбрано товаров: 50