Запчасти Case IH CPX420 (09A-40) - DRUM HOUSING SERVICE KIT (13) - PICKING SYSTEM

Схема запчастей Case IH CPX420 - (09A-40) - DRUM HOUSING SERVICE KIT (13) - PICKING SYSTEM
14
13
15c
12
3
7
15b
9
15a
11
10
6
5
4
1
2
8
FIT
1:1
100%

Артикул

Название

Примечание

Количество

87479159

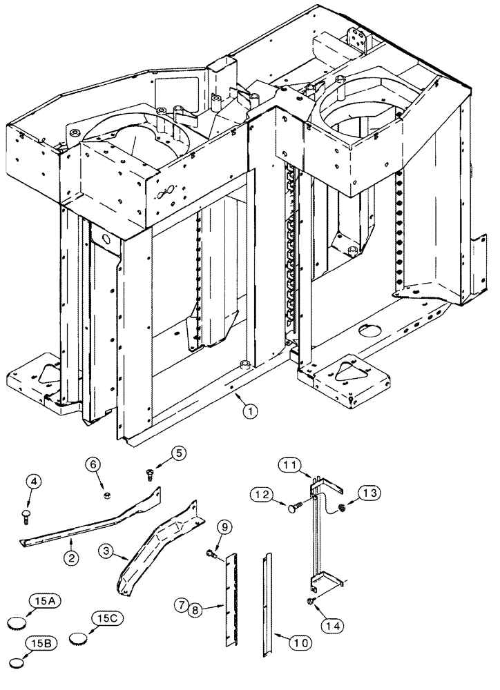
FRAME

DRUM HOUSING SERVICE KIT, Inc. 1 - 6, Also Includes: See Figure(s) 09A-24, Ref. 33 - 37, 09A-29, Ref. 30 - 33; 09A-38 Ref. 9 - 19

1шт.

1

NSS

NOT SOLD SEPARAT

Housing, Drum Frame, Order 1545965C4

1шт.

2

1990342C2

ANGLE BAR

Wear, Left Hand

2шт.

3

1990343C2

ANGLE BAR

Wear, Right Hand

2шт.

4

434-612

CARRIAGE BOLT,Sht Sq Nk, 3/8" - 16 x 3/4", Gr 5

4шт.

5

477-73116

SERRATED SCREW,Truss HD, 5/16" - 18 x 1"

4шт.

6

231-5146

FLANGE NUT,3/8"-16

8шт.

7

1990345C1

PLATE

Vine Knife, Slat Bar Post, Right Hand

1шт.

8

1988970C2

PLATE

Vine Knife, Slat Bar Post, Left Hand

1шт.

9

477-73108

SERRATED SCREW,Sl Truss Hd, 5/16" - 18 x 1/2"

8шт.

10

1990349C1

PLATE

Vine Knife, Trash Post, Left Hand and Right Hand

1шт.

11

108497A1

GRATE

Trash

1шт.

12

411-512

CARRIAGE BOLT,Sq Nk, 5/16" - 18 x 3/4", Gr 2

6шт.

13

231-5145

SERRATED NUT,Flg, USR, 5/16"-18

6шт.

14

276-1478

SELF-TAP SCREW,Hex Hd, 1/4" x 1/2"

2шт.

15a

223796C2

PLUG

13/32 ID

2шт.

15b

205-78

HOLE PLUG BUTTON,9/32"

4шт.

15c

205-80

HOLE PLUG BUTTON,11/32"

2шт.

431246A1

PACKAGE

Completing Parts, Drum #1, All 4 Row Wide; Drums #1, 4, All 5 Row Narrow; Inc. 13 (2), 15A (2), 15B (4), 15C (2), Plus (2) of 515-23381, (1) of 1288934C1 Decal

1шт.

431492A1

PACKAGE

Completing Parts, Drum #2, All 4 Row Wide; Inc. 13 (5), 15A (2), 17 (2), Plus (2) of 515-23381, 409-7612, (5) of 409-7512, (1) of 1288935C1 Decal

1шт.

431519A1

PACKAGE

Completing Parts, Drum #3, All 4 Row Wide; Inc. 15 (5), 15A (2), 15B, 15C, Plus (2) of 409-77612, 515-23381, (5) of 409-7512, (1) of 1288936C1 Decal

1шт.

431476A1

PACKAGE

Completing Parts, Drum #4, All 4 Row Wide; Inc. 15 (1) 15A (2), 15B, 15C, Plus (1) of 409-7512, 515-23381, (1) of 1288937C1 Decal

1шт.

431769A1

PACKAGE

Completing Parts, Drum #2, All 5 Row Narrow, Inc. 15A (2), Plus See Figure 09C-03, Ref 37 - 40

1шт.

87454855

PACKAGE

Completing Parts, Drum #3, All 5 Row Narrow

1шт.

431833A1

PACKAGE

Completing Parts, Drum #5, All 5 Row Narrow

1шт.

Выбрано товаров: 25