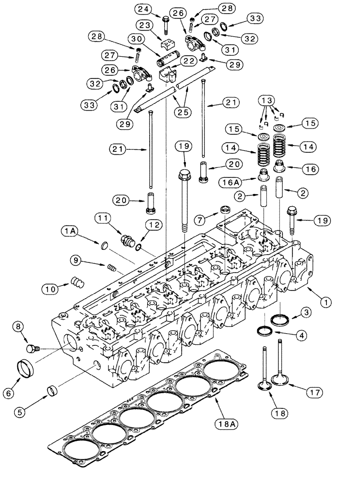
Запчасти Case IH CPX420 (02-14) - CYLINDER HEAD - VALVE MECHANISM (01) - ENGINE

Схема запчастей Case IH CPX420 - (02-14) - CYLINDER HEAD - VALVE MECHANISM (01) - ENGINE
24
22
31
28
33
26
15
18a
32
29
8
1
16
32
31
21
1a
3
9
11
29
18
14
5
19
26
20
6
13
20
4
27
12
23
7
25
16a
19
28
2
33
17
2
27
10
14
21
30
15
FIT
1:1
100%

Артикул

Название

Примечание

Количество

J936293

CYLINDER HEAD

With Valves, Includes 1 - 18

1шт.

JR936293

REMAN-CYLINDER HEAD

1шт.

JC936293

CORE-CYLINDER HEAD

Return Part Number

1шт.

1

J936178

HEAD

Stripped, Includes 1A - 7

1шт.

1a

J912900

PLUG

24 mm

1шт.

2

J923564

VALVE GUIDE

12шт.

3

J924582

INSERT

Valve Seat

6шт.

3

J925468

SEAT, VALVE

.25 mm, Oversize, Service Repair Only

6шт.

3

J925470

SEAT, VALVE

.50 mm, Oversize, Service Repair Only

6шт.

4

J929005

INSERT

Exhaust, Standard

6шт.

4

J929006

INSERT

.25 mm, Oversize, Service Repair Only

6шт.

4

J929007

INSERT

.50 mm, Oversize, Service Repair Only

6шт.

5

J920443

PLUG

30 mm

1шт.

6

A77782

PLUG

58 mm

2шт.

7

41-1616

PLUG,Cup, 1", Stainless

5шт.

8

217-426

PLUG,Hex Soc, 1/16" - 27 NPTF

1шт.

9

217-432

PLUG,Hex Soc, 1/4" - 18 NPTF

1шт.

10

444704

PLUG,Hex Soc, 1/2"-14

1шт.

11

J924148

PLUG,M22 x 1.5

M22

2шт.

12

J902425

SEALING WASHER,22.2mm ID x 26.9mm OD x 1.75mm Thk

2шт.

13

J901177

VALVE

Collet

24шт.

14

J925272

VALVE SPRING

12шт.

15

J925273

ROTATOR

12шт.

16

J927642

SEAL

6шт.

16a

J927642

SEAL

6шт.

17

J924492

STD INLET VALVE

STD ENGINE INLET VALVE

6шт.

18

J921444

STD EXHAUST VALVE

STD ENGINE EXHAUST VALVE

6шт.

18a

REF

INSTRUCTION

Gasket, Head

1шт.

See Figure 02-13

1шт.

19

J917728

BOLT

160 mm

14шт.

19

J917729

BOLT,Flng, M14 x 80mm

80 mm

12шт.

20

J931623

TAPPET

12шт.

21

J905194

PUSH ROD

12шт.

22

J905870

SUPPORT

6шт.

23

J901693

CLAMP

6шт.

24

868-10065

12 PT SCREW,M10 x 65mm, Cl 12.9

12шт.

25

J919677

TUBE

1шт.

26

J901717

ROCKER

Includes 27, 28, 29

12шт.

27

J937438

ADJUSTMENT SCREW,Hex Skt, 3/8" - 24 x 33mm, Adj, Ball Point

1шт.

28

A77902

NUT

3/8" - 24 NF

1шт.

29

NSS

NOT SOLD SEPARAT

Insert

1шт.

30

J919435

SHAFT

6шт.

31

J906100

SPRING CUP

12шт.

32

J907206

WASHER,22.5mm ID x 30mm OD x 1mm Thk

12шт.

33

100-1187

SNAP RING,#87, Ext

12шт.

Выбрано товаров: 45