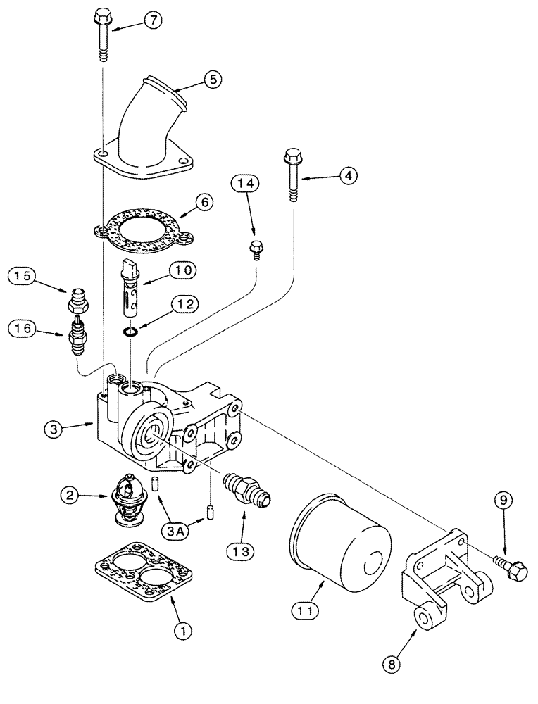
Запчасти Case IH CPX420 (02-16) - HOUSING, THERMOSTAT - FILTER, WATER (01) - ENGINE

Схема запчастей Case IH CPX420 - (02-16) - HOUSING, THERMOSTAT - FILTER, WATER (01) - ENGINE
4
10
8
9
14
16
12
1
3
13
11
7
15
6
5
3a
2
FIT
1:1
100%

Артикул

Название

Примечание

Количество

1

J914310

GASKET,0.8mm Thk

1шт.

2

J928639

THERMOSTAT

2шт.

J926509

HOUSING,Thermostat

Includes 3, 3A

1шт.

3

NSS

NOT SOLD SEPARAT

Housing, Order J926509

1шт.

3a

180811A1

ROLL PIN

2шт.

4

845-8080

BOLT,Hvy Hex, M8 x 80mm, Cl 8.8

2шт.

5

J912052

ELBOW

1шт.

6

J918779

GASKET,1.19mm Thk

1шт.

7

845-8095

BOLT,Hvy Hex, M8 x 95mm, Cl 8.8

2шт.

8

J918544

SUPPORT

1шт.

9

844-8025

BOLT,Hvy Hex, M8 x 25mm, Cl 8.8

4шт.

10

294926A1

SHUT-OFF VALVE

1шт.

11

A77544

FILTER

1шт.

12

238-5111

O-RING,0.103" Thk x 0.424" ID, -111, Cl 5, 75 Duro

1шт.

13

A77623

ADAPTER,3/4" - 10 x 11/16" - 16

1шт.

14

845-6010

BOLT,Hvy Hex, M6 x 10mm, Cl 8.8

1шт.

15

J911925

COUPLING

1шт.

16

J911901

VALVE, CHECK

1шт.

Выбрано товаров: 0