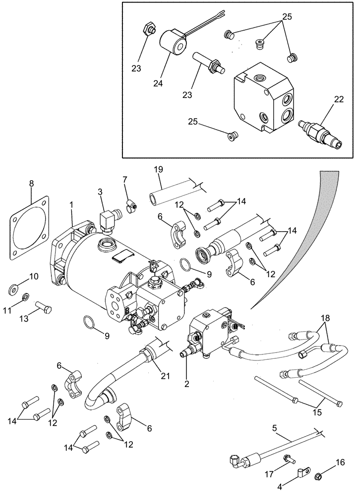
Запчасти Case IH CPX420 (06-06) - HYDROSTATIC MOTOR AND TRANSMISSION PRESSURE RELEASE VALVE - ASN Y6T011001 (03) - POWER TRAIN

Схема запчастей Case IH CPX420 - (06-06) - HYDROSTATIC MOTOR AND TRANSMISSION PRESSURE RELEASE VALVE - ASN Y6T011001 (03) - POWER TRAIN
7
25
17
6
15
6
1
3
14
12
16
5
11
23
2
21
12
9
4
14
10
6
24
18
14
6
9
19
12
14
12
25
13
8
23
22
FIT
1:1
100%

Артикул

Название

Примечание

Количество

1

400475A2

HYDROSTATIC MOTOR,89.13CC

1шт.

1

400475A2R

REMAN-HYD MOTOR

Reman For New PN 400475A2

1шт.

1

400475A2C

CORE-MOTOR HYDRAULIC

Return Number

1шт.

2

87414063

Transmission Release

1шт.

3

1546404C1

ELBOW

1шт.

4

515-23127

CLAMP,1/2", Insul, 3/8" Bolt

1шт.

5

447915A1

HOSE

Transmission Release Drain

1шт.

6

S97224

CLAMP

4шт.

7

214-1516

HOSE CLAMP,#16, 0.81" - 1.5", Type F Worm, W/ Liner

1шт.

8

166506C1

GASKET,0.81mm Thk

1шт.

9

238-6219

O-RING,0.139" Thk x 1.296" ID, -219, Cl 6, 90 Duro

2шт.

10

396-41053

WASHER,13.49mm ID x 31.75mm OD x 5.05mm Thk

4шт.

11

492-11050

LOCK WASHER,1/2"

4шт.

12

492-11044

LOCK WASHER,7/16"

8шт.

13

310-1824

BOLT,Hex, 1/2" - 13 x 1-1/2", Gr 8

4шт.

14

413-728

BOLT,Hex, 7/16" - 14 x 1-3/4", Gr 5

8шт.

15

413-696

BOLT,Hex, 3/8" - 16 x 6", Gr 5

2шт.

16

231-5146

FLANGE NUT,3/8"-16

1шт.

17

409-7616

BOLT,Hex Flg, 3/8" - 16 x 1", Spcl

1шт.

18

87414064

HOSE,6.35mm ID x 510mm L

Transmission

2шт.

19

408845A1

HOSE

1шт.

20

1984276C1

HOSE

1шт.

21

1984277C1

HOSE

SPARE PART

1шт.

22

408731A1

VALVE, PRESSURE RELI

EF Service With Ref 26

1шт.

23

408733A1

SOLENOID

Service With Ref 26

1шт.

24

237130A1

COIL

1шт.

25

278548

PLUG,Hex, 7/16"-20 ORB

4шт.

26

408734A1

PACKAGE,SERVICE

Inc. 27 - 29

1шт.

27

NSS

NOT SOLD SEPARAT

O-Ring

1шт.

28

NSS

NOT SOLD SEPARAT

O-Ring

1шт.

29

NSS

NOT SOLD SEPARAT

Ring, Backup

1шт.

Выбрано товаров: 31