Запчасти Case IH CPX420 (05-15) - WHEEL DRIVE MOTOR MOUNTING AND STEERING PARTS (04) - STEERING

Схема запчастей Case IH CPX420 - (05-15) - WHEEL DRIVE MOTOR MOUNTING AND STEERING PARTS (04) - STEERING
15
18
14
11
16
17
23
12
7
8
5
9
2
7
2
6
3
13
19
20
1
4
22
FIT
1:1
100%

Артикул

Название

Примечание

Количество

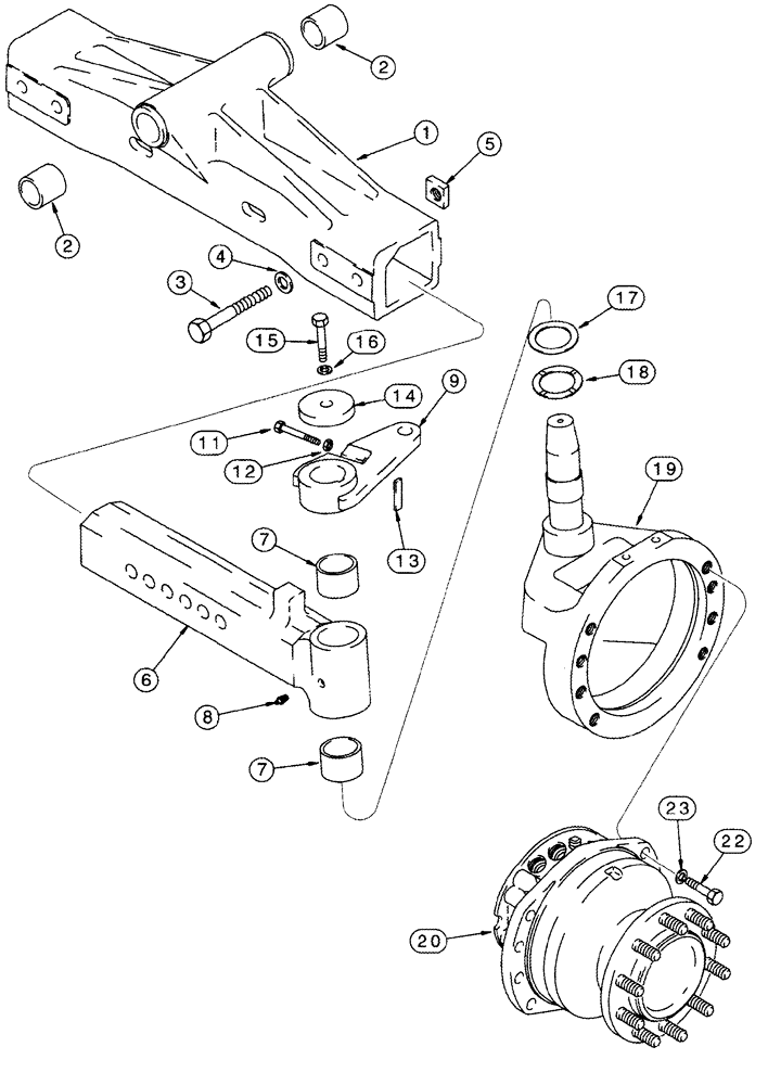
1

87521792

CENTER AXLE

Center, Inc. 2

1шт.

2

A177916

BUSHING,50.3mm ID x 64.96mm OD x 50mm L

1шт.

3

828-24200

BOLT,Hex, M24 x 3 x 200mm, Cl 10.9

4шт.

4

896-12024

WASHER,26mm ID x 44mm OD x 5mm Thk

4шт.

5

1264635C1

NUT

Special

4шт.

6

238752A1

EXTENSION

Axle, Inc. 7

2шт.

7

1979440C1

BUSHING,71.6mm ID x 85.88mm OD x 63.5mm L

2шт.

8

219-8

LUBE NIPPLE,1/4" - 28 NPTF

2шт.

9

238755A1

LEVER

Right Hand

1шт.

10

238756A1

LEVER

Left Hand, Not Illustrated

1шт.

11

413-1036

BOLT,Hex, 5/8" - 11 x 2-1/4", Gr 5

2шт.

12

329-1410

JAM NUT,Jam, 5/8"-11, G8

2шт.

13

1979442C1

STOP

2шт.

14

1979443C1

WASHER

Retainer

2шт.

15

426-1440

BOLT,Hex, 7/8" - 9 x 2-1/2", Gr 8

2шт.

16

496-11094

WASHER,0.94" ID x 1.75" OD x 0.13" Thk

2шт.

17

238765A1

WASHER

2 mm thk

2шт.

18

1979439C1

THRUST WASHER

5 mm thk

2шт.

19

238766A1

STEERING KNUCKLE

Mounting, Drive Motor

2шт.

20

238767A1

MOTOR, HYDRAULIC

Wheel Drive, Right Hand

1шт.

See Figure 05-12

1шт.

21

238768A1

MOTOR, HYDRAULIC

Wheel Drive, Left Hand

1шт.

See Figure 05-12

1шт.

22

426-1432

BOLT,Hex, 7/8" - 9 x 2", Gr 8

16шт.

23

496-21094

WASHER,23.82mm ID x 44.45mm OD x 4.85mm Thk

16шт.

Выбрано товаров: 25