Запчасти Case IH CPX610 (04-17) - MODULE, ENGINE CONTROL (06) - ELECTRICAL SYSTEMS

Схема запчастей Case IH CPX610 - (04-17) - MODULE, ENGINE CONTROL (06) - ELECTRICAL SYSTEMS
3
5
20
9
12
10
16
7
21
11
8
13
14
12
1
4
13
2
6
FIT
1:1
100%

Артикул

Название

Примечание

Количество

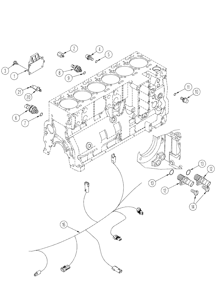
1

J944125

ECU

1шт.

1

JR944125

REMAN-ELECT MONITOR

Reman-Monitor Remanufactured

1шт.

1

JC944125

CORE-MONITOR

Return Part Number

1шт.

2

J936236

SPACER

2шт.

3

845-8020

BOLT,Hvy Hex, M8 x 20mm, Cl 8.8

3шт.

4

J348747

SENSOR

Pressure, Inc. 5

1шт.

5

J330202

O-RING,11.3MM ID x 2.2 Thk

1шт.

6

87400188

SENSOR

Pressure, Inc. 7

1шт.

7

J330202

O-RING,11.3MM ID x 2.2 Thk

1шт.

8

J408345

SENSOR

Temperature, Inc. 9

1шт.

9

J678912

O-RING,2.2mm Thk x 11.3mm ID

1шт.

10

J865346

SENSOR

Temperature, Inc. 11

1шт.

11

J678912

O-RING,2.2mm Thk x 11.3mm ID

1шт.

12

J4002064

SENSOR

Position, Inc. 13

2шт.

13

J330478

O-RING,0.07" Thk x 0.676" ID

2шт.

14

844-6016

BOLT,Hvy Hex, M6 x 16mm, Cl 8.8

4шт.

16

J938746

WIRE HARNESS

ETR Control Module, Used With 17, 18, 19

1шт.

17

313490A1

BOLT

M10 x 14, Not Illustrated

6шт.

18

825-2408

FLANGE NUT,M8 x 1.25, Flg, Cl 8

Not Illustrated

1шт.

19

825-2406

FLANGE NUT,M6 x 1, Cl 8.8

Not Illustrated

1шт.

20

J3085140

SENSOR

Not Used In This Application, 6TAA-9004

1шт.

21

844-8016

BOLT,Hex, M8 x 16mm, Cl 8.8

2шт.

Выбрано товаров: 22