Запчасти Case IH CPX610 (09E-01) - CAB FRAME AND WINDSHIELD (10) - CAB & AIR CONDITIONING

Схема запчастей Case IH CPX610 - (09E-01) - CAB FRAME AND WINDSHIELD (10) - CAB & AIR CONDITIONING
19
39
31
5
9
15
2
16
32
5
37
23
12
41
37
10
33
20
19
3
17
31
6
43
31
38
31
21
35
22
36
1
8
17
16
45
17
30
26
6
13
29
27
25
18
14
31
17
34
24
7
40
4
11
42
28
FIT
1:1
100%

Артикул

Название

Примечание

Количество

396972A2

CAB

ASSEMBLY, No Longer Available, Individual Components Will Continue to be Serviceable., Serial Range: -JJC0250245

1шт.

449793A2

CAB

Assembly, Start Serial: JFG010501

1шт.

Order From Machinery Price List

1шт.

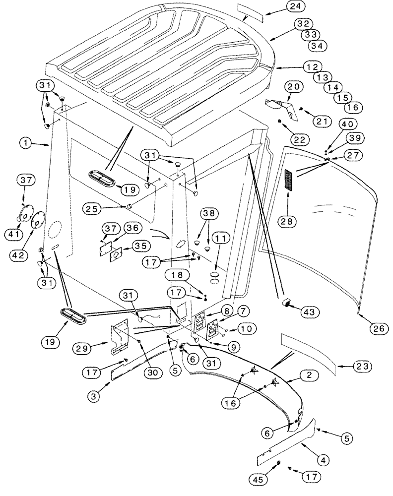
1

320444A3

FRAME ASSY

1шт.

2

179241A1

COVER

Cab, Front

1шт.

3

139597A2

COVER

Cab, LH

1шт.

4

178243A2

SKIRT

Cab, Right Hand

1шт.

5

260-16516

SELF-TAP SCREW,Cross Pan Hd, #10 x 1"

6шт.

6

60-6708T1

NUT

4шт.

7

317605A1

LARGE PLATE

PLATE, LARGE Electrical Access

1шт.

8

318242A1

GASKET

1шт.

9

191216A1

SELF-TAP SCREW,Hex Wash Hd, #10-24 x 5/8"

16шт.

10

282855A1

DECAL

Cover, Bulkhead Connector

2шт.

11

353-593

PLUG

2-1/2 ID

4шт.

12

122819A2

ROOF

Inc. 31, 32, 33

1шт.

13

186882A1

EMBLEM CASE/IH

1шт.

14

131-431

PUSH-ON NUT,Self, Threading, 1/4"

2шт.

15

495-81135

WASHER,10.31mm ID x 25.4mm OD x 3.4mm Thk

2шт.

16

825-5148

SERRATED NUT,M8, Flg Ser

6шт.

17

191216A1

SELF-TAP SCREW,Hex Wash Hd, #10-24 x 5/8"

13шт.

18

231-51409

SERRATED NUT,Flg, USR, #10-24

11шт.

19

137293A1

PLUG

Cab Roof and Floor

4шт.

20

141758A3

COVER

1шт.

21

413-416

BOLT,Hex, 1/4" - 20 x 1", Gr 5

3шт.

22

425-104

NUT,1/4"-20, Cl 5

3шт.

23

1987145C1

DECAL

Cotton Express

1шт.

24

232846A2

COVER

1шт.

25

86625129

PLUG,Dome, 1" Hole, Nylon

Antenna Hole

2шт.

26

116809A5

WINDSHIELD

Glass

1шт.

27

117707A3

CLAMP

4шт.

28

97268C1

SPACER

20шт.

29

417374A1

COVER

1шт.

30

282-17512

SCREW,Hex Wshr Hd, #10 - 16 x 3/4"

No. 10 x 3/4

6шт.

31

353-402

PLUG,Dome, .375" hole, Nylon

Exterior Trim

10шт.

32

131-839

SPRING NUT,U, #10-16, Panel type

16шт.

33

230484A1

NUT

M8 - 1, 25

4шт.

34

614-8040

BOLT,Hex, M8 x 1.25 x 40mm, Cl 8.8, Full Thd

4шт.

35

247058A1

GASKET,5mm Thk

1шт.

36

252044A1

LARGE PLATE

PLATE, LARGE Cab Frame, Outlet

1шт.

37

191216A1

SELF-TAP SCREW,Hex Wash Hd, #10-24 x 5/8"

8шт.

38

353-400

PLUG,Dome, .250" hole, Nylon

Cab Exterior

4шт.

39

495-11041

WASHER,0.406" ID x 0.812" OD x 0.065" W

(13/32 x 13/16 x 1/16")

6шт.

40

829-1408

NUT,Hex, M8 x 1.25, Cl 10.9

4шт.

41

253213A1

COVER

1шт.

42

252676A1

GASKET,5mm Thk

1шт.

43

251548A1

TAPE

63,5 mm (2-1/2 in), Cut From 251550A1

3шт.

43

251549A1

TAPE

160 mm (6-1/4 in), Cut From 251550A1

1шт.

44

447209A1

DECAL

76.2 mm (3 in) Diameter, Not Illustrated

2шт.

45

195-81026

WASHER,.266" x 13/16" x .079"

17/64 x 13/16 x 5/64

2шт.

Выбрано товаров: 0