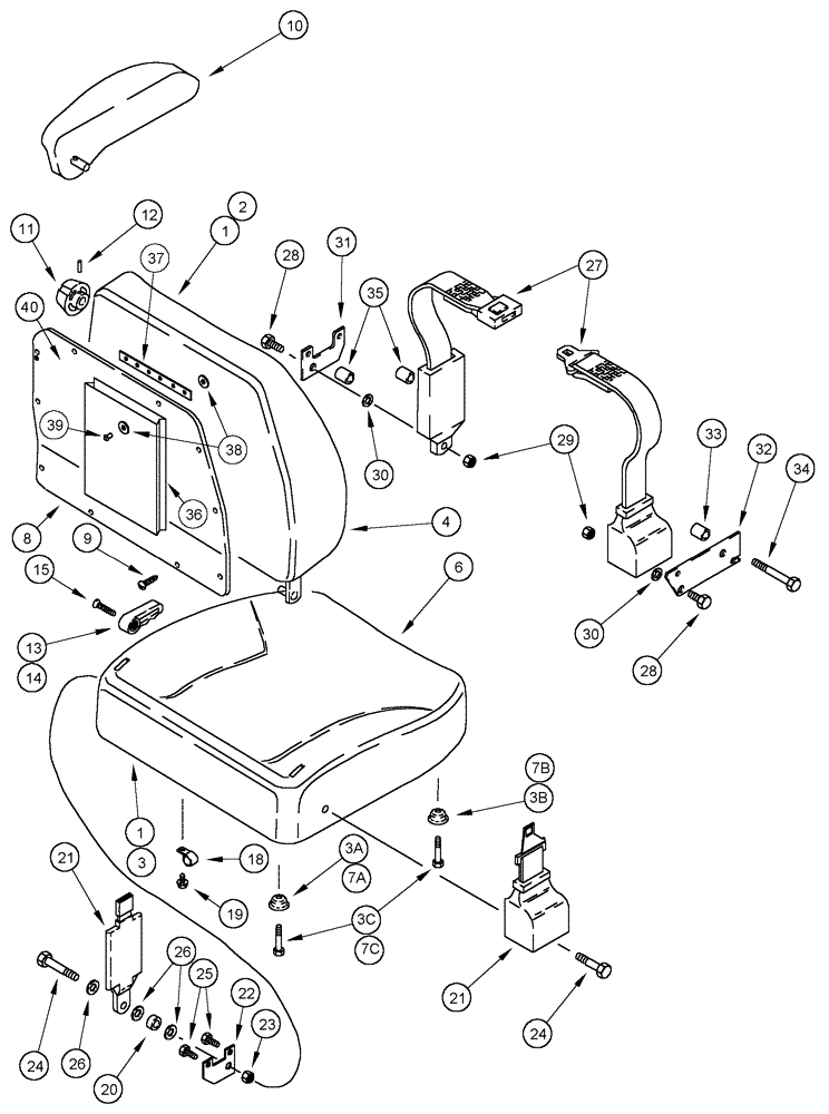
Запчасти Case IH CPX610 (09E-11) - SEAT, OPERATOR - CUSHIONS AND KNOBS (10) - CAB & AIR CONDITIONING

Схема запчастей Case IH CPX610 - (09E-11) - SEAT, OPERATOR - CUSHIONS AND KNOBS (10) - CAB & AIR CONDITIONING
35
3
15
19
32
25
1
3c
14
2
30
30
21
39
27
33
22
7a
7b
3b
26
24
11
34
9
38
24
11
13
36
20
21
18
26
4
8
29
6
12
3a
40
282
10
1
7c
23
31
FIT
1:1
100%

Артикул

Название

Примечание

Количество

180577A4

SEAT ASSY.

Inc. 1 - 19, 27 - 35

1шт.

Inc. Figures 9E-12, 9E-13

1шт.

1

134181A2

PACKAGE

Seat Cushion and Backrest, Without Armrest, Complete

1шт.

2

132886A1

BACKREST

Inc. Lumbar Knob, Without Armrest

1шт.

132888A2

PACKAGE

Seat Cushion, Inc. 3 - 3C

1шт.

3

NSS

NOT SOLD SEPARAT

CUSHION

1шт.

3a

187006A1

CUP

5/8

2шт.

3b

700711545

CUP WASHER

3/8

2шт.

3c

413-532

BOLT,Hex, 5/16" - 18 x 2", Gr 5

4шт.

132884A1

BACKREST

Backrest Pad, Inc. 4, 5

1шт.

4

NSS

NOT SOLD SEPARAT

PAD

1шт.

5

NSS

NOT SOLD SEPARAT

RING, Not Illustrated

25шт.

223395A1

PACKAGE

Cushion, Seat, Inc. 6 - 7C

1шт.

6

NSS

NOT SOLD SEPARAT

PAD

1шт.

7

NSS

NOT SOLD SEPARAT

RING, Not Illustrated

25шт.

7a

187006A1

CUP

5/8

2шт.

7b

700711545

CUP WASHER

3/8

2шт.

7c

413-532

BOLT,Hex, 5/16" - 18 x 2", Gr 5

4шт.

445823A1

PACKAGE

Backrest Cover and Retainers, Inc. 8, 9, 36 - 39

1шт.

8

NSS

NOT SOLD SEPARAT

COVER

1шт.

9

1999693C1

KIT

Clip, Package Of 14

1шт.

10

1981818C1

ARMREST

Left Hand

1шт.

1999691C1

PACKAGE,SERVICE

Seat Knob, Upper, Inc. 11 - 17

1шт.

11

NSS

NOT SOLD SEPARAT

Knob

1шт.

12

38-31016

PIN,5/32" x 1", Coiled

2шт.

13

NSS

NOT SOLD SEPARAT

KNOB, Backrest Tilt

1шт.

14

NSS

NOT SOLD SEPARAT

KNOB, Recliner

1шт.

15

NSS

NOT SOLD SEPARAT

SCREW

1шт.

16

NSS

NOT SOLD SEPARAT

KNOB, Seat Tilt, Not Used In This Application, Not Illustrated

1шт.

17

NSS

NOT SOLD SEPARAT

KNOB, Fore/Aft, Not Used In This Application, Not Illustrated

1шт.

18

NSS

NOT SOLD SEPARAT

CLAMP

1шт.

19

281-14512

SELF-TAP SCREW,Hex Wash Hd, #10 x 3/4"

1шт.

293563A1

PACKAGE

Seat Belt, Inc. 27 - 35

1шт.

27

279671A1

SAFETY BELT ,48.00 mm W

1шт.

28

414-716

BOLT,Hex, 7/16" - 20 x 1", Gr 5

2шт.

29

231-5447

FLANGE NUT,Flg, 7/16"-20

2шт.

30

495-21044

WASHER,3/8"

(7/16 x 1 x 5/64)

2шт.

31

NSS

NOT SOLD SEPARAT

BRACKET

1шт.

32

NSS

NOT SOLD SEPARAT

BRACKET

1шт.

33

NSS

NOT SOLD SEPARAT

SPACER

1шт.

34

414-756

BOLT,Hex, 7/16" - 20 x 3-1/2", Gr 5

7/16 NF x 3-1/2

1шт.

35

NSS

NOT SOLD SEPARAT

SPACER

2шт.

445823A1

PACKAGE

Back Cover Service, Inc. 9, 36 - 40

1шт.

36

430251A1

HOLDER

Operators Manual

1шт.

37

430254A1

STRIP

1шт.

38

495-31022

WASHER,#10

12шт.

39

430253A1

RIVET

6шт.

40

NSS

NOT SOLD SEPARAT

COVER, Seat Back

1шт.

176091A1

PACKAGE,SERVICE

Hog Ring, Package of 50

1шт.

Выбрано товаров: 0