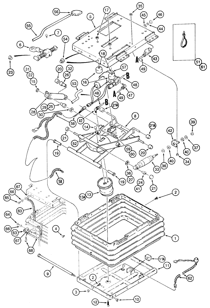
Запчасти Case IH CPX610 (09E-13) - SEAT, OPERATOR - AIR SUSPENSION (10) - CAB & AIR CONDITIONING

Схема запчастей Case IH CPX610 - (09E-13) - SEAT, OPERATOR - AIR SUSPENSION (10) - CAB & AIR CONDITIONING
30
7
5
65
25
57
21
45
58
48
46
67
55
38
44
63
49
13a
2
34
1
20
19
35
10
8
36
19
59
39
49
11
64
26
47
27
66
17
47
4c
4
62
16
14
2
28
24
20
58
67
31
66
37
22
40
6
60
61
21a
18
32
41
43
3
15
21a
56
52
53
29
51
12
68
23
33
42
9
54
48
11a
63
21
13
FIT
1:1
100%

Артикул

Название

Примечание

Количество

180577A4

SEAT ASSY.

Inc. 1 - 68

1шт.

Includes Figures 9E-11, 9E-12

1шт.

1990647C2

KIT

Boot, Suspension, Inc. 1 - 40

1шт.

1

NSS

NOT SOLD SEPARAT

BOOT

1шт.

132872A1

KIT

Incl. 2 - 4

1шт.

2

NSS

NOT SOLD SEPARAT

FASTENER

20шт.

3

NSS

NOT SOLD SEPARAT

NUT

3шт.

4

NSS

NOT SOLD SEPARAT

CLIP

3шт.

180590A2

SUSPENSION

Suspension Service, Inc. 5 - 62

1шт.

5

180591A1

PLATE

Upper

1шт.

6

180592A1

SHOCK ABSORBER

Isolator

1шт.

7

276-24812

SELF-TAP SCREW,5/16" - 18 x 3/4"

2шт.

8

1990643C1

FRAME ASSY

1шт.

9

A49529

SHAFT

1шт.

10

231-4206

LOCK NUT,Hex, 3/8"-16, GB

1шт.

11

226560A1

HOUSING

Lower, Also Order 132872A1, A45054

1шт.

11a

A45054

BUMPER,Neoprene

1шт.

12

443-13812

SCREW,Cross Flat Hd, 3/8"-16 x 3/4"

1шт.

197793A1

SPRING

Air Spring, Inc. 13, 13A

1шт.

13

NSS

NOT SOLD SEPARAT

SPRING

1шт.

13a

NSS

NOT SOLD SEPARAT

CLAMP

1шт.

14

413-68

BOLT,Hex, 3/8" - 16 x 1/2", Gr 5

1шт.

15

131-425

PUSH-ON NUT,Push, 1/2"

1шт.

180593A1

KIT

Bumper, Inc. 16 - 18

2шт.

16

NSS

NOT SOLD SEPARAT

BUMPER

2шт.

17

231-1444

NUT,1/4"-20, GB

2шт.

18

340-12520

SCREW,Cross Pan Hd, 1/4"-20 x 1 1/4"

2шт.

180594A3

KIT

Rollers and Bearings, Inc. 19 - 27

1шт.

19

NSS

NOT SOLD SEPARAT

BUSHING

2шт.

20

NSS

NOT SOLD SEPARAT

ROLLER

2шт.

21

NSS

NOT SOLD SEPARAT

ROLLER

4шт.

21a

NSS

NOT SOLD SEPARAT

ROLLER

2шт.

22

131-425

PUSH-ON NUT,Push, 1/2"

1шт.

23

NSS

NOT SOLD SEPARAT

BEARING, Pivot

1шт.

24

NSS

NOT SOLD SEPARAT

BEARING, Pivot

1шт.

25

NSS

NOT SOLD SEPARAT

BEARING, Pivot

1шт.

26

NSS

NOT SOLD SEPARAT

BEARING, Pivot

1шт.

27

NSS

NOT SOLD SEPARAT

SPACER

1шт.

1344250C2

KIT

Shock Absorber, Inc. 28 - 32

1шт.

28

NSS

NOT SOLD SEPARAT

SHOCK ABSORBER

1шт.

29

NSS

NOT SOLD SEPARAT

BEARING, Pivot

1шт.

30

A45519

WASHER

1шт.

31

131-425

PUSH-ON NUT,Push, 1/2"

1шт.

32

NSS

NOT SOLD SEPARAT

BEARING, Pivot

1шт.

227546A1

KIT

Shock, Fore/Aft, Inc. 33 - 41

1шт.

33

NSS

NOT SOLD SEPARAT

SHOCK ABSORBER

1шт.

34

434-48

CARRIAGE BOLT,Sht Sq Nk, 1/4" - 20 x 1/2", Gr 5

2шт.

35

231-1444

NUT,1/4"-20, GB

2шт.

36

495-11041

WASHER,0.406" ID x 0.812" OD x 0.065" W

(13/32 x 13/16 x 1/16")

2шт.

37

NSS

NOT SOLD SEPARAT

WASHER

1шт.

38

NSS

NOT SOLD SEPARAT

SPACER

1шт.

39

230-4715

LOCK NUT,5/16"-24, GA

1шт.

40

A49679

BUSHING

2шт.

41

NSS

NOT SOLD SEPARAT

BEARING, Pivot

1шт.

42

1981845C1

ANGLE

1шт.

1981852C3

SWITCH

Air Control, Inc. 43 - 46

1шт.

43

NSS

NOT SOLD SEPARAT

SWITCH

1шт.

44

NSS

NOT SOLD SEPARAT

NUT

1шт.

45

493-11065

LOCK WASHER,Ext-Int Tooth, 5/8"

1шт.

46

1987186C2

KNOB

1шт.

1990548C4

KIT

Inc. 47 - 52

1шт.

47

NSS

NOT SOLD SEPARAT

ELBOW, 90

2шт.

48

NSS

NOT SOLD SEPARAT

TUBE, 1/4 x 11-5/8

1шт.

49

NSS

NOT SOLD SEPARAT

TUBE, 1/4 x 28

1шт.

51

L18337

CABLE TIE,9.95"-12.1" lg

CABLE STRAP 15 in

4шт.

52

NSS

NOT SOLD SEPARAT

CLAMP

1шт.

53

179026A1

TUBE

3/8 ID x 24-1/4

1шт.

54

133422A1

BUMPER

2шт.

55

180596A2

LEVER

1шт.

56

180597A2

HANDLE

1шт.

358903A1

COMPRESSOR

Inc. 57 - 61

1шт.

57

NSS

NOT SOLD SEPARAT

COMPRESSOR

1шт.

58

180599A1

WIRE HARNESS

1шт.

59

495-31022

WASHER,#10

2шт.

60

440-1086

SCREW,Cross Pan Hd, #8-32 x 3/8"

2шт.

61

L18337

CABLE TIE,9.95"-12.1" lg

CABLE STRAP 15 in

6шт.

62

180601A1

WIRE HARNESS

1шт.

291280A1

KIT

Ground Strap, Inc. 63 - 68

1шт.

63

NSS

NOT SOLD SEPARAT

STRAP, Ground

1шт.

64

NSS

NOT SOLD SEPARAT

SCREW, No. 12 x 3/4

1шт.

65

NSS

NOT SOLD SEPARAT

SCREW, No. 12 x 1/2

1шт.

66

NSS

NOT SOLD SEPARAT

WASHER

2шт.

67

NSS

NOT SOLD SEPARAT

WASHER, Lock

2шт.

68

NSS

NOT SOLD SEPARAT

STRAP, Tie Down

2шт.

Выбрано товаров: 0