Запчасти Case IH CPX610 (09E-20) - AIR CONDITIONING SYSTEM - COMPRESSOR MOUNTING AND DRIVE (10) - CAB & AIR CONDITIONING

Схема запчастей Case IH CPX610 - (09E-20) - AIR CONDITIONING SYSTEM - COMPRESSOR MOUNTING AND DRIVE (10) - CAB & AIR CONDITIONING
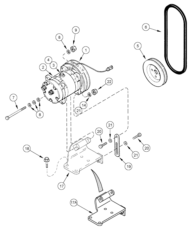
21
20
1
5
20
21
17a
8
22
2
18
8
21
14
3
9
17
7
19
4
6
FIT
1:1
100%

Артикул

Название

Примечание

Количество

1999755C3

COMPRESSOR

Air Conditioning, Inc. 1 - 4

1шт.

86993462R

REMAN-COMPRESSOR

CPX610; Reman For New P/N 1999755C3

1шт.

86993462C

CORE-COMPRESSOR

Return Part Number

1шт.

1999755C3R

REMAN-A/C COMPRESSOR

Inc.- 8 Mounting Holes, 2 Groove Pulley, For Use w/HFC134A Refrigerant

1шт.

1999755C3C

CORE-COMPRESSOR

Return Part Number

1шт.

48017123R

REMAN-A/C COMP KIT

Reman Kit -- A/C Compressor, Receiver-Dryer, Valve

1шт.

48017123C

REMAN-A/C COMP KIT

Return Part Number

1шт.

1

135324A2

CLUTCH

1шт.

2

NSS

NOT SOLD SEPARAT

COMPRESSOR

1шт.

3

A49667

PLUG

1шт.

4

128483A1

O-RING,1.78mm Thk x 7.65mm ID, 70 Duro

5/16 ID x 1/16

1шт.

5

431716A1

PULLEY,147mm OD

Compressor Drive, Replaces A189155

1шт.

6

131403C1

V-BELT,0.50" W x 38.50" L

Drive

1шт.

7

814-10130

BOLT,Hex, M10 x 1.5 x 130mm, Cl 8.8

1шт.

9

832-41310

NUT,M10 x 1.5, Cl 10

1шт.

17

237872A2

SUPPORT

Compressor Mounting, Serial Range: -JJC0250100

1шт.

17a

237872A3

BRACKET

Compressor Mounting, Start Serial: JJC0250100

1шт.

18

905-10025

BOLT,Hex Flg, M10 x 25mm

4шт.

19

84716C1

SUPPORT

Adjusting

1шт.

20

614-10035

BOLT,Hex, M10 x 1.5 x 35mm, Cl 8.8, Full Thd

2шт.

21

896-16010

WASHER,11mm ID x 24mm OD x 3mm Thk

11 x 24 x 3 mm

3шт.

22

832-41310

NUT,M10 x 1.5, Cl 10

1шт.

8

895-15010

WASHER,11mm ID x 24mm OD x 2mm Thk

4шт.

Выбрано товаров: 23