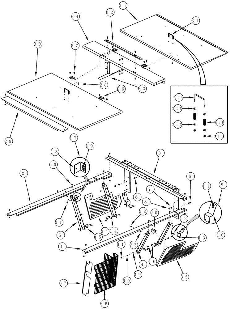
Запчасти Case IH CPX610 (09F-02) - FRONT DECK - ACCESS DOORS AND FAN SHIELDS (12) - CHASSIS

Схема запчастей Case IH CPX610 - (09F-02) - FRONT DECK - ACCESS DOORS AND FAN SHIELDS (12) - CHASSIS
27
26
21
16
9
39
18
1
30
33
19
12
14
6
28
2
20
31d
20
31c
31a
3
13
22
4
7
31c
17
32
31b
24
23
41
8
6
34
11
36
40
37
5
29
10
31
15
35
25
FIT
1:1
100%

Артикул

Название

Примечание

Количество

1

298059A1

SUPPORT

Right Hand

1шт.

2

412710A2

SUPPORT

Left Hand, Serial Range: -JJC0250200

1шт.

2

412710A3

SUPPORT

Left Hand, Start Serial: JJC0250200

1шт.

3

1990376C3

SUPPORT

Basket

1шт.

4

1262614C8

SUPPORT

Screen Support, Right Hand

2шт.

5

1345113C2

SUPPORT

Screen Support, Left Hand

2шт.

6

413-824

BOLT,Hex, 1/2" - 13 x 1-1/2", Gr 5

6шт.

7

80679

LOCK WASHER,1/20.507 CST ZND

6шт.

8

425-108

NUT,1/2" - 13, Gr 5

6шт.

9

414872A1

BRACKET

Fan Shield, Lower Front, Inc. 10, 11

2шт.

10

414873A1

BRACKET

1шт.

11

1326406C1

PEDESTAL

Shield Fastener

1шт.

12

905-10025

BOLT,Hex Flg, M10 x 25mm

5шт.

13

825-51410

FLANGE NUT,M10, Flg Ser

5шт.

14

177559A1

SUPPORT

Fan Shield, Front Left Hand Side, Rear Right Hand Side

2шт.

15

177560A1

SUPPORT

Fan Shield, Front Left Hand Side, Rear Right Hand Side

2шт.

16

847-3825

SERRATED SCREW,M8 x 25mm, Cl 10.9

M8 x 25, 10.9, Serial Range: -JJC0250200

8шт.

16

477-73116

SERRATED SCREW,Truss HD, 5/16" - 18 x 1"

5/16 x 1, Start Serial: JJC0250200

8шт.

17

414874A1

BRACKET

Fan Shield, Upper Rear, Inc. 18, 19

2шт.

18

414875A1

BRACKET

1шт.

19

1326406C1

PEDESTAL

1шт.

20

847-3616

SERRATED SCREW,Sl Truss, M6 x 16mm, Cl 10.9

M6 x 16; 10.9, Serial Range: -JJC0250200

6шт.

20

477-82512

SERRATED SCREW,Sl Truss Hd, 1/4" - 20 x 3/4"

1/4 x 3/4, Start Serial: JJC0250200

6шт.

21

825-5146

SERRATED NUT,M6, Flg Ser

, Serial Range: -JJC0250200

6шт.

21

231-5144

SERRATED NUT,Flg, USR, 1/4"-20

, Start Serial: JJC0250200

6шт.

22

847-3816

SERRATED SCREW,Sl Truss, M8 x 16mm, Cl 10.9

, Serial Range: -JJC0250200

1шт.

22

477-73112

SERRATED SCREW,Sl Truss Hd, 5/16" - 18 x 3/4"

, Start Serial: JJC0250200

1шт.

23

825-5148

SERRATED NUT,M8, Flg Ser

, Serial Range: -JJC0250200

1шт.

23

231-5145

SERRATED NUT,Flg, USR, 5/16"-18

, Start Serial: JJC0250200

1шт.

24

323826A1

CHANNEL

Hinge Support

1шт.

25

372153A1

DOOR ASSY.

Fan Access

1шт.

26

215720C1

HINGE

4шт.

27

847-3820

SERRATED SCREW,M8 x 20mm, Cl 10.9

M8 x 20, 10.9, Serial Range: -JJC0250200

16шт.

27

477-73112

SERRATED SCREW,Sl Truss Hd, 5/16" - 18 x 3/4"

, Start Serial: JJC0250200

16шт.

28

825-5148

SERRATED NUT,M8, Flg Ser

, Serial Range: -JJC0250200

16шт.

28

231-5145

SERRATED NUT,Flg, USR, 5/16"-18

, Start Serial: JJC0250200

16шт.

29

302639A1

CHANNEL

Hinge Support

1шт.

30

1988797C1

GUARD

Radiator Access, Serial Range: -JJC0250200

1шт.

30

1988797C2

GUARD

Radiator Access, Start Serial: JJC0250200

1шт.

31

1278124C1

HANDLE

, Serial Range: -JJC0250200

2шт.

31

87408511

HANDLE

Inc. 31A - 31D, Start Serial: JJC0250200

2шт.

31a

87408512

HANDLE

, Start Serial: JJC0250200

1шт.

31b

231-5344

FLANGE NUT,Flg, 1/4"-20

, Start Serial: JJC0250200

2шт.

31c

495-21031

WASHER,1/4"

5/16 x 3/4 x 1/16, Start Serial: JJC0250200

4шт.

31d

87408513

SPRING

, Start Serial: JJC0250200

2шт.

32

429207A1

GUIDE

Chain

1шт.

33

372170A1

DEFLECTOR

Trash

1шт.

34

411837A3

PLATE ASSY.

Fan Shield, Left Hand

1шт.

35

411838A3

PLATE ASSY.

Fan Shield, Right Hand

1шт.

36

353159A1

SHIELD

Fan, Right Hand

1шт.

37

394803A2

PANEL

Heat

1шт.

38

126396A1

CABLE

Shield Anchor, Not Illustrated

1шт.

39

495-11034

WASHER,5/16", SAE

(11/32 x 11/16 x 1/16"), Start Serial: JJC0250200

8шт.

40

492-11031

LOCK WASHER,5/16"

, Start Serial: JJC0250200

8шт.

41

425-105

NUT,5/16"-18, G5

, Start Serial: JJC0250200

8шт.

Выбрано товаров: 55