Запчасти Case IH CPX610 (09A-24) - PLANT COMPRESSOR - BSN JJC0250100 (13) - PICKING SYSTEM

Схема запчастей Case IH CPX610 - (09A-24) - PLANT COMPRESSOR - BSN JJC0250100 (13) - PICKING SYSTEM
14
30
22
31
33
27
7
5
3
6
2
23
15
16
23
8
6
25
24
1
9
7
40
6
22
8
16
4
21
24
12
39
32
32
33
15
11
8
8
14
15
10
15
5
13
21
2a
26
6
38
37
8
FIT
1:1
100%

Артикул

Название

Примечание

Количество

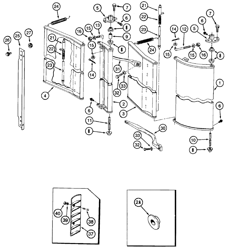
1

1546337C2

GUIDE

Front, Right Hand

1шт.

2

1546345C2

GUIDE

Rear, Right Hand

1шт.

2a

133098A2

BUSHING,9.78mm ID x 12.3mm OD x 9.73mm L

2шт.

3

1546340C1

EXTENSION

Front

1шт.

4

1546348C1

EXTENSION

Rear

1шт.

5

216542C1

HUB

Torsion

2шт.

6

485-1258

SET SCREW,Sq Hd, 1/4"-20 x 1/2"

1/4 x 1/2

4шт.

7

413-616

BOLT,Hex, 3/8" - 16 x 1", Gr 5

2шт.

8

216544C1

BUSHING

6шт.

9

86982778

SPACER,15.8mm ID x 21.34mm OD x 46.02mm L

5/8 ID x 1-13/16

1шт.

10

1982784C1

TORSION BAR

Front

1шт.

11

1982785C1

TORSION BAR

Rear

1шт.

12

669752R1

ADJUSTMENT ROD

Front

2шт.

13

216543C1

ADJUSTMENT ROD

Rear

2шт.

14

432-812

COTTER PIN,3/4" OAL x 1/8" W

4шт.

15

495-21044

WASHER,3/8"

(7/16 x 1 x 5/64)

4шт.

16

131-463

NUT,3/8"-16

4шт.

21

673851R3

ROD

Extension

2шт.

22

10322R

SPRING

Compression

2шт.

23

1982712C1

STEM

Hinge

2шт.

24

1338869C2

SPRING,162mm Free Length

Extension

2шт.

25

1982806C2

SUPPORT

1шт.

26

409-7612

BOLT,3/8"-16 x 1.09" OAL

2шт.

27

231-5146

FLANGE NUT,3/8"-16

2шт.

30

216828C2

GUIDE

Left Hand

17шт.

31

216829C2

GUIDE

Right Hand

17шт.

32

413-512

BOLT,Hex, 5/16" - 18 x 3/4", Gr 5

34шт.

33

87058C1

BELLEVILLE WASHER

34шт.

37

667386R2

PLATE

Compressor

6шт.

38

474-12510

SCREW,FLAT, 1/4" - 28 x 5/8"

1/4 NF x 5/8

18шт.

39

492-11025

LOCK WASHER,1/4"

18шт.

40

425-114

NUT,1/4"-28, G5

18шт.

42

434-612

CARRIAGE BOLT,Sht Sq Nk, 3/8" - 16 x 3/4", Gr 5

3/8 x 3/4

2шт.

43

231-5146

FLANGE NUT,3/8"-16

2шт.

Выбрано товаров: 0