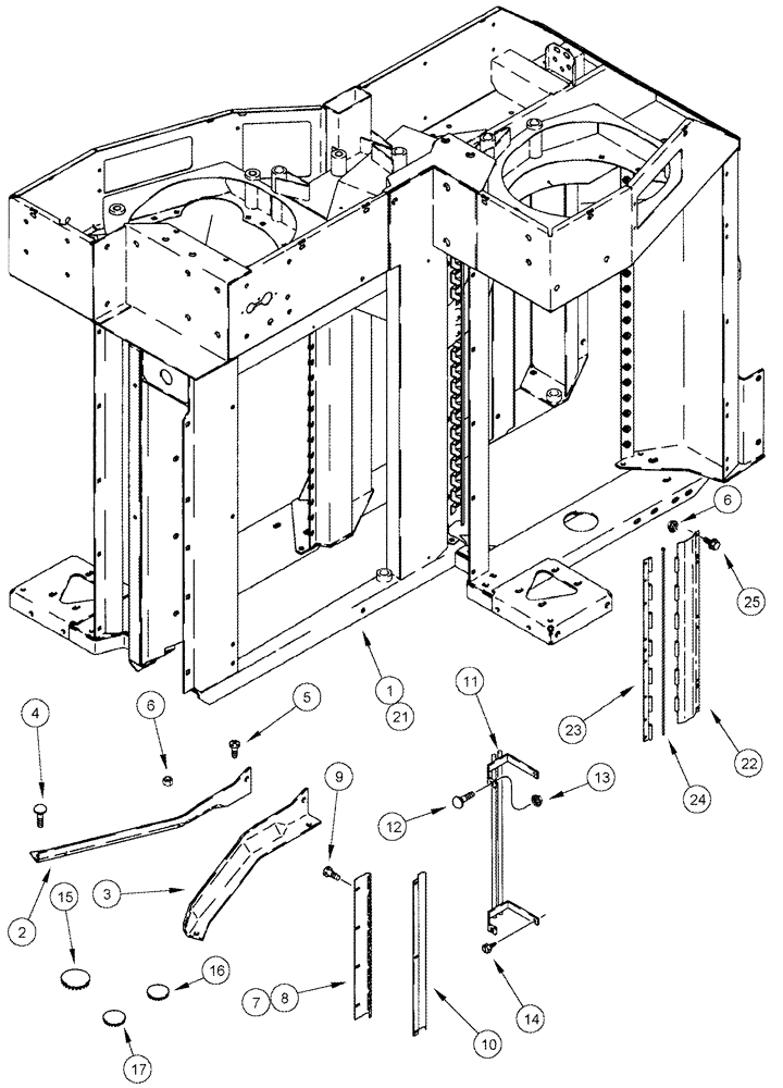
Запчасти Case IH CPX610 (09A-32A) - DRUM HOUSING SERVICE KIT (13) - PICKING SYSTEM

Схема запчастей Case IH CPX610 - (09A-32A) - DRUM HOUSING SERVICE KIT (13) - PICKING SYSTEM
24
13
21
5
17
3
15
6
14
22
8
10
2
7
23
25
6
4
16
12
1
9
11
FIT
1:1
100%

Артикул

Название

Примечание

Количество

1545965C5

FRAME

Drum Housing Service Kit. Inc. 1 - 6, Also Includes: See Figure(s) 09A-19, Ref. 33 - 37; 09A-24, Ref. 30 - 33; 09A-31A, Ref. 10 - 19

1шт.

1

NSS

NOT SOLD SEPARAT

HOUSING, Drum Frame

1шт.

2

1990342C2

ANGLE BAR

Wear, Left Hand

2шт.

3

1990343C2

ANGLE BAR

Wear, Right Hand

2шт.

4

434-612

CARRIAGE BOLT,Sht Sq Nk, 3/8" - 16 x 3/4", Gr 5

3/8 x 3/4

4шт.

5

477-73116

SERRATED SCREW,Truss HD, 5/16" - 18 x 1"

5/16 x 1

4шт.

6

425-106

NUT,3/8"-16, Cl 5

8шт.

7

1990345C1

PLATE

Vine Knife, Slat Bar Post, Right Hand

1шт.

8

1988970C2

PLATE

Vine Knife, Slat Bar Post, Left Hand

1шт.

9

477-73108

SERRATED SCREW,Sl Truss Hd, 5/16" - 18 x 1/2"

5/16 x 1/2

8шт.

10

1990349C1

PLATE

Vine Knife, Trash Post, Left Hand and Right Hand

2шт.

11

108497A1

GRATE

Trash

1шт.

12

411-512

CARRIAGE BOLT,Sq Nk, 5/16" - 18 x 3/4", Gr 2

5/16 x 3/4; 2

2шт.

13

231-5145

SERRATED NUT,Flg, USR, 5/16"-18

2шт.

14

276-1478

SELF-TAP SCREW,Hex Hd, 1/4" x 1/2"

1/4 st x 1/2

2шт.

431246A1

PACKAGE

Completing Parts, Inc. 15 (2), 16 (4), 17 (2)

1шт.

15

223796C2

PLUG

13/32 ID

8шт.

16

205-78

HOLE PLUG BUTTON,9/32"

9/32 ID

7шт.

17

205-80

HOLE PLUG BUTTON,11/32"

11/32 ID

6шт.

18

353-426

PLUG,1" Hole, Nylon

Not Illustrated

2шт.

22

1982598C3

HINGE

Doffer Post, Large

2шт.

23

1982599C1

HINGE

Doffer Post, Small

2шт.

24

1982600C1

PIN,7.94mm OD x 962mm L

Doffer Post Hinge

2шт.

25

409-7612

BOLT,3/8"-16 x 1.09" OAL

10шт.

Выбрано товаров: 24