Запчасти Case IH CPX610 (09C-07) - FRONT FAN IDLER PULLEY LINKAGE (15) - HANDLING SYSTEM

Схема запчастей Case IH CPX610 - (09C-07) - FRONT FAN IDLER PULLEY LINKAGE (15) - HANDLING SYSTEM
12
3
8
7
13
26
17
18
6
2
20
10
11
28
27
5
16
15
4
1
22
23
21
2
FIT
1:1
100%

Артикул

Название

Примечание

Количество

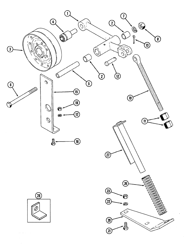
1

1338318C1

ARM

Idler, Inc. 2 - 4

1шт.

2

289588R1

BUSHING

1шт.

3

1315091C1

PULLEY

1шт.

4

559205R91

BEARING ASSY,15.92 mm ID x 30 mm OD x 82.55 mm

1шт.

5

1345004C1

SPACER

Idler Pivot

1шт.

6

413-896

BOLT,Hex, 1/2" - 13 x 6", Gr 5

1/2 x 6

1шт.

7

80679

LOCK WASHER,1/20.507 CST ZND

1шт.

8

425-108

NUT,1/2" - 13, Gr 5

1шт.

10

1338314C1

EYEBOLT

BOLT, EYE Adjusting

1шт.

11

425-1010

NUT,5/8"-11, G5

2шт.

12

439-5832

HEADED PIN,12.7mm OD x 50.8mm L

1/2 x 2

1шт.

13

432-1216

COTTER PIN,3/16" x 1"

1шт.

15

1982261C2

SUPPORT

Idler Pivot, Rear

1шт.

16

413-516

BOLT,Hex, 5/16" - 18 x 1", Gr 5

2шт.

17

492-11031

LOCK WASHER,5/16"

2шт.

18

425-105

NUT,5/16"-18, G5

2шт.

20

341273A1

SUPPORT

Idler Spring, Replaces 1338317C2, Also Order 1345002C2 & 341428A1

1шт.

21

413-616

BOLT,Hex, 3/8" - 16 x 1", Gr 5

2шт.

22

492-11038

LOCK WASHER,3/8"

2шт.

23

425-106

NUT,3/8"-16, Cl 5

2шт.

26

1315247C1

SPRING

Idler Tension

1шт.

27

1345002C2

SPACER

Idler Spring

1шт.

28

341428A1

LOCK

Idler Spring

1шт.

Выбрано товаров: 23