Запчасти Case IH CPX610 (02-22) - ENGINE CYLINDER BLOCK (01) - ENGINE

Схема запчастей Case IH CPX610 - (02-22) - ENGINE CYLINDER BLOCK (01) - ENGINE
4
3
4
14
4
32
16
31
9
10
11
30
36
34
7
35
18
2
13
5
15
1
6
19
29
8
21
17
14
12
4
20
37
FIT
1:1
100%

Артикул

Название

Примечание

Количество

124701A1

ENGINE

ENGINE ASSEMBLY, Complete, 340 hp, 6TAA-8304, Less : Starter, Alternator, Fan, Fan Belt, Air Cleaner, Muffler and Exhaust Pipe, Order 409463A1

1шт.

409463A1

BASIC ENGINE

8.3L, 24 Valve, 6 Cyl.

1шт.

409463A1R

REMAN-BASIC ENGINE

CPX610

1шт.

409463A1C

CORE-BASIC ENGINE

Return Part Number

1шт.

84252738R

REMAN-BASIC ENGINE

1шт.

84252738C

CORE-BASIC ENGINE

Return Part Number

1шт.

J991308

SHORT ENGINE

6TAA-8304 Emissions Certified Engine, With: Stripped Short Block, Pistons, Connecting Rods and Bearings, Crankshaft and Bearings, Inc. 1 - 8

1шт.

JR991308

REMAN-SHORT ENGINE

1шт.

6830SHBC

CORE-SHORT ENGINE

Return Part Number Engine, Short Block Cyl.

1шт.

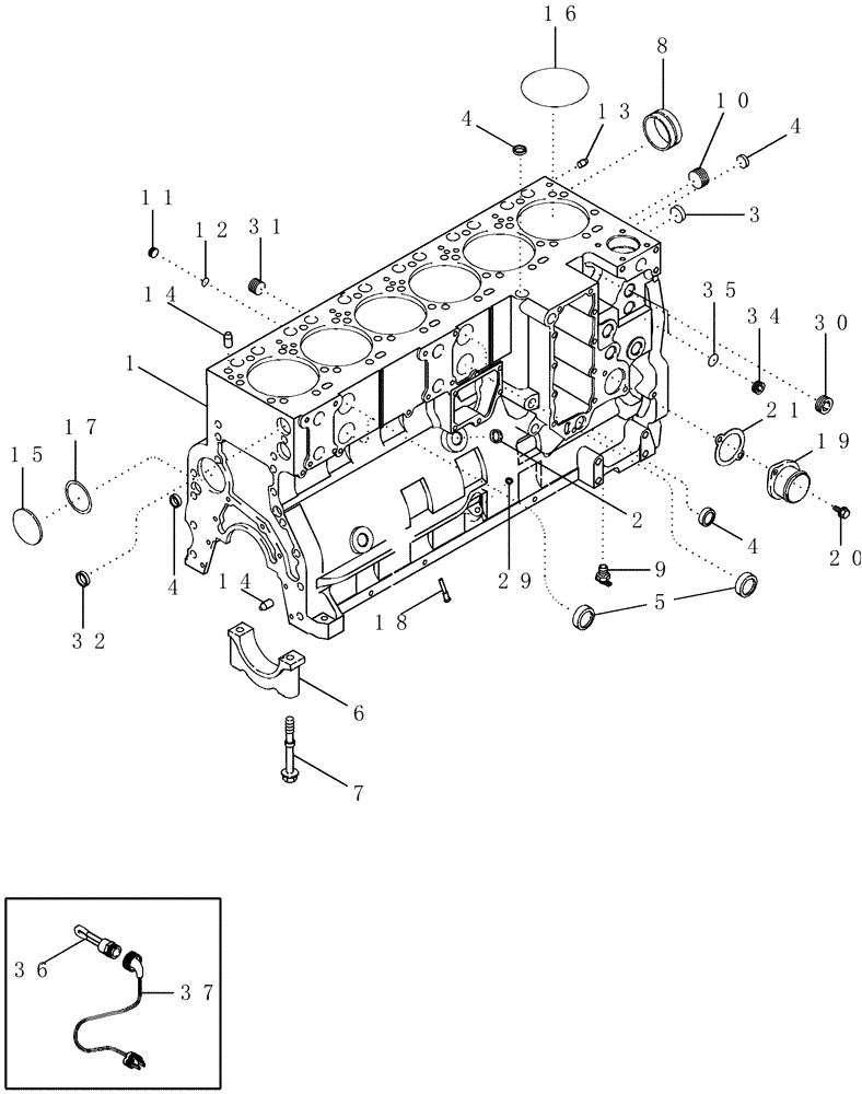
1

J939299

BASIC BLOCK

Stripped, Also Order J800332 and J945967, Inc. 3 - 8

1шт.

2

J920706

PLUG

22 mm OD

1шт.

3

A77586

PLUG

28.9 mm

2шт.

4

A77506

PLUG

21 mm

4шт.

5

J905401

PLUG

35 mm

4шт.

6

J936058

BEARING CAP

7шт.

7

J916369

FLANGE BOLT,Hex, M14 x 2 x 128mm, Cl 10.9

14шт.

8

J945329

CAMSHAFT BEARING,60.08mm ID x 64.13mm OD x 25mm L

See Figure 02-21

7шт.

J800332

KIT

Block, Inc. 9 - 18

1шт.

9

217-103

COCK, DRAIN

1/4" PT

1шт.

10

86625135

PLUG,1" - 11-1/2 NPT

1шт.

11

J678923

PLUG,M10 x 1

10 mm, Inc. 12

6шт.

12

86625087

O-RING,1.6mm Thk x 8.1mm ID, Cl 7, 75 Duro

8.1 ID x 1.6 mm

1шт.

13

J900257

PIN,10.01mm OD x 16mm L

16 mm

2шт.

14

J901846

PIN,12.01mm OD x 24mm L

4шт.

15

41-3044

PLUG,Exp, 2 3/4"

(70 mm)

1шт.

16

J907177

SEAL,118mm ID x 122.32mm OD x 4mm Thk

6шт.

17

J926048

O-RING,0.07" Thk x 2.614" ID, -38, Cl 5, 75 Duro

66 mm ID

1шт.

18

J928031

NOZZLE,8.5mm OD x 30mm L

12шт.

19

J944720

HYD CONNECTOR

Water Inlet

1шт.

20

845-8020

BOLT,Hvy Hex, M8 x 20mm, Cl 8.8

2шт.

21

J945603

GASKET,1.65mm Thk

1шт.

29

J943808

PLUG

22 mm

1шт.

30

263136

MAGNETIC PLUG,Sq. Soc, 3/4"-14 NPTF

PLUG, MAGNETIC

7шт.

31

217-438

PLUG,Hex Soc, 1/2" - 14 NPTF

1шт.

32

J920443

PLUG

30 mm

2шт.

34

313244A1

PLUG

Hex Socket, 22 mm, Includes 35

2шт.

35

313246A1

O-RING,2.2mm Thk x 19.3mm ID

19 ID x 2.2 mm

1шт.

310493A1

KIT

Engine Block Heater, 120V/1000W, Inc. 40, 41

1шт.

36

NSS

NOT SOLD SEPARAT

ELEMENT

1шт.

37

196466A1

ELECTRIC CABLE

1829 mm (72 in)

1шт.

310494A1

KIT

Engine Block Heater 240V/1000W, Inc. 40, 41

1шт.

36

NSS

NOT SOLD SEPARAT

ELEMENT

1шт.

37

J913112

WIRE HARNESS

305 mm (12")

1шт.

A78020

PACKAGE, REPAIR

Engine Block, Not Illustrated, See Figure 02-29

1шт.

Выбрано товаров: 44