Запчасти Case IH CPX610 (06-10) - TANDEM PUMP ASSEMBLY - HYDROSTATIC (INTERNAL PRESSURE OVERRIDE) (03) - POWER TRAIN

Схема запчастей Case IH CPX610 - (06-10) - TANDEM PUMP ASSEMBLY - HYDROSTATIC (INTERNAL PRESSURE OVERRIDE) (03) - POWER TRAIN
9
3
5
1
6
16
17
13
12
4
10
15
14
9a
10a
2
11
7
8
FIT
1:1
100%

Артикул

Название

Примечание

Количество

407438A1

HYDROSTATIC PUMP,105.4 CC

Front, Inc. 1 - 17

1шт.

Inc. Figures 06-07, 06-09, 06-10

1шт.

407439A1

HYDROSTATIC PUMP

54 cc, Rear, Inc. 1 - 17

1шт.

Inc. Figures 06-08 - 06-11

1шт.

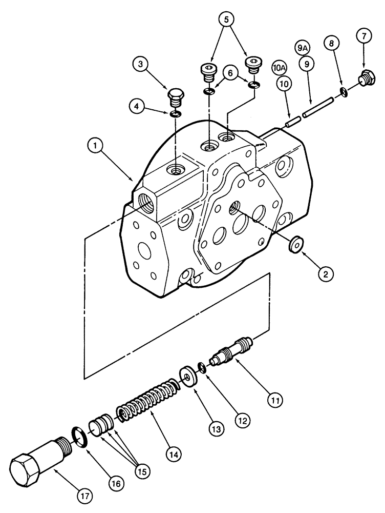
1

NSS

NOT SOLD SEPARAT

COVER

1шт.

2

1272750C1

ORIFICE

0,057 in dia, Control, Used With 407438A1

1шт.

2

1346021C1

ORIFICE

Control, Used With 407439A1

1шт.

3

9672438

PLUG,7/16" - 20 ORB

Incl. 4

1шт.

4

237-6004

O-RING,0.072" Thk x 0.351" ID, -904, Cl 6, 90 Duro

1шт.

5

278548

PLUG,Hex, 7/16"-20 ORB

Incl 6

2шт.

6

237-6004

O-RING,0.072" Thk x 0.351" ID, -904, Cl 6, 90 Duro

1шт.

1986739C1

REPAIR KIT

Spool, Internal Pressure Override, Inc. 7, 8, 9, 10, 11 - 17

1шт.

For Servicing 407438A1 Pump

1шт.

86993178

PACKAGE, REPAIR

Spool, Internal Pressure Override, Inc. 7, 8, 9A, 10A, 11 - 17

1шт.

For Servicing 407439A1 Pump

1шт.

7

218-5151

PLUG,Hex Hd, 5/16"-24 ORB

5/16 Or, Inc. 8

1шт.

8

237-6002

O-RING,0.064" Thk x 0.239" ID, -902, Cl 6, 90 Duro

1шт.

9

NSS

NOT SOLD SEPARAT

ROLLER, 38.1 mm (1-1/2 in)

1шт.

9a

NSS

NOT SOLD SEPARAT

ROLLER, 35.1 mm (1-3/8 in)

1шт.

10

NSS

NOT SOLD SEPARAT

ROLLER, 22.4 mm (7/8 in)

1шт.

10a

NSS

NOT SOLD SEPARAT

ROLLER, 14.2 mm (9/16 in)

1шт.

11

NSS

NOT SOLD SEPARAT

SPOOL

1шт.

12

238-6014

O-RING,0.07" Thk x 0.489" ID, -14, Cl 6, 90 Duro

1шт.

13

NSS

NOT SOLD SEPARAT

SPACER

1шт.

14

NSS

NOT SOLD SEPARAT

SPRING

1шт.

235419A1

SHIM KIT

Valve, Inc. 15

1шт.

15

NSS

NOT SOLD SEPARAT

SHIM, 0.002 in

1шт.

15

NSS

NOT SOLD SEPARAT

SHIM, 0.005 in

1шт.

15

NSS

NOT SOLD SEPARAT

SHIM, 0.010 in

1шт.

15

NSS

NOT SOLD SEPARAT

SHIM, 0.031 in

1шт.

15

NSS

NOT SOLD SEPARAT

SHIM, 0.062 in

1шт.

15

NSS

NOT SOLD SEPARAT

SHIM, 0.100 in

1шт.

16

237-6010

O-RING,0.097" Thk x 0.755" ID, -910, Cl 6, 90 Duro

1шт.

17

NSS

NOT SOLD SEPARAT

RETAINER

1шт.

Выбрано товаров: 0