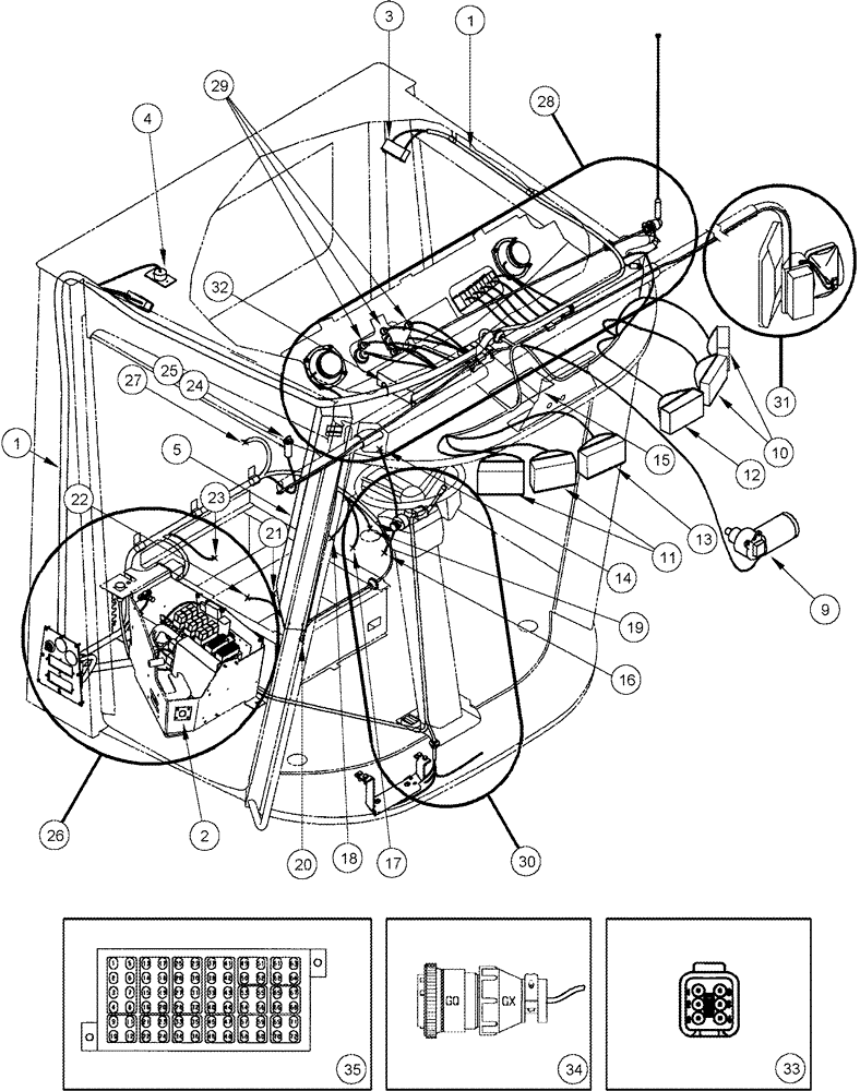
Запчасти Case IH CPX610 (04-02) - HARNESS, MAIN CAB (06) - ELECTRICAL SYSTEMS

Схема запчастей Case IH CPX610 - (04-02) - HARNESS, MAIN CAB (06) - ELECTRICAL SYSTEMS
1
26
28
29
19
23
10
34
24
22
9
5
3
13
32
2
12
20
17
35
4
25
18
1
33
16
27
14
15
11
31
21
30
FIT
1:1
100%

Артикул

Название

Примечание

Количество

1

409792A2

HARNESS

Main Cab

1шт.

See Figures 04-02 - 04-04

1шт.

2

310057A1

ELEC CONNECTOR,Male, 9 Pin

Diagnostic

1шт.

3

429726A1

COURTESY LIGHT

DOME LIGHT

2шт.

See Figure 04-22

1шт.

4

83882C91

LAMP

Console

1шт.

See Figure 04-22

1шт.

5

275640A3

CLUSTER, INSTR.

CLUSTER, INSTRUMENT

1шт.

See Figure 04-25

1шт.

9

137608A1

WIPER MOTOR

MOTOR, WIPER

1шт.

See Figure 04-24

1шт.

10

183162A1

WORK LAMP

LH, Outer, Left Centre

2шт.

See Figure 04-21

1шт.

11

138225A1

WORK LAMP

RH, Outer, Right Centre

2шт.

See Figure 04-21

1шт.

12

183161A1

WORK LAMP

High - Low, LH

1шт.

See Figure 04-21

1шт.

13

138224A1

WORK LAMP

High - Low, RH

1шт.

See Figure 04-21

1шт.

14

175435A3

BLOWER

Pressurized Blower

1шт.

See Figure 9E-14

1шт.

15

417621A1

DECAL

Overhead Fuse Block

1шт.

See Figure 9F-15

1шт.

16

122579A1

SWITCH, A/C LOW PRES

Low, Air Conditioning

1шт.

17

141336A2

CONTROL VALVE

Heater Water

1шт.

18

187678A1

SWITCH

Tether, Basket Unload

1шт.

19

REF

INSTRUCTION

Harness, Auto Guidance, If Equipped

1шт.

20

355190A1

BLOWER,12V

1шт.

20

355190A1R

REMAN-BLOWER,12V

Electronics - Other

1шт.

20

355190A1C

CORE-BLOWER,12V

Return Number, BLOWER

1шт.

21

1981852C3

SWITCH

Air Suspension Seat

1шт.

22

242306A2

SWITCH

Operator Presence System

1шт.

23

184720A2

SENSOR

Evaporator Temperature

1шт.

24

371831A1

CIGAR LIGHTER

12V, Inc. Heating Element, Serial Range: -JJC0250100

1шт.

24

432212A1

CIGAR LIGHTER

Socket Assembly, Start Serial: JJC0250100

1шт.

25

190812A1

COVER

, Start Serial: JJC0250100

1шт.

26

REF

INSTRUCTION

Harness, Pedestal, Right Hand

1шт.

See Figure 04-04

1шт.

27

REF

INSTRUCTION

Harness, Console

1шт.

See Figure 04-06

1шт.

28

REF

INSTRUCTION

Overhead Control Panel

1шт.

See Figure 04-03

1шт.

29

D71346

TAIL LAMP,12V

No. 168

4шт.

30

REF

INSTRUCTION

Harness, Steering Console

1шт.

See Figure 04-05

1шт.

31

REF

INSTRUCTION

Harness, Warning Light, Serial Range: -JJC0250100

1шт.

See Figure 9E-21

1шт.

32

702093C1

CABLE TIE

CABLE STRAP

1шт.

33

396377A1

MULTIPOLE CONNECTOR,6 Pin

Socket 6 Pin

1шт.

34

187103A1

ELEC CONNECTOR

Auxiliary Power

1шт.

35

122845A1

JUNCTION BLOCK

Feedback

1шт.

Выбрано товаров: 0