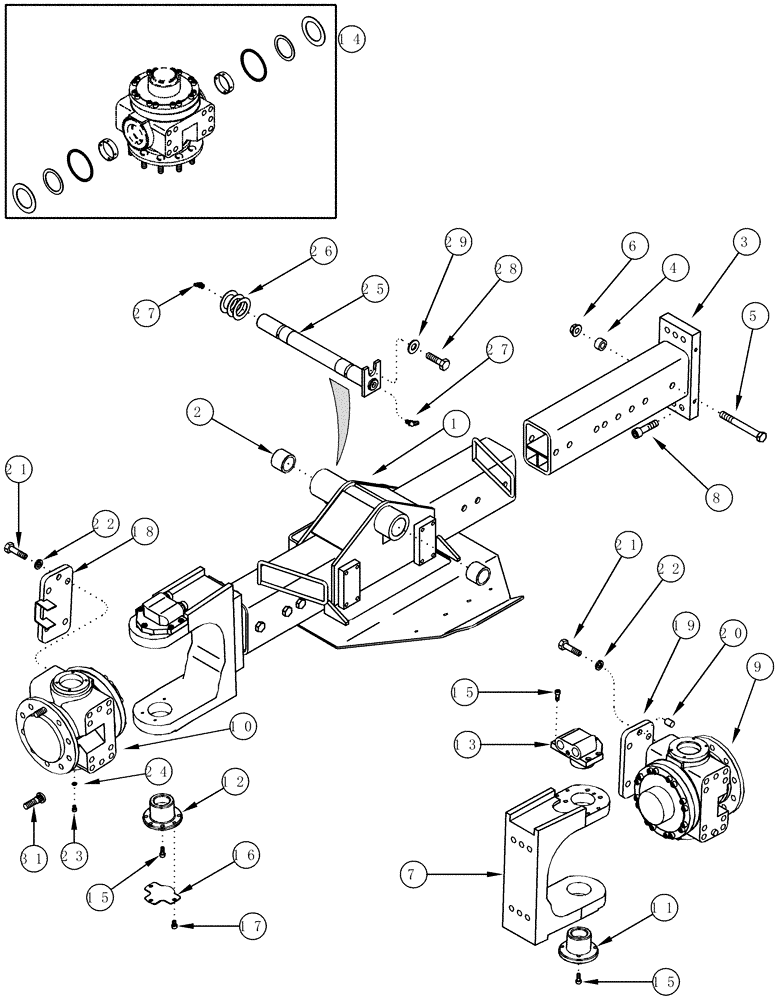
Запчасти Case IH CPX620 (05-06) - WHEEL DRIVE MOTOR MOUNTING AND STEERING PARTS - BSN Y6T011701 (04) - STEERING

Схема запчастей Case IH CPX620 - (05-06) - WHEEL DRIVE MOTOR MOUNTING AND STEERING PARTS - BSN Y6T011701 (04) - STEERING
1
8
13
15
18
25
14
12
19
2
22
27
11
3
27
23
24
21
15
9
17
20
21
29
31
15
6
7
5
26
4
22
10
16
28
FIT
1:1
100%

Артикул

Название

Примечание

Количество

280637A2

AXLE

80 in, Complete, Inc. 1 - 30, Replaces 432795A2

1шт.

Also Inc. See Figures 05-04, 05-07

1шт.

1

293325A2

AXLE

Power Guide Axle, Center, Inc. 2

1шт.

2

A177916

BUSHING,50.3mm ID x 64.96mm OD x 50mm L

2шт.

3

293326A1

EXTENSION

Rear Axle, 80 inch Axle

2шт.

4

432787A1

SPACER

Hardened

6шт.

5

828-20180

BOLT,Hex, M20 x 2.5 x 180mm, Cl 10.9

6шт.

6

829-2420

FLANGE NUT,M20 x 2.5, Flg, Cl 10

6шт.

7

293318A1

FRAME

Wheel Motor

2шт.

8

863-20080

HEX SOC SCREW,M20 x 80mm, Cl 12.9

12шт.

9

411582A1

MOTOR, HYDRAULIC

Power Guide Axle, Left Hand

1шт.

10

411581A1

MOTOR, HYDRAULIC

Power Guide Axle, Right Hand

1шт.

11

411579A1

GUIDE

King Pin, Lower

1шт.

12

400032A1

GUIDE

King Pin, Lower

1шт.

13

432698A1

GUIDE

King Pin, Upper

2шт.

13a

87423602

SEAL

Top Kingpin, Not Illustrated

2шт.

14

432790A1

SEAL KIT

Inc. Bushings, Not Illustrated

1шт.

15

863-10025

HEX SOC SCREW,M10 x 25mm, Cl 12.9

18шт.

16

400049A1

COVER

King Pin

1шт.

17

864-10016

HEX SOC SCREW,M10 x 16mm, Cl 8.8

3шт.

18

432696A1

PLATE

Solenoid

1шт.

19

432695A1

PLATE

1шт.

20

437117A1

PIN

M20 x 26

2шт.

21

628-20045

BOLT,Hex, M20 x 2.5 x 45mm, Cl 10.9, Full Thd

8шт.

22

492-11075

LOCK WASHER,3/4"

8шт.

23

864-8012

HEX SOC SCREW,M8 x 12mm, Cl 8.8

1шт.

24

492-11031

LOCK WASHER,5/16"

1шт.

25

1348230C1

PIVOT PIN,49.95mm OD x 530mm L

1шт.

26

A177854

WASHER,50.3mm ID x 90mm OD x 1.6mm Thk

Flat

3шт.

27

219-41

LUBE NIPPLE,65 Degree Elbow, 1/8" - 27 NPTF

2шт.

28

806-12030

BOLT,Hex, M12 x 1.75 x 30mm, Cl 10.9

1шт.

29

101936C2

WASHER

1шт.

30

437118A2

SOLENOID VALVE

Motor, Power Guide Axle, Inc. 30A, Not Illustrated

2шт.

30a

87403874

COIL

1шт.

31

1970151C1

STUD

20шт.

Выбрано товаров: 35