Запчасти Case IH CPX620 (04-06) - HARNESS STEERING CONSOLE AND PLATFORM (06) - ELECTRICAL SYSTEMS

Схема запчастей Case IH CPX620 - (04-06) - HARNESS STEERING CONSOLE AND PLATFORM (06) - ELECTRICAL SYSTEMS
26
19
30
20
21
24
19
29
1
20
30
12
18
9
11
27
30
25
1
28
20
16
10
21
5
15
16
18
28
17
23
3
7
8
27
2
1
17
4
1
14
29
15
1
6
FIT
1:1
100%

Артикул

Название

Примечание

Количество

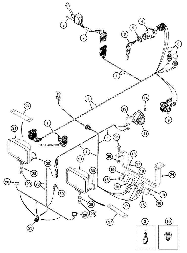
1

277603A1

WIRE HARNESS

Steering Console

1шт.

2

289862C1

CABLE TIE,3/16" x 7"

CABLE STRAP

6шт.

3

D71346

TAIL LAMP,12V

No. 168

2шт.

4

282775A1

IGNITION SWITCH

Inc. 5, 6

1шт.

5

1964785C1

NUT

1шт.

6

1964831C2

IGNITION KEY

Padded

1шт.

7

1500137C2

FLASHER SWITCH

Horn

1шт.

8

614-4008

BOLT,Hex, M4 x 0.7 x 8mm, Cl 8.8, Full Thd

2шт.

9

D67872

SWITCH

Ether Injection

1шт.

10

217-40

REDUCER,1/4"-18 NPTF x 1/8"-27 Fem NPTF

1шт.

11

237582A1

HORN

Warning

1шт.

12

614-6020

BOLT,Hex, M6 x 1 x 20mm, Cl 8.8, Full Thd

1шт.

14

825-2406

FLANGE NUT,M6 x 1, Cl 8.8

1шт.

15

127286A1

SWITCH

Emergency Brake

2шт.

16

440-11012

SCREW,Cross Pan Hd, #10-24 x 3/4"

8шт.

17

492-11010

LOCK WASHER,#10

8шт.

18

225-14110

NUT,#10-24

8шт.

19

296466A1

BRACKET

Brake Switch

2шт.

20

390404A1

HARNESS

Aftercut Lamp

1шт.

21

284718A1

LAMP,Halogen, 12V, 35W, Clear

35W, Aftercut

2шт.

See Figure 04-30

1шт.

23

515-23159

CLAMP,5/8", Insul, 3/8" Bolt

4шт.

24

296643A1

BRACKET

Brake Switch

1шт.

25

614-8025

BOLT,Hex, M8 x 1.25 x 25mm, Cl 8.8, Full Thd

4шт.

26

832-10408

NUT,M8 x 1.25, Cl 8.8

4шт.

27

284564A2

PLATE

Aftercut Lamp

2шт.

27a

426-8104

BOLT,Hex, 1/2" - 13 x 6-1/2", Gr 8

Not Illustrated

2шт.

28

80679

LOCK WASHER,1/20.507 CST ZND

2шт.

29

425-108

NUT,1/2" - 13, Gr 5

2шт.

30

493-11039

LOCK WASHER,3/8", Int-Ext Tooth

1шт.

Выбрано товаров: 30