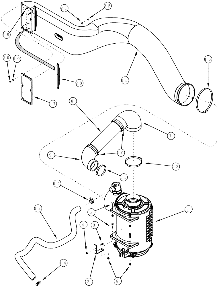
Запчасти Case IH CPX620 (02-03) - ENGINE AIR CLEANER SYSTEM (01) - ENGINE

Схема запчастей Case IH CPX620 - (02-03) - ENGINE AIR CLEANER SYSTEM (01) - ENGINE
21
18
13
2
23
22
4
5
9
10
7
8
1
11
17
20
14
19
6
14
12
16
3
15
FIT
1:1
100%

Артикул

Название

Примечание

Количество

1

87414955

AIR CLEANER

1шт.

See Figure 02-04

1шт.

2

281971A2

SUPPORT

Lower

2шт.

3

409-7516

BOLT,Hex Flg, 5/16" - 18 x 1", Spcl

4шт.

4

231-5145

SERRATED NUT,Flg, USR, 5/16"-18

4шт.

5

413-628

BOLT,Hex, 3/8" - 16 x 1-3/4", Gr 5

4шт.

6

231-1446

NUT,3/8" - 16, Gr 5

4шт.

7

281976A1

INTAKE AIR HOSE,125.50 mm ID, 152.40 mm ID x 250.00 mm

Turbo, Upper

1шт.

8

281978A1

TUBE,127 mm OD, 436 mm Length

Turbo Inlet

1шт.

9

281977A1

INTAKE AIR HOSE,101.60 mm ID, 125.50 mm ID x 166.00 mm

Turbo Lower

1шт.

10

214-3296

HOSE CLAMP,5-1/4" - 6-1/8", HD Worm, W/ Liner

2шт.

11

214-3280

HOSE CLAMP,4-1/4" - 5-1/8", HD Worm, W/ Liner

1шт.

12

214-32112

HOSE CLAMP,6-1/4" - 7-1/8", HD Worm, W/ Liner

1шт.

13

400251A1

HOSE

2170 mm (85-7/16 in)

1шт.

14

214-3240

HOSE CLAMP,1-3/4" - 2-5/8", HD Worm, W/ Liner

2шт.

15

369252A1

DUCT

Air Cleaner

1шт.

16

214-31160

HOSE CLAMP,9-1/4" - 10-1/8", HD Worm

1шт.

17

374117A1

SEAL

1шт.

18

409-7416

BOLT,Hex Flg, 1/4" - 20 x 1", Spcl

6шт.

19

495-21031

WASHER,1/4"

9шт.

20

231-1444

NUT,1/4"-20, GB

6шт.

21

495-21038

WASHER,5/16"

1шт.

22

231-1445

NUT,5/16"-18, GB

1шт.

23

441873A1

REINFORCEMENT

1шт.

Выбрано товаров: 24