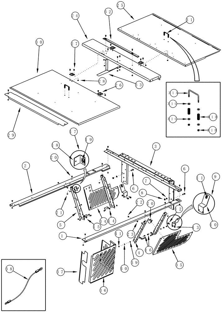
Запчасти Case IH CPX620 (09F-02) - FRONT DECK - ACCESS DOORS AND FAN SHIELDS (12) - CHASSIS

Схема запчастей Case IH CPX620 - (09F-02) - FRONT DECK - ACCESS DOORS AND FAN SHIELDS (12) - CHASSIS
9
35
6
31c
18
13
3
15
20
41
5
25
29
4
39
34
10
8
31c
23
30
31a
32
11
21
38
1
33
2
37
19
28
26
7
6
27
36
24
14
31b
40
12
22
31
16
17
20
31d
FIT
1:1
100%

Артикул

Название

Примечание

Количество

1

298059A1

SUPPORT

Right Hand

1шт.

2

412710A3

SUPPORT

Left Hand

1шт.

3

1990376C3

SUPPORT

Basket

1шт.

4

87319430

BRACKET

Screen Support, Right Hand

2шт.

5

1345113C2

SUPPORT

Screen Support, Left Hand

2шт.

6

413-824

BOLT,Hex, 1/2" - 13 x 1-1/2", Gr 5

6шт.

7

80679

LOCK WASHER,1/20.507 CST ZND

6шт.

8

425-108

NUT,1/2" - 13, Gr 5

6шт.

9

414872A1

BRACKET

Fan Shield, Lower Front, Inc. 10, 11

2шт.

9

84276122

BRACKET

Fan Shield, Lower Front, Incl 10, 11, Start Year: 13-JAN-10

2шт.

10

414873A1

BRACKET

1шт.

11

1326406C1

PEDESTAL

Shield Fastener

1шт.

12

409-7616

BOLT,Hex Flg, 3/8" - 16 x 1", Spcl

4шт.

13

231-5146

FLANGE NUT,3/8"-16

4шт.

14

177559A1

SUPPORT

Fan Shield, Front Left Hand Side, Rear Right Hand Side

2шт.

15

177560A1

SUPPORT

Fan Shield, Front Left Hand Side, Rear Right Hand Side

2шт.

16

477-73116

SERRATED SCREW,Truss HD, 5/16" - 18 x 1"

8шт.

17

414874A1

BRACKET

Fan Shield, Upper Rear, Inc. 18, 19

2шт.

18

414875A1

BRACKET

1шт.

19

1326406C1

PEDESTAL

1шт.

20

477-82512

SERRATED SCREW,Sl Truss Hd, 1/4" - 20 x 3/4"

6шт.

21

231-5144

SERRATED NUT,Flg, USR, 1/4"-20

6шт.

22

477-73112

SERRATED SCREW,Sl Truss Hd, 5/16" - 18 x 3/4"

1шт.

23

231-5145

SERRATED NUT,Flg, USR, 5/16"-18

1шт.

24

323826A1

CHANNEL

Hinge Support

1шт.

25

372153A1

DOOR ASSY.

Fan Access

1шт.

26

215720C1

HINGE

4шт.

27

477-73112

SERRATED SCREW,Sl Truss Hd, 5/16" - 18 x 3/4"

16шт.

28

231-5145

SERRATED NUT,Flg, USR, 5/16"-18

16шт.

29

302639A1

CHANNEL

Hinge Support

1шт.

30

1988797C2

GUARD

Radiator Access

1шт.

30

87737618

PANEL ASSY.

, Start Year: 22-OCT-07

1шт.

31

87408511

HANDLE

Inc. 31A - 31D

2шт.

31a

87408512

HANDLE

1шт.

31b

231-5344

FLANGE NUT,Flg, 1/4"-20

2шт.

31c

495-21031

WASHER,1/4"

4шт.

31d

87408513

SPRING

2шт.

32

429207A1

GUIDE

Chain

1шт.

33

372170A1

DEFLECTOR

Trash

1шт.

34

411837A3

PLATE ASSY.

Fan Shield, Left Hand

1шт.

35

411838A3

PLATE ASSY.

Fan Shield, Right Hand

1шт.

36

87434313

SHIELD

Fan, Right Hand

1шт.

37

394803A3

PANEL

Heat Shield, Serial Range: -Y6T011701

1шт.

37

87340570

PANEL ASSY.

Heat Shield, Start Serial: Y6T011701

1шт.

38

126396A1

CABLE

Shield Anchor (If Equipped)

1шт.

39

495-11034

WASHER,5/16", SAE

8шт.

40

492-11031

LOCK WASHER,5/16"

8шт.

41

425-105

NUT,5/16"-18, G5

8шт.

Выбрано товаров: 0