Запчасти Case IH CPX620 (09A-34) - DRUM SUPPORT ASSY - 6 ROW NARROW (13) - PICKING SYSTEM

Схема запчастей Case IH CPX620 - (09A-34) - DRUM SUPPORT ASSY - 6 ROW NARROW (13) - PICKING SYSTEM
16
45
30
41
12
36
42
31
35
26
35
21
47
38
41
18
33
51
50
28
39
19
32
48
42
27
14
44
1
37
46
40
4
3
5
46
28
6
10
34
25
29
17
7
52
6
20
11
15
13
43
FIT
1:1
100%

Артикул

Название

Примечание

Количество

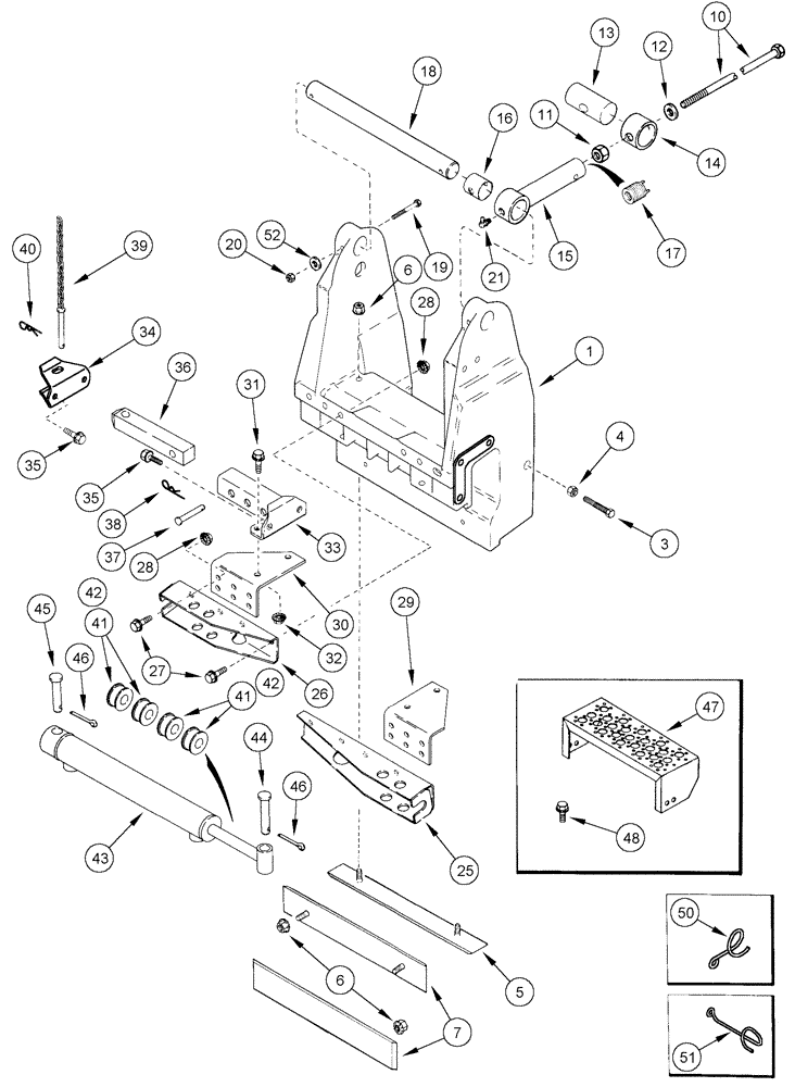
1

138898A4

HANGER

6шт.

3

114781A1

BOLT

1/2 x 3, Full Threads

6шт.

3

258542A1

BOLT

3/4 x 3-1/4, Full Threads

6шт.

4

425-148

JAM NUT,Jam, 1/2"-13, G5

12шт.

4

425-1412

JAM NUT,Jam, 3/4"-10, G5

12шт.

5

1984383C2

WEAR STRIP

Guide Bar Top

6шт.

6

231-5145

SERRATED NUT,Flg, USR, 5/16"-18

36шт.

7

1984382C3

WEAR STRIP

Front And Rear

12шт.

10

1349841C2

ROD

Front Radius

6шт.

11

429-1012

NUT,3/4"-10, G8

6шт.

12

496-11081

WASHER,13/16" x 1 1/2" x .134", HDN

6шт.

13

1982868C1

PIN,50.8mm OD x 110mm L

6шт.

14

1982869C1

SPACER

6шт.

15

1349842C2

END

Radius Rod, Inc. 16, 17

6шт.

16

617924R1

BUSHING,41.3mm ID x 44.45mm OD x 44.7mm L

1шт.

17

1994998C1

INSERT

1шт.

18

1983059C2

PIN,41.27mm OD x 445mm L

Front Radius Rod

6шт.

19

413-656

BOLT,Hex, 3/8" - 16 x 3-1/2", Gr 5

12шт.

20

231-1446

NUT,3/8" - 16, Gr 5

12шт.

21

219-55

LUBE NIPPLE,90 Degree Elbow, 1/8" - 27 NPTF

6шт.

25

129949A2

CONDUIT

Cylinder, Left Hand, Drum Number 1

1шт.

26

129950A2

CONDUIT

Cylinder, Right Hand, Drum Number 5

1шт.

27

409-7820

BOLT,Hex Flg, 1/2" - 13 x 1 1/4", Spcl

Drum Numbers 1, 5

8шт.

28

231-5148

FLANGE NUT,Flg, USR, 1/2"-13

Drum Numbers 1, 5, 6

8шт.

29

276542A1

BRACKET

Left Hand, Drum Number 1

1шт.

30

276544A1

SUPPORT

Right Hand, Drum Number 5

1шт.

31

409-7820

BOLT,Hex Flg, 1/2" - 13 x 1 1/4", Spcl

4шт.

32

231-5148

FLANGE NUT,Flg, USR, 1/2"-13

4шт.

33

128503A1

SUPPORT

Cylinder Bracket, Drum Numbers 1 (1), 5 (2)

1-2шт.

34

128507A1

BRACKET

Cylinder Lock, Drum Numbers 2, 4, 6

3шт.

35

409-7820

BOLT,Hex Flg, 1/2" - 13 x 1 1/4", Spcl

Drum Numbers 2, 4, 6

6шт.

36

129241A2

BAR

Service Cylinder Spacer, Drum Numbers 1(1), 5 (2)

1-2шт.

37

439-11040

HEADED PIN,5/8" x 2", G2

5/8 x 2-1/2; 2, Drum Numbers 1 (1), 5 (2)

1-2шт.

38

136-166

COTTER PIN,Int, 9/32" x .120"

9/32 x 2, Drum Numbers 1 (1), 5 (2)

1-2шт.

39

137882A1

PIN

Cylinder Lock, Inc. Chain, Drum Numbers 2, 4, 6

1шт.

40

136-166

COTTER PIN,Int, 9/32" x .120"

9/32 x 2, Drum Numbers 2, 4, 6

1шт.

41

87324942

CYLINDER

STOP 1-1/4, Cylinder Stroke Control, If Used

4шт.

42

87324934

CYLINDER

STOP 1 in, Cylinder Stroke Control, If Used

5шт.

43

87423752

CYLINDER,Double Acting, 31.75mm Rod, 374.65mm Stroke

Drum Spread, 70 ID x 375 mm strk, Serial Range: -Y6T011502

2шт.

See Figure 08-33

1шт.

43

87272673

CYLINDER ASSY.,Double Acting, 31.75mm Rod, 374.9mm Stroke

Drum Spread, Start Serial: Y6T011502

2шт.

See Figure 08-34

1шт.

44

439-11664

HEADED PIN,1" x 4"

2шт.

45

439-11656

HEADED PIN,25.4mm OD x 88.9mm L

2шт.

46

432-1620

COTTER PIN,1/4" x 1 1/4"

4шт.

47

175709A2

STEP

Drum Number 5, Serial Range: -Y6T011501

1шт.

47

87344065

TREAD

Drum Number 5, Start Serial: Y6T011501

1шт.

48

409-7820

BOLT,Hex Flg, 1/2" - 13 x 1 1/4", Spcl

4шт.

50

189300A1

BRACKET

Harness, Drum Numbers 2 (2), 3 (1), 6 (2)

1шт.

51

120903A1

SUPPORT

Harness, Drum Numbers 1 (1), 5 (2)

1шт.

52

495-11041

WASHER,0.406" ID x 0.812" OD x 0.065" W

6шт.

53

409-7512

BOLT,Hex Flg, 5/16" - 18 x 3/4", Spcl

Drum Numbers 2, 6

2шт.

54

409-7812

BOLT,Hex Flg, 1/2" - 13 x 3/4", Spcl

Drum Numbers 3 (1), 4 (2)

1-2шт.

Выбрано товаров: 53