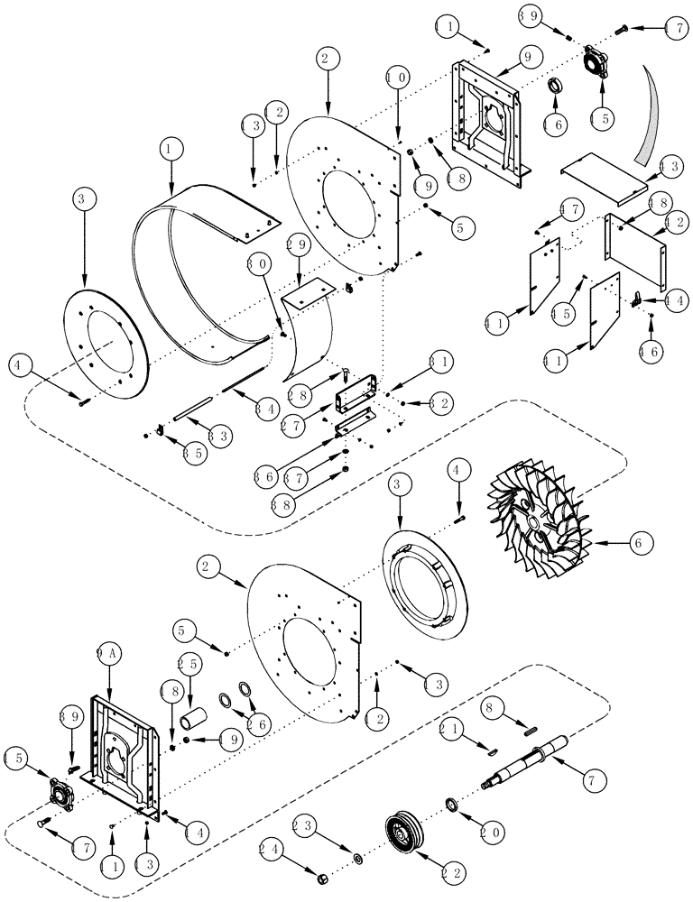
Запчасти Case IH CPX620 (09C-08) - FRONT FAN (15) - HANDLING SYSTEM

Схема запчастей Case IH CPX620 - (09C-08) - FRONT FAN (15) - HANDLING SYSTEM
25
3
3
16
2
36
30
7
9
34
41
31
13
13
33
10
47
14
48
12
19
41
38
4
26
6
44
42
37
18
8
17
5
1
15
18
4
22
5
43
24
29
39
19
13
17
15
21
9a
35
12
45
2
11
28
11
23
46
32
20
27
39
FIT
1:1
100%

Артикул

Название

Примечание

Количество

449982A1

FAN HOUSING

Front, Inc. 1 - 39

1шт.

1

221533C1

COVER

1шт.

2

1260067C1

PLATE

2шт.

3

207515C1

BAFFLE

2шт.

4

413-528

BOLT,Hex, 5/16" - 18 x 1-3/4", Gr 5

16шт.

5

231-4115

NUT,5/16"-18, GB

16шт.

6

243041A1

ROTOR

1шт.

7

449301A2

SHAFT

Front Fan

1шт.

8

657206R1

KEY,3/8" Sq x 2 3/8", Par

3/8 x 2-3/8, Square

1шт.

9

243038A2

SIDE ASSY.

1шт.

9a

87403361

HOUSING ASSY.

1шт.

10

260-1346

SELF-TAP SCREW,Cross Pan Hd, #8 x 3/8"

2шт.

11

434-48

CARRIAGE BOLT,Sht Sq Nk, 1/4" - 20 x 1/2", Gr 5

20шт.

12

492-11025

LOCK WASHER,1/4"

36шт.

13

425-104

NUT,1/4"-20, Cl 5

36шт.

14

434-412

CARRIAGE BOLT,Sht Sq Nk, 1/4" - 20 x 3/4", Gr 5

14шт.

15

84522645

BALL BEARING

2шт.

16

86999734

COLLAR,44.48mm ID x 63.5mm OD x 18.3mm W

Locking, Inc. Set Screw

1шт.

17

433-832

CARRIAGE BOLT,Sq Nk, 1/2" - 13 x 2", Gr 5

8шт.

18

80679

LOCK WASHER,1/20.507 CST ZND

8шт.

19

425-108

NUT,1/2" - 13, Gr 5

8шт.

20

449746A1

SPACER

1шт.

21

126-147

WOODRUFF KEY,#28, 5/16" x 2 1/8", HT

1шт.

22

1338322C1

PULLEY

1шт.

23

496-11094

WASHER,0.94" ID x 1.75" OD x 0.13" Thk

1шт.

24

232-46314

LOCK NUT,7/8"-14, GC

1шт.

25

243037A1

SPACER

1шт.

26

495-81092

WASHER,1-7/8" ID x 2-1/2" OD x 1/16" Thk

2шт.

27

204415C1

SUPPORT

1шт.

28

433-648

CARRIAGE BOLT,Sq Nk, 3/8" - 16 x 3", Gr 5

2шт.

29

204416C1

BAFFLE

5/16

1шт.

30

434-512

CARRIAGE BOLT,Sht Sq Nk, 5/16" - 18 x 3/4", Gr 5

2шт.

31

492-11031

LOCK WASHER,5/16"

2шт.

32

425-105

NUT,5/16"-18, G5

2шт.

33

215020C1

PIPE

1шт.

34

215709C1

STUD

1шт.

35

362120R1

CLAMP,9.53mm ID, 10.32mm Bolt Hole, P Type

2шт.

36

204414C1

SUPPORT

1шт.

37

492-11038

LOCK WASHER,3/8"

2шт.

38

425-106

NUT,3/8"-16, Cl 5

2шт.

39

219-438

ADAPTER,45 Degree, 1/4"-1/8 NPTF

2шт.

41

1990480C2

COVER

Inlet Side

2шт.

42

1990482C1

COVER

Inlet Front

1шт.

43

1990481C1

COVER

Inlet Top

1шт.

44

1333780C1

LATCH

2шт.

45

463-1108

SCREW,Hex Hd, #10-24 x 1/2"

4шт.

46

231-51409

SERRATED NUT,Flg, USR, #10-24

4шт.

47

477-82508

SERRATED SCREW,Sl Truss Hd, 1/4" - 20 x 1/2"

4шт.

48

231-5144

SERRATED NUT,Flg, USR, 1/4"-20

4шт.

49

434-512

CARRIAGE BOLT,Sht Sq Nk, 5/16" - 18 x 3/4", Gr 5

4шт.

50

492-11031

LOCK WASHER,5/16"

4шт.

51

425-105

NUT,5/16"-18, G5

4шт.

Выбрано товаров: 52