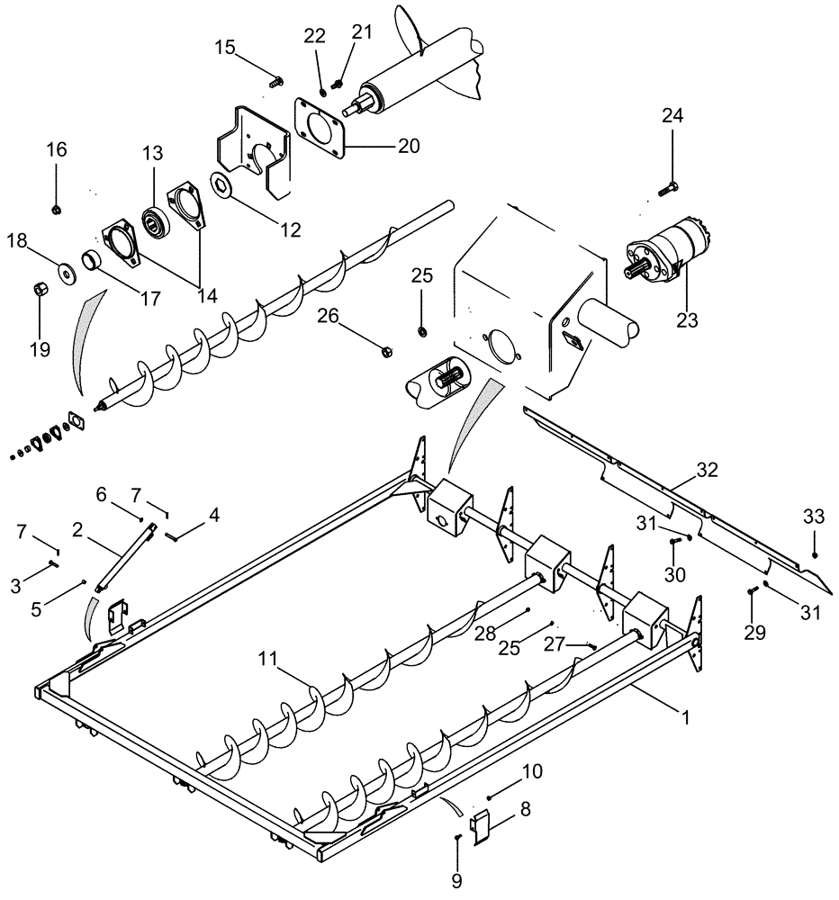
Запчасти Case IH CPX620 (09D-09) - BASKET COMPACTOR AND AUGER (16) - BASKET

Схема запчастей Case IH CPX620 - (09D-09) - BASKET COMPACTOR AND AUGER (16) - BASKET
19
17
22
10
31
24
6
7
15
11
25
8
16
25
13
7
9
30
5
33
32
18
26
1
3
2
12
27
31
4
20
21
14
29
23
28
FIT
1:1
100%

Артикул

Название

Примечание

Количество

1

246594A2

FRAME ASSY

1шт.

2

1343726C3

CYLINDER ASSY.,Double Acting, 25.3mm Rod, 501.3mm Stroke

38 ID x 501 mm strk, Basket Compactor

2шт.

See Figure 08-43

1шт.

3

1338702C2

CLEVIS PIN,15.87mm OD x 94.5mm L

5/8 x 3-1/2, Cylinder Mounting, At Frame

2шт.

4

1338701C2

CLEVIS PIN,15.87mm OD x 63mm L

5/8 x 2-1/4, Cylinder Mounting, At Basket

2шт.

5

627389R1

SPACER,16.7mm ID x 22.23mm OD x 22.2mm L

5/8 ID x 7/8

2шт.

6

495-21069

WASHER,5/8"

2шт.

7

432-1216

COTTER PIN,3/16" x 1"

4шт.

8

242077A1

GUIDE

2шт.

9

477-73816

SERRATED SCREW,Sl Truss Hd, 3/8" x 1"

4шт.

10

231-5146

FLANGE NUT,3/8"-16

4шт.

11

246618A2

AUGER

3шт.

12

413197A1

WASHER

Front

6шт.

13

156816C91

BEARING HOUSING,28.6mm Hex x 72mm OD x 25mm W

3шт.

14

86620026

FLANGED BEARING

Bearing

6шт.

15

434-616

CARRIAGE BOLT,Sht Sq Nk, 3/8" - 16 x 1", Gr 5

9шт.

16

231-5146

FLANGE NUT,3/8"-16

9шт.

17

419224A1

SPACER

3шт.

18

495-81030

WASHER,21/32" x 2" x .179"

3шт.

19

232-41110

NUT,5/8"-11, GC

3шт.

20

224402A2

COVER

Front

3шт.

21

281-24812

SELF-TAP SCREW,Hex Wash Hd, 5/16" x 3/4"

12шт.

22

495-11034

WASHER,5/16", SAE

12шт.

23

395263A1

MOTOR, HYDRAULIC,195CC

Auger Drive, Service With 23A

3шт.

395263A1R

REMAN-HYD MOTOR

CPX620 (5/05-8/06)

3шт.

395263A1C

CORE-MOTOR HYDRAULIC

Return Number

1шт.

24

413-824

BOLT,Hex, 1/2" - 13 x 1-1/2", Gr 5

6шт.

25

80679

LOCK WASHER,1/20.507 CST ZND

26шт.

26

425-108

NUT,1/2" - 13, Gr 5

6шт.

27

326-820

BOLT,Hex, 1/2" - 13 x 1-1/4", Gr 8

20шт.

28

329-108

NUT,1/2"-13, G8

20шт.

29

477-73816

SERRATED SCREW,Sl Truss Hd, 3/8" x 1"

9шт.

30

409-7612

BOLT,3/8"-16 x 1.09" OAL

4шт.

31

495-81143

WASHER,13/32" x 1 1/2" x .120"

22шт.

32

224487A1

RUBBER SEAL

Flap, Auger Motor, Basket Lid

1шт.

33

231-5146

FLANGE NUT,3/8"-16

9шт.

Выбрано товаров: 36