Запчасти Case IH CPX620 (06-12) - MOTOR ASSY - HYDROSTATIC (03) - POWER TRAIN

Схема запчастей Case IH CPX620 - (06-12) - MOTOR ASSY - HYDROSTATIC (03) - POWER TRAIN
6
18
10
21
37
20
39
9
43
1
27
30
31
36
32
25
23
33
13
35
26
4
40
36
19
14
34
12
8
38
45
7
3
37
24
17
28
46
16
22
29
15
5
42
11
2
44
41
FIT
1:1
100%

Артикул

Название

Примечание

Количество

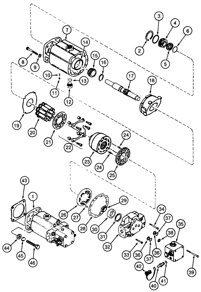
1

391366A1

HYDROSTATIC MOTOR

Inc. 2 - 42

1шт.

Inc. Figure 06-13

1шт.

391366A1R

REMAN-HYDROSTAT MOTO

CPX620 (5/05-8/06)

1шт.

391366A1C

EXCH HYDROSTAT MOTOR

Return Number

1шт.

1a

391366A1R

REMAN-HYDROSTAT MOTO

Remanufactured

1шт.

1b

391366A1C

EXCH HYDROSTAT MOTOR

Return Number

1шт.

2

100-21250

SNAP RING,2.50", Int, #250

1шт.

5

403145A1

SEAL

1шт.

7

NSS

NOT SOLD SEPARAT

HOUSING

1шт.

8

61-33148

HEX SOC SCREW,5/16"-18 x 3"

2шт.

9

92734C1

SEALING WASHER

2шт.

10

37-1516

DOWEL,5/16" x 1"

1шт.

11

217-430

PLUG,Hex Soc, 1/8" - 27 NPTF

1шт.

12

218-5158

PLUG,Hex Hd, 1 1/16"-12 ORB

Incl. 13

1шт.

13

237-6012

O-RING,0.116" Thk x 0.924" ID, -912, Cl 6, 90 Duro

1шт.

14

ST863

BEARING CUP,93.22mm OD x 23.81mm W

1шт.

403147A1

SHAFT

Output Drive, Inc. 15 - 17

1шт.

15

56694H

BEARING ASSY,50.8mm ID x 30.3mm W

1шт.

16

101-11200

SNAP RING,#200, 1.880", Ext

1шт.

17

NSS

NOT SOLD SEPARAT

SHAFT

1шт.

1980138C1

KIT

Rotating Cylinder, Inc. 18 - 25

1шт.

18

NSS

NOT SOLD SEPARAT

PLATE, Swash

1шт.

19

NSS

NOT SOLD SEPARAT

PLATE, Thrust

1шт.

20

NSS

NOT SOLD SEPARAT

PISTON

1шт.

21

NSS

NOT SOLD SEPARAT

PLATE

1шт.

22

NSS

NOT SOLD SEPARAT

KIT, Parts

1шт.

23

NSS

NOT SOLD SEPARAT

BARREL

1шт.

24

37-1510

DOWEL,5/16" x 5/8"

2шт.

25

NSS

NOT SOLD SEPARAT

PLATE

1шт.

26

1346258C1

PLATE

1шт.

27

37-1510

DOWEL,5/16" x 5/8"

1шт.

28

1980140C1

GASKET,0.38mm Thk

1шт.

29

400983R91

ROLLER BEARING,1.18775" ID x 2.5317" OD x 0.8478"

1-3/16 ID

1шт.

30

530741R1

BEARING CUP

2-17/32 OD

1шт.

142398C91

SHIM KIT

End Cover, Inc. 31

1шт.

31

NSS

NOT SOLD SEPARAT

SHIM, 0.003 in

1шт.

31

NSS

NOT SOLD SEPARAT

SHIM, 0.005 in

1шт.

31

NSS

NOT SOLD SEPARAT

SHIM, 0.010 in

1шт.

31

NSS

NOT SOLD SEPARAT

SHIM, 0.015 in

1шт.

31

NSS

NOT SOLD SEPARAT

SHIM, 0.020 in

1шт.

31

NSS

NOT SOLD SEPARAT

SHIM, 0.030 in

1шт.

32

NSS

NOT SOLD SEPARAT

COVER, Rear

1шт.

33

326-732

BOLT,Hex, 7/16" - 14 x 2", Gr 8

2шт.

34

326-748

BOLT,Hex, 7/16" - 14 x 3", Gr 8

6шт.

35

193646A2

BLOCK

Relief Valve, Inc. 36 - 38

1шт.

See Figure 06-13

1шт.

140747C92

SEAL KIT

Inc. 36 - 38

1шт.

36

631458C1

RING

2шт.

37

238-6018

O-RING,0.07" Thk x 0.739" ID, -18, Cl 6, 90 Duro

2шт.

38

239-5018

O-RING,Square, 0.062" Thk x 0.75" ID, -18, Cl 5, 75 Duro

1шт.

39

413-664

BOLT,Hex, 3/8" - 16 x 4", Gr 5

4шт.

40

R55912

NIPPLE

Diagnostic, Inc. 41

2шт.

41

237-6004

O-RING,0.072" Thk x 0.351" ID, -904, Cl 6, 90 Duro

1шт.

42

H434163

DUST CAP

2шт.

43

166506C1

GASKET,0.81mm Thk

1шт.

44

396-21053

WASHER,17/32" x 1 1/16" x .134"

4шт.

45

80679

LOCK WASHER,1/20.507 CST ZND

4шт.

46

310-1824

BOLT,Hex, 1/2" - 13 x 1-1/2", Gr 8

4шт.

Выбрано товаров: 58