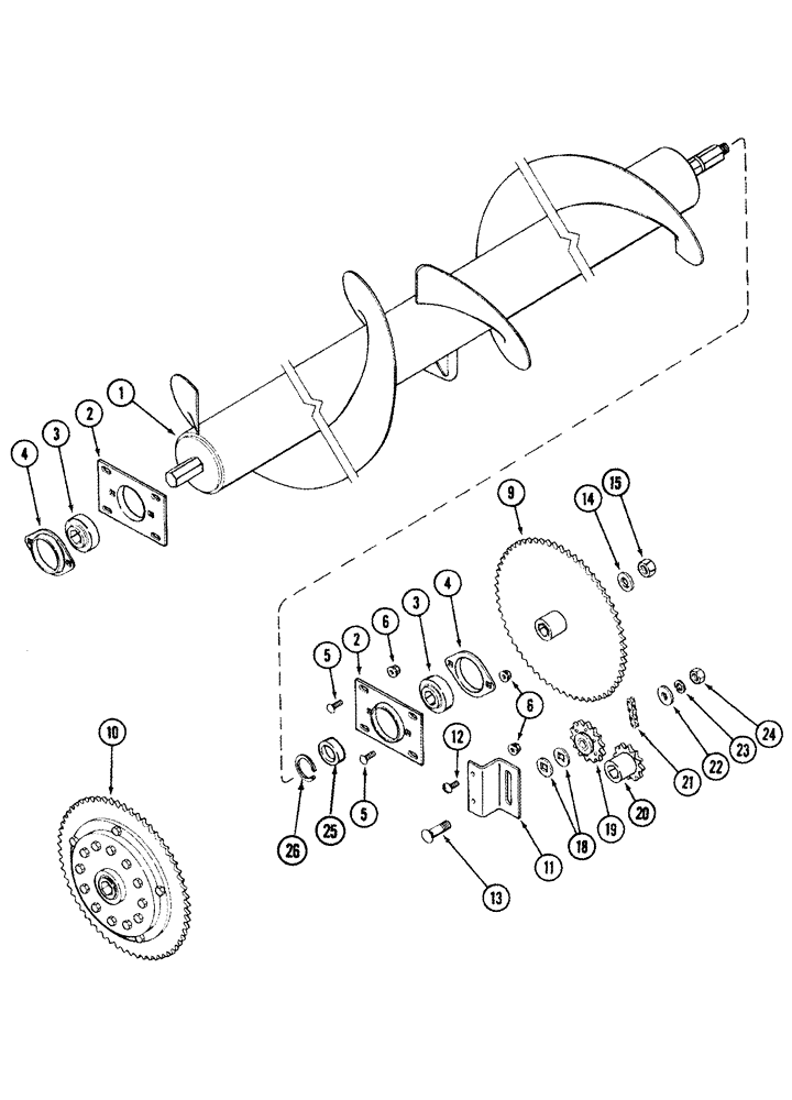
Запчасти Case IH 1083 (09-29) - AUGER - DRIVE (1064, 1083, 1084), JJC0335001 - (09) - CHASSIS

Схема запчастей Case IH 1083 - (09-29) - AUGER - DRIVE (1064, 1083, 1084), JJC0335001 - (09) - CHASSIS
3
11
25
1
26
10
5
14
19
23
2
3
20
2
22
24
6
4
9
15
12
18
21
13
5
4
6
FIT
1:1
100%

Артикул

Название

Примечание

Количество

1

338927A1

AUGER

1064(1)

1шт.

1

338932A1

AUGER

1083(1)

1шт.

1

1306208C3

AUGER

36 and 38 inch row spacing, 1084(1)

1шт.

1

199697C3

AUGER

38 and 40 inch row spacing, 1084(1)

1шт.

2

176338C1

FLANGED BEARING

2шт.

3

156816C91

BEARING HOUSING,28.6mm Hex x 72mm OD x 25mm W

2шт.

4

599382R1

FLANGED BEARING

2шт.

5

434-612

CARRIAGE BOLT,Sht Sq Nk, 3/8" - 16 x 3/4", Gr 5

3/8 x 3/4

12шт.

6

231-5146

FLANGE NUT,3/8"-16

14шт.

9

199729C1

SPROCKET ASSY.

1шт.

10

REF

INSTRUCTION

Clutch Assy, If Used, See Page(s) 9-30

1шт.

11

199873C1

BRACKET

1шт.

12

477-73812

SERRATED SCREW,Truss HD, 3/8" - 16 x 3/4"

3/8 x 3/4

2шт.

13

433-1032

CARRIAGE BOLT,Sq Nk, 5/8" - 11 x 2", Gr 5

5/8 x 2

1шт.

14

496-21081

WASHER,13/16" x 1 1/2" x .179", HDN

1шт.

15

323956A1

JAM NUT

3/4 NF

1шт.

18

498-81010

SQ HOLE WASHER,16.66mm ID x 38.1mm OD x 2.67mm Thk

Square Hole, 21/32 x 1-1/2 x 3/32

2шт.

19

298009A1

DRIVE SPROCKET

17T

1шт.

20

199727C1

DRIVE SPROCKET

15T

1шт.

21

199874C92

CHAIN (AG)

Use 79 links of 1791D, 1 x 241-1315, 2 x 241-1715

1шт.

1791D

CHAIN (AG),#50, 192 Links x 15.88mm = 3048mm

No. 50, 10 ft, Bulk Length

1шт.

241-1315

LINK, CONNECTING

No. 50

1шт.

241-1715

LINK,15.88mm Pitch

No. 50

2шт.

22

495-81026

WASHER,21/32" x 1 1/2" x .060"

21/32 x 1-1/2 x 3/64

1шт.

23

492-11062

BEARING WASHER,5/8"

1шт.

24

425-1410

JAM NUT,Jam, 5/8"-11, G5

5/8

1шт.

25

935856R2

SPACER

1шт.

26

575186R1

SNAP RING

1шт.

Выбрано товаров: 28