Запчасти Case IH 1084 (09-25) - AUGER - TROUGHS AND ENDS (1084), JJC0335001 - (09) - CHASSIS

Схема запчастей Case IH 1084 - (09-25) - AUGER - TROUGHS AND ENDS (1084), JJC0335001 - (09) - CHASSIS
25
13
1
13
32
13
31
9
28
4
7
12
24
13
15
17
13
18
12
12
13
14
12
22
33
16
12
23
12
28
6
12
5
19
8
24
22
FIT
1:1
100%

Артикул

Название

Примечание

Количество

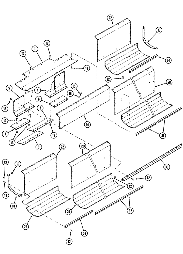
1

199752C1

HOOD

1шт.

4

199753C1

SUPPORT

1шт.

5

199754C1

SUPPORT

1шт.

6

1306692C1

SUPPORT

1шт.

7

1306693C1

SUPPORT

1шт.

8

176161C2

SUPPORT

1шт.

9

176162C2

SUPPORT

1шт.

12

477-73112

SERRATED SCREW,Sl Truss Hd, 5/16" - 18 x 3/4"

1шт.

13

231-5145

SERRATED NUT,Flg, USR, 5/16"-18

1шт.

14

199749C1

SUPPORT

1шт.

15

199953C1

SELF-TAP SCREW,HWH, 5/16" - 18 x 13/16"

1шт.

16

495-81120

WASHER,.344" x 1 1/4" x .120"

11/32 x 1-1/4 x 7/64

1шт.

17

199750C3

SUPPORT

1шт.

18

199751C3

SUPPORT

1шт.

19

477-73108

SERRATED SCREW,Sl Truss Hd, 5/16" - 18 x 1/2"

5/16 x 1/2

6шт.

22

322344A1

SHEET

Left Hand, Includes Decals, 36 and 38 inch row spacing

1шт.

22

322345A1

SHEET

Left Hand, Includes Decals, 38 and 40 inch row spacing

1шт.

22

322352A1

SHEET

Right Hand, Includes Decals, 36 and 38 inch row spacing

1шт.

22

322353A1

SHEET

Right Hand, Includes Decals, 38 and 40 inch row spacing

1шт.

23

319214A1

TROUGH

Left Hand, 36 and 38 inch row spacing

1шт.

23

319216A1

TROUGH

Left Hand, 38 and 40 inch row spacing

1шт.

23

319215A1

TROUGH

Right Hand, 36 and 38 inch row spacing

1шт.

23

319217A1

TROUGH

Right Hand, 38 and 40 inch row spacing

1шт.

24

1306229C2

ANGLE

36 and 38 inch row spacing

2шт.

24

199788C2

ANGLE

38 and 40 inch row spacing

2шт.

25

319210A1

TROUGH

Left Hand

1шт.

25

319211A1

TROUGH

Right Hand

1шт.

28

322342A2

SHEET

Left Hand, Includes Decals

1шт.

28

322350A2

SHEET

Right Hand, Includes Decals

1шт.

31

199640C3

ANGLE

1шт.

32

199641C3

ANGLE

1шт.

33

176144C1

ANGLE

1шт.

Выбрано товаров: 32