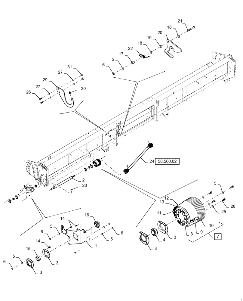
Запчасти Case IH 3020-30 (58.500.01) - MAIN SHAFT, SINGLE DRIVE (58) - ATTACHMENTS/HEADERS

Схема запчастей Case IH 3020-30 - (58.500.01) - MAIN SHAFT, SINGLE DRIVE (58) - ATTACHMENTS/HEADERS
13
25
14
3
29
23
17
22
18
14
20
28
3
5
5
9
58.500.02
4
8
10
27
12
30
27
21
1
6
2
7
5
5
3
19
11
6
16
26
5
6
3
6
15
31
18
24
FIT
1:1
100%

Артикул

Название

Примечание

Количество

1

84212231

BRACKET

Main Shaft

1шт.

2

84294460

SHAFT

Main, 604 mm, 20FT

1шт.

2

84246661

SHAFT

Main, 1366 mm, 25FT

1шт.

2

84246657

SHAFT

Main, 2128 mm, 30FT

1шт.

2

84244432

SHAFT

Main, 2890 mm, 35FT

1шт.

3

86620027

FLANGED BEARING,80.02mm ID x 147.6mm OD x 4mm Thk

Main Shaft

4шт.

4

84240146

BEARING,40mm ID x 80mm OD x 21mm W

Main Shaft, Includes Threaded Inner Race, Spanner Nut, And Locking Ring, (Note: Original Bearing May Be A 3 Bolt Locking Ring, Has Been Changed To 84240146

1шт.

5

140046

BELLEVILLE WASHER,M12 Bolt Size x 27mm OD x 1.8mm Thk

13шт.

6

9706685

NUT,M12 x 1.75, Cl 8

11шт.

7

84267177

SHIELD

Main Shaft, Inc. 8-13

1шт.

8

84270263

PLATE

Shield

1шт.

9

84270262

LATCH

Shield

2шт.

10

84270261

CONE

Shield

1шт.

11

84270259

CHAIN

Shield

1шт.

12

84270258

REINFORCEMENT

Shield

1шт.

13

84270257

RIVET

Shield

8шт.

14

120044

CARRIAGE BOLT,M12 x 1.75 x 30mm, Cl 8.8

10шт.

15

84057307

BALL BEARING,40mm ID x 80mm OD x 21mm W

Main Shaft

1шт.

16

84176439

SPROCKET ASSY.

11T, RC80

1шт.

17

86553411

SPACER,13.49mm ID x 18.97mm OD x 23.88mm L

1шт.

18

86625254

WASHER,13.5mm ID x 28mm OD x 2.5mm Thk

2шт.

19

86622548

SPACER,13.55mm ID x 19.01mm OD x 10.79mm L

1шт.

20

87033816

CLIP

1шт.

21

86508581

BOLT,Hex, M12 x 90mm, Cl 8.8

1шт.

22

87026147

SPRING

Left Hand PTO Shield

1шт.

23

170056

KEY,12mm W x 50mm OAL

1шт.

24

84267176

PTO SHAFT

1шт.

25

86511324

WASHER,13mm ID x 24mm OD x 2.5mm Thk

2шт.

26

120104

BOLT,Hex, M8 x 1.25 x 20mm, Cl 8.8

2шт.

27

322358

BELLEVILLE WASHER,M8 Bolt Size x 18mm OD x 1.4mm Thk

4шт.

28

9706687

BOLT,M12 x 1.75 x 30mm, Cl 8.8

4шт.

29

84313189

HOOK

1шт.

30

291525

BRACKET

1шт.

31

9706690

NUT,M8 x 1.25, Cl 8

2шт.

Выбрано товаров: 34