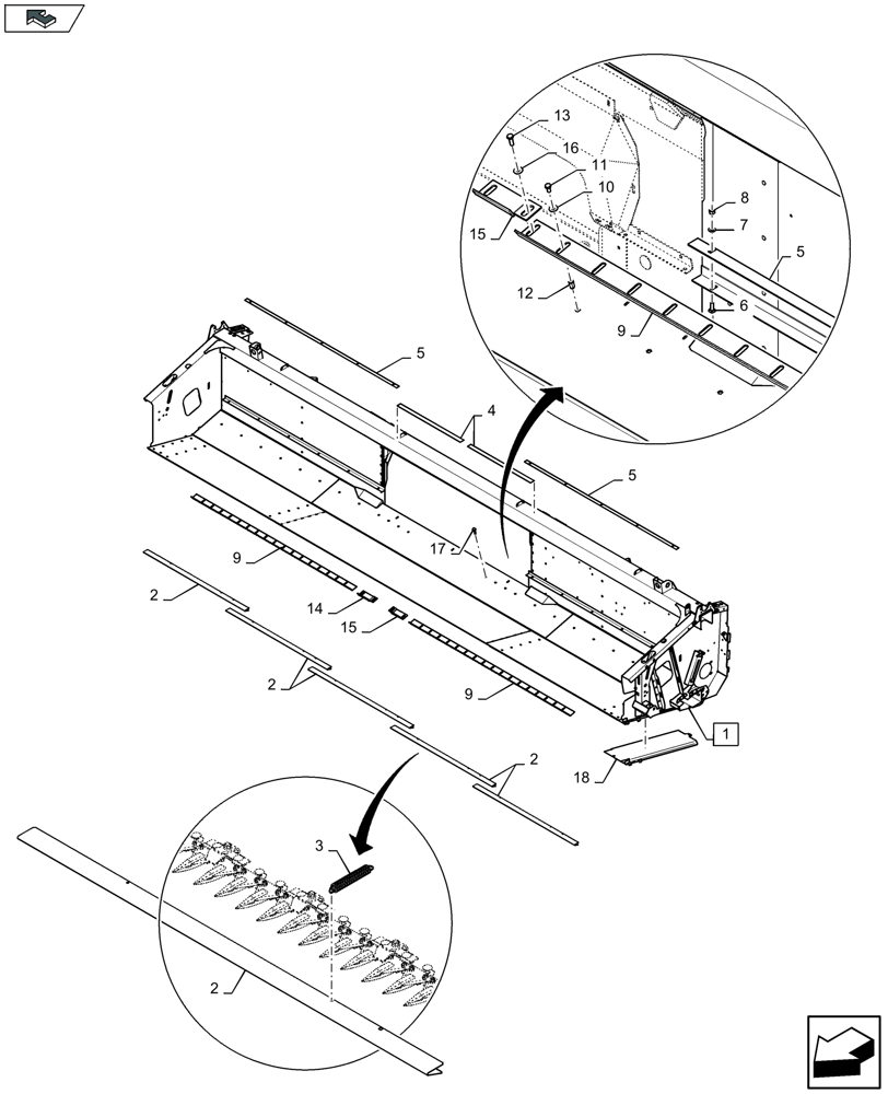
Запчасти Case IH 3050-18FT (58.130.020) - HEADER FRAME, KNIFE GUARDS AND STRIPPER LATHS (58) - ATTACHMENTS/HEADERS

Схема запчастей Case IH 3050-18FT - (58.130.020) - HEADER FRAME, KNIFE GUARDS AND STRIPPER LATHS (58) - ATTACHMENTS/HEADERS
5
17
8
7
6
12
16
9
2
2
2
home
1
15
2
4
5
9
5
15
13
10
18
11
14
9
3
FIT
1:1
100%

Артикул

Название

Примечание

Количество

1

84516341

FRAME

Incl 18

1шт.

FOR 3050-16FT-GRAIN HEADER ONLY

1шт.

1

84516345

FRAME

Incl 18

1шт.

FOR 3050-18FT-GRAIN HEADER ONLY

1шт.

1

84516348

FRAME

Incl 18

1шт.

FOR 3050-20FT-GRAIN HEADER ONLY

1шт.

1

84299226

FRAME

Incl 18

1шт.

FOR 3050-22FT-GRAIN HEADER ONLY

1шт.

2

9838588

PROTECTING COVER

4шт.

FOR 3050-16FT-GRAIN HEADER, 3050-18FT-GRAIN HEADER ONLY

1шт.

2

9838588

PROTECTING COVER

5шт.

FOR 3050-20FT-GRAIN HEADER, 3050-22FT-GRAIN HEADER ONLY

1шт.

3

84161187

SPRING

4шт.

FOR 3050-16FT-GRAIN HEADER, 3050-18FT-GRAIN HEADER ONLY

1шт.

3

84161187

SPRING

5шт.

FOR 3050-20FT-GRAIN HEADER, 3050-22FT-GRAIN HEADER ONLY

1шт.

4

401502

ANTI-SKID STRIP

L=1.8M

1шт.

5

84584446

STRIP

, Serial Range: -C992

2шт.

FOR 3050-16FT-GRAIN HEADER ONLY

1шт.

5

47463981

STRIP

, Start Serial: D993

2шт.

FOR 3050-16FT-GRAIN HEADER ONLY

1шт.

5

84582610

STRIP

, Serial Range: -C992

2шт.

FOR 3050-18FT-GRAIN HEADER ONLY

1шт.

5

47463651

STRIP

2шт.

FOR 3050-18FT-GRAIN HEADER ONLY

1шт.

5

84577941

STRIP

, Serial Range: -C992

2шт.

FOR 3050-20FT-GRAIN HEADER ONLY

1шт.

5

47463531

STRIP

, Start Serial: D993

2шт.

FOR 3050-20FT-GRAIN HEADER ONLY

1шт.

5

84560629

STRIP

, Serial Range: -C991

2шт.

FOR 3050-22FT-GRAIN HEADER ONLY

1шт.

5

47456090

STRIP

, Start Serial: D992

2шт.

FOR 3050-22FT-GRAIN HEADER ONLY

1шт.

6

86507486

CARRIAGE BOLT,M8 x 1.25 x 20mm, Cl 8.8

12шт.

7

322358

BELLEVILLE WASHER,M8 Bolt Size x 18mm OD x 1.4mm Thk

12шт.

8

9706690

NUT,M8 x 1.25, Cl 8

12шт.

9

84584453

STRIP

2шт.

FOR 3050-16FT-GRAIN HEADER ONLY

1шт.

9

84582615

STRIP

2шт.

FOR 3050-18FT-GRAIN HEADER ONLY

1шт.

9

84577943

STRIP

2шт.

FOR 3050-20FT-GRAIN HEADER ONLY

1шт.

9

84560630

STRIP

2шт.

FOR 3050-22FT-GRAIN HEADER ONLY

1шт.

10

412650

BELLEVILLE WASHER,M8 Bolt Size x 22mm OD x 1.4mm Thk

16шт.

FOR 3050-16FT-GRAIN HEADER ONLY

1шт.

10

412650

BELLEVILLE WASHER,M8 Bolt Size x 22mm OD x 1.4mm Thk

18шт.

FOR 3050-18FT-GRAIN HEADER ONLY

1шт.

10

412650

BELLEVILLE WASHER,M8 Bolt Size x 22mm OD x 1.4mm Thk

20шт.

FOR 3050-20FT-GRAIN HEADER ONLY

1шт.

10

412650

BELLEVILLE WASHER,M8 Bolt Size x 22mm OD x 1.4mm Thk

24шт.

FOR 3050-22FT-GRAIN HEADER ONLY

1шт.

11

43127

BOLT,Hex, M8 x 1.25 x 25mm, Cl 8.8

16шт.

FOR 3050-16FT-GRAIN HEADER ONLY

1шт.

11

43127

BOLT,Hex, M8 x 1.25 x 25mm, Cl 8.8

18шт.

FOR 3050-18FT-GRAIN HEADER ONLY

1шт.

11

43127

BOLT,Hex, M8 x 1.25 x 25mm, Cl 8.8

20шт.

FOR 3050-20FT-GRAIN HEADER ONLY

1шт.

11

43127

BOLT,Hex, M8 x 1.25 x 25mm, Cl 8.8

24шт.

FOR 3050-22FT-GRAIN HEADER ONLY

1шт.

12

87556072

NUT,Flng, 11.8mm OD x 19.8mm L

20шт.

FOR 3050-16FT-GRAIN HEADER ONLY

1шт.

12

87556072

NUT,Flng, 11.8mm OD x 19.8mm L

22шт.

FOR 3050-18FT-GRAIN HEADER ONLY

1шт.

12

87556072

NUT,Flng, 11.8mm OD x 19.8mm L

24шт.

FOR 3050-20FT-GRAIN HEADER ONLY

1шт.

12

87556072

NUT,Flng, 11.8mm OD x 19.8mm L

28шт.

FOR 3050-22FT-GRAIN HEADER ONLY

1шт.

13

43127

BOLT,Hex, M8 x 1.25 x 25mm, Cl 8.8

2шт.

14

84393553

PLATE

RH

1шт.

15

84393555

PLATE

LH

1шт.

16

412650

BELLEVILLE WASHER,M8 Bolt Size x 22mm OD x 1.4mm Thk

2шт.

17

62087

CARRIAGE BOLT

, Start Serial: D993

4шт.

18

84467963

PLATE

1шт.

Выбрано товаров: 74