Запчасти Case IH 3050-30FT (58.100.462) - BELT DRIVE FOR CUTTERBAR, TENSIONING ARM - SPRING ASSEMBLIES - D962 (58) - ATTACHMENTS/HEADERS

Схема запчастей Case IH 3050-30FT - (58.100.462) - BELT DRIVE FOR CUTTERBAR, TENSIONING ARM - SPRING ASSEMBLIES - D962 (58) - ATTACHMENTS/HEADERS
28
4
20
14
9
25
22
1
20
23
27
58.100.412
8
29
7
3
2
12
6
26
1
home
28
11
58.110.010
10
5
4
58.100.412
19
13
24
17
21
15
16
18
28
58.100.210
FIT
1:1
100%

Артикул

Название

Примечание

Количество

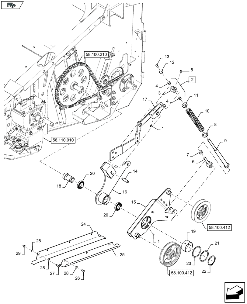
1

321204

LUBE NIPPLE,M6 x 1.0 x 16mm OAL

2шт.

2

84148991

HINGE

Incl 3, 4

1шт.

MAINTENANCE PART

1шт.

3

87647533

HINGE

1шт.

4

305033

RING

2шт.

5

84814929

LUBE NIPPLE

1шт.

6

84176933

STUD

1шт.

7

100020

NUT,M16 x 2.0, Cl 8

1шт.

8

140022

WASHER,26mm ID x 44mm OD x 4mm Thk

1шт.

9

84268377

SHAFT

1шт.

10

87647535

SPRING

1шт.

11

87677477

BUSHING

1шт.

12

140041

WASHER,M8 x 28mm OD x 3mm Thk

1шт.

13

120104

BOLT,Hex, M8 x 1.25 x 20mm, Cl 8.8

1шт.

14

84230670

PIN

1шт.

15

84231146

ARM

1шт.

16

84236110

LEVER

1шт.

17

84309022

ARM

1шт.

18

84236627

SHAFT

1шт.

MAINTENANCE PART

1шт.

19

84246186

BUSHING

1шт.

MAINTENANCE PART

1шт.

20

87655729

BALL BEARING,40mm ID x 62mm OD x 12mm W

2шт.

MAINTENANCE PART

1шт.

21

84000264

ADJUSTING PLATE

1шт.

22

300637

SNAP RING,M75, Ext

1шт.

23

84570900

SHIM,76mm ID x 90mm OD x 0.56mm Thk

2шт.

24

84202137

GUIDE

1шт.

25

84202449

GUIDE

1шт.

26

120103

BOLT,M8 x 1.25 x 16mm, Cl 8.8

3шт.

27

120104

BOLT,Hex, M8 x 1.25 x 20mm, Cl 8.8

1шт.

28

322358

BELLEVILLE WASHER,M8 Bolt Size x 18mm OD x 1.4mm Thk

5шт.

29

9706690

NUT,M8 x 1.25, Cl 8

1шт.

Выбрано товаров: 33