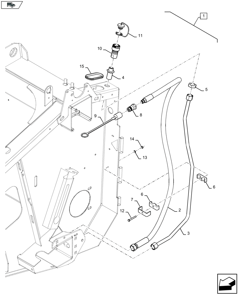
Запчасти Case IH 3050-41FT (88.058.067[02]) - DIA KIT : HYDRAULIC KIT FOR VERTICAL RAPESEED KNIFES (88) - ACCESSORIES

Схема запчастей Case IH 3050-41FT - (88.058.067[02]) - DIA KIT : HYDRAULIC KIT FOR VERTICAL RAPESEED KNIFES (88) - ACCESSORIES
14
1
15
11
6
12
home
2
8
10
9
4
3
13
6
5
7
FIT
1:1
100%

Артикул

Название

Примечание

Количество

1

84481612

DIA KIT, HARVESTER

Incl 2 - 15

1шт.

2

84189138

HYDRAULIC HOSE

1шт.

3

84185390

HYD TUBE,16 mm OD

1шт.

4

87381299

HYD CONNECTOR

1шт.

5

86639085

BHD LOCK NUT,1"-14, Bulkhead

1шт.

6

430356

CLAMP

2шт.

7

84814948

SUPPORT

1шт.

8

86592080

QUICK MALE COUPLING

1шт.

9

86621124

DUST CAP

1шт.

10

86592079

COUPLING, QUICK, FEM

1шт.

11

86592083

DUST CAP

1шт.

12

412559

BOLT,Hex, M6 x 50mm, Cl 8.8, Full Thd

1шт.

13

86588450

WASHER,6.6mm ID x 12mm OD x 1.6mm Thk

1шт.

14

353308

NUT,M6 x 1.0, Cl 8

1шт.

15

9850033

SEAL

1шт.

Выбрано товаров: 15