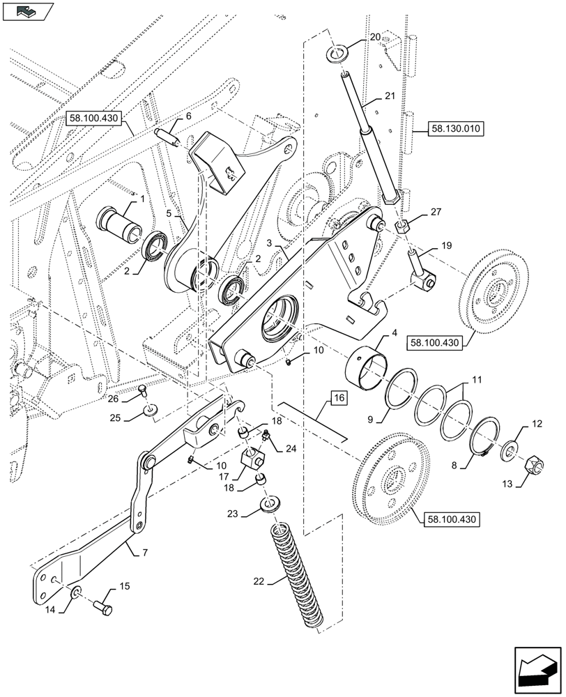
Запчасти Case IH 3050-41FT (58.100.480) - BELT DRIVE FOR CUTTERBAR, TENSIONING ARM, LH (58) - ATTACHMENTS/HEADERS

Схема запчастей Case IH 3050-41FT - (58.100.480) - BELT DRIVE FOR CUTTERBAR, TENSIONING ARM, LH (58) - ATTACHMENTS/HEADERS
58.130.010
9
1
8
15
10
58.100.430
10
23
24
12
19
home
14
22
58.100.430
11
7
26
6
25
58.100.430
5
18
4
2
13
18
16
21
3
2
27
17
20
FIT
1:1
100%

Артикул

Название

Примечание

Количество

1

84236627

SHAFT

1шт.

MAINTENANCE PART

1шт.

2

87655729

BALL BEARING,40mm ID x 62mm OD x 12mm W

2шт.

MAINTENANCE PART

1шт.

3

84231146

ARM

1шт.

4

84246186

BUSHING

1шт.

MAINTENANCE PART

1шт.

5

84236110

LEVER

1шт.

6

84230670

PIN

1шт.

7

84309022

ARM

1шт.

8

300637

SNAP RING,M75, Ext

1шт.

9

84000264

ADJUSTING PLATE

1шт.

10

321204

LUBE NIPPLE,M6 x 1.0 x 16mm OAL

2шт.

11

84570900

SHIM,76mm ID x 90mm OD x 0.56mm Thk

2шт.

12

86639847

WASHER,21.8mm ID x 44.5mm OD x 5mm Thk

1шт.

13

380424

NUT,M20 x 2.5, Cl 8

1шт.

14

140046

BELLEVILLE WASHER,M12 Bolt Size x 27mm OD x 1.8mm Thk

3шт.

15

9706687

BOLT,M12 x 1.75 x 30mm, Cl 8.8

3шт.

16

84148991

HINGE

Incl 17 - 18

1шт.

MAINTENANCE PART

1шт.

17

87647533

HINGE

1шт.

18

305033

RING

2шт.

19

84176933

STUD

1шт.

20

140022

WASHER,26mm ID x 44mm OD x 4mm Thk

1шт.

21

84268377

SHAFT

1шт.

22

87647535

SPRING

1шт.

23

87677477

BUSHING

1шт.

24

84814929

LUBE NIPPLE

1шт.

25

140041

WASHER,M8 x 28mm OD x 3mm Thk

1шт.

26

120104

BOLT,Hex, M8 x 1.25 x 20mm, Cl 8.8

1шт.

27

100020

NUT,M16 x 2.0, Cl 8

1шт.

Выбрано товаров: 31