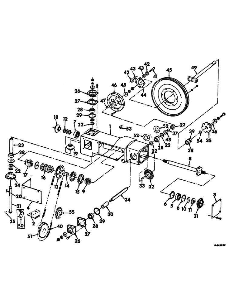
Запчасти Case IH 234 (A-25) - BASIC CORN HARVESTER, GATHERER DRIVE GEAR CASE (58) - ATTACHMENTS/HEADERS

Схема запчастей Case IH 234 - (A-25) - BASIC CORN HARVESTER, GATHERER DRIVE GEAR CASE (58) - ATTACHMENTS/HEADERS
44
29
54
26
46
50
38
40
4
5
31
22
42
28
9
42
45
27
22
29
28
12
7
51
55
26
48
6
22
3
33
25
27
28
32
23
16
48
22
11
19
2
20
18
49
41
35
8
36
13
6
37
22
43
34
43
24
28
52
52
10
15
14
53
17
21
30
39
FIT
1:1
100%

Артикул

Название

Примечание

Количество

175668C91

HOUSING ASSY., inner gatherer gear, L.H., parts accessories, includes ref. nos. 1, 3 thru 34, 37, 48 and 53

1шт.

175669C91

HOUSING ASSY., inner gatherer gear, R.H., parts accessories, includes ref. nos. 1, 3 thru 34, 37, 48 and 53

1шт.

1

937161R1

HOUSING, inner gatherer gear, L.H.

1шт.

1

937162R1

HOUSING, inner gatherer gear, R.H.

1шт.

NLS

NO LONGER SERVICED

NUT, 7/16 C-Z hex.

10шт.

180149

LOCK SCREW,Hex, 7/16" - 14 x 1 1/2", Gr 5

SCREW, 7/16 x 1-1/2 C-Z hex-hd. cap.

10шт.

120383

LOCK WASHER,Helical Spring, 7/16"

WASHER, LOCK, 7/16"

10шт.

2

150733C1

ANGLE, drive chain tightener, L.H., serial no. 6782 and below

1шт.

2

150734C1

ANGLE, drive chain tightener, R.H., serial no. 6782 and below

1шт.

2

169184C1

ANGLE, drive chain tightener, L.H., serial no. 6783 and above

1шт.

2

169185C1

ANGLE, drive chain tightener, R.H., serial no. 6783 and above

1шт.

18764R1

HARDWARE,Hex, 5/16"-18 x 3/4", G2

BOLT, 5/16 x 3/4 C-Z hex-hd. mach.

4шт.

80681

LOCK WASHER,5/16"

WASHER, LOCK, 5/16"

4шт.

3

151185C1

COVER, gatherer gear housing upper

2шт.

18763R1

BOLT,Hex, 5/16" - 18 x 1/2", Gr 2

5/16 x 1/2 C-Z sq-nk, crg.

6шт.

80681

LOCK WASHER,5/16"

WASHER, LOCK, 5/16"

6шт.

4

150821C1

COVER, gatherer gear housing lower

2шт.

18763R1

BOLT,Hex, 5/16" - 18 x 1/2", Gr 2

5/16 x 1/2 hex-hd. mach.

12шт.

80681

LOCK WASHER,5/16"

WASHER, LOCK, 5/16"

12шт.

619855R1

WASHER

11/32 x 3/4 x 16 ga. C-Z

2шт.

5

586649R91

BEARING

ASSY., drive gear shaft, upper ball

2шт.

6

360936R1

RING

drive shaft upper brg. snap

4шт.

7

618210R91

BEARING

ASSY., drive gear shaft lower ball

2шт.

8

151177C91

SHAFT W/HOLDER, drive gear, R.H.

1шт.

8

151176C91

SHAFT W/HOLDER, drive gear, L.H.

1шт.

9

162677C1

WASHER

drive gear shaft upper brg.

8шт.

10

632470R1

WASHER, outer gatherer drive gear

2шт.

11

632471R1

WASHER, outer gatherer drive gear

2шт.

12

156394C1

WASHER, inner gatherer drive gear

6шт.

13

937138R11

SPROCKET ASSY.

SPROCKET W/BUSHING, gatherer driven 19-T, includes ref. no. 14

2шт.

14

629232R1

BUSHING,31.8mm ID x 34.92mm OD x 25.4mm L

gatherer driven sprocket

2шт.

15

B12170

RATCHET,Clutch Slip, 94.49mm

slip clutch

4шт.

16

155253C1

SPRING, slip clutch, L.H.

1шт.

16

H5515M

SPRING, slip clutch, R.H.

1шт.

17

155254C1

CLUTCH, slip clutch tightener

2шт.

103758

PIN, 5/16 x 1-1/2 chamfered str.

2шт.

18

150210C1

GEAR, inner gatherer drive, L.H. 15T

1шт.

18

150211C1

GEAR, inner gatherer drive, R.H. 15T

1шт.

19

150212C1

GEAR, inner gatherer driven, 15T

2шт.

20

150532C1

KEY

inner gatherer driven gear

2шт.

21

937140R11

SHAFT

ASSY., inner gatherer drive

2шт.

18536R1

LOCK NUT,5/8"-18, G5

NUT, 5/8-18 znp. nylon insert

2шт.

20511R1

WASHER, 5/8 C-Z med. lock

2шт.

22181R1

WASHER, 1-1/32 x 2 x 16 ga. C-Z

2шт.

464623R1

WASHER

21/32 x 1-1/2 x 11 ga. C-Z

2шт.

22

654283R1

THRUST WASHER

gatherer drive shaft

16шт.

22

156830C1

WASHER

gear thrust

4шт.

23

151181C1

SPACER, inner gatherer drive shaft

2шт.

24

937131R1

SPROCKET ASSY.

SPROCKET, inner gatherer chain drive 7-T

2шт.

25

150532C1

KEY

gatherer chain drive sprocket

2шт.

26

151179C1

HOUSING, inner gatherer drive shaft brg.

4шт.

180122

BOLT,Hex, 3/8" - 16 x 1", Gr 5

3/8 x 1 znd. hex-hd. cap

16шт.

21108R1

BOLT

SCREW, 3/8 x 1 C-Z hex-hd. cap

16шт.

120382

LOCK WASHER,Helical Spring, 3/8"

WASHER, LOCK, 3/8"

16шт.

27

151180C1

WASHER

SHIM, drive shaft brg. housing .30

1шт.

27

164119C1

SHIM

drive shaft brg. housing .15

1шт.

28

586609R91

BALL BEARING

BEARING ASSY., drive shaft ball

8шт.

29

555602R1

RING

drive shaft brg. snap

4шт.

30

151182C1

SPACER, outer gatherer drive gear

2шт.

31

654280R1

PINION

GEAR, outer gatherer, beater and elevator drive, L.H., 18 T

1шт.

31

654281R1

PINION

GEAR, outer gatherer, beater and elevator drive, R.H., 18 T

1шт.

32

935611R1

PINION

GEAR, outer gatherer, beater and elevator driven 18-T

2шт.

33

150532C1

KEY

driven gear

2шт.

34

937136R1

SHAFT

outer gatherer, bearter and elevator drive inner

2шт.

18536R1

LOCK NUT,5/8"-18, G5

NUT, 5/8-18 znp. nylon insert

4шт.

20511R1

WASHER, 5/8 C-Z med. lock

4шт.

464623R1

WASHER

21/32 x 1-1/2 x 11 ga. C-Z

4шт.

35

151304C1

SPROCKET, outer gatherer, beater and elevator drive 7-T

2шт.

86837293

SHAFT

1/2-20 x 1 C-Z hex-hd. cap

2шт.

120384

WASHER,1/2"

LOCK, 1/2"

2шт.

22770R1

WASHER

17/32 x 1-1/2 x 7 ga. C-Z

2шт.

36

150532C1

KEY

outer gatherer, beater and elevator drive sprocket

2шт.

37

937158R1

RING, SNAP

RING, fan drive pulley hub snap

2шт.

38

455965R91

BALL BEARING,1.0005" ID x 52 mm OD x 15 mm

ASSY., outer drive shaft

2шт.

39

455102R11

COLLAR

W/SET SCREW, gatherer drive

2шт.

83-1254

SET SCREW,Hex Soc, 1/4"-20 x 1/4"

SCREW, 1/4-20 x 1/4 hex-soc-hd. cup-pt set

2шт.

40

CHAIN ASSY., gatherer drive, use 61 links from 10 ft. roll marked 611362R91, one connecting link 574532R91, one offset connecting link 612612R91

2шт.

41

43552DB

STEP BOLT,Hex, 3/8" - 24 x 1 15/16"

SCREW, outer drive shaft coupling

8шт.

120369

NUT,3/8"-24, G5

8шт.

120382

LOCK WASHER,Helical Spring, 3/8"

WASHER, LOCK, 3/8"

8шт.

42

356588R1

RETAINER

coupling rubber washer

16шт.

43

43550D

RUBBER WASHER

drive coupling rubber

16шт.

44

43549D

PLATE ASSY.

DISC, outer drive shaft coupling

2шт.

45

151195C91

PULLEY ASSY., fan drive, 15-7/8 OD, 5-1/8 in. bore.

2шт.

18475R1

BOLT,Hex, 5/16" - 18 x 1 1/4", Gr 2

5/16 x 1-1/4 C-Z hex-hd.

12шт.

120376

NUT,5/16"-18, G5

12шт.

80681

LOCK WASHER,5/16"

WASHER, LOCK, 5/16"

12шт.

46

150508C1

HUB, fan drive pulley

2шт.

47

150532C1

KEY

fan drive pulley

2шт.

48

939346R1

SPACER

fan drive pulley hub

2шт.

49

151183C91

SHAFT ASSY., outer gatherer, beater and elevator drive outer

2шт.

50

583619R1

BLOCK

drive chain tightener, L.H., serial no. 6782 and below

1шт.

50

583620R1

BLOCK

drive chain tightener, R.H., serial no. 6782 and below

1шт.

16888R1

HARDWARE,Short NK, 5/16"-18 x 1 1/4", G2

BOLT, 5/16 x 1-1/4 C-Z sq-nk crg.

2шт.

120376

NUT,5/16"-18, G5

2шт.

80681

LOCK WASHER,5/16"

WASHER, LOCK, 5/16"

2шт.

51

SPROCKET, stalk roll drive 23-T, refer to snapping unit drive gear case for listing

1шт.

52

462360R1

FLANGED BEARING

outer drive shaft bearing

4шт.

16897R1

CARRIAGE BOLT,Short Nk, 5/16" - 18 x 3/4", Gr 2, Full Thd

BOLT, 5/16 x 3/4 C-Z sq-nk. crg.

6шт.

120376

NUT,5/16"-18, G5

6шт.

80681

LOCK WASHER,5/16"

WASHER, LOCK, 5/16"

6шт.

53

80717

LUBE NIPPLE,45 Degree, 1/8" NPT x 7/8" lg

FITTING, 1/8-45 degree angle lub

2шт.

54

937158R1

RING, SNAP

RING, outer gatherer beater & elevator drive snap

2шт.

55

571441R91

SPROCKET ASSY.,15T

SPROCKET, drive chain tightener 15T, serial no. 6783 and above

2шт.

18809R1

BOLT,Hex, 1/2"-13 x 2", G2

1/2 x 2 C-Z hex-hd. mach.

2шт.

120378

NUT,Hex, 1/2" - 13, Gr 5

NUT, 1/2"-13, G5

2шт.

120384

WASHER,1/2"

LOCK, 1/2"

2шт.

178374R1

WASHER

17/32 x 1-1/4 x 16 ga.

10шт.

Выбрано товаров: 108