Запчасти Case IH 234 (A-32) - BASIC CORN HARVESTER, TRASH ROLLS, SERIAL NO. 5782 AND BELOW (58) - ATTACHMENTS/HEADERS

Схема запчастей Case IH 234 - (A-32) - BASIC CORN HARVESTER, TRASH ROLLS, SERIAL NO. 5782 AND BELOW (58) - ATTACHMENTS/HEADERS
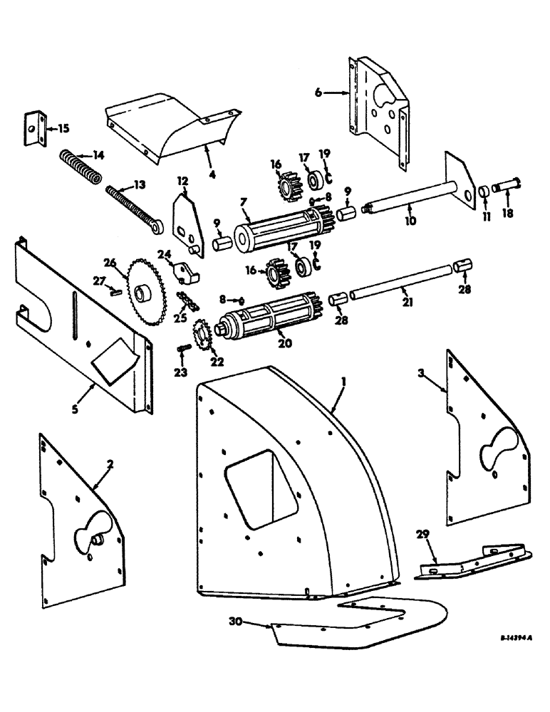
12
19
21
22
20
10
25
15
27
18
9
4
16
8
17
23
26
17
30
14
9
2
28
7
24
29
28
13
16
11
5
1
8
6
3
19
FIT
1:1
100%

Артикул

Название

Примечание

Количество

1

155533C91

HOOD ASSY., trash roll

2шт.

938017R1

FLANGE NUT,Flg, USR, 5/16"-18

5/16-18 C-Z whiz lock

4шт.

477-73108

SERRATED SCREW,Sl Truss Hd, 5/16" - 18 x 1/2"

5/16-18 x 1/2 C-Z slt-truss-hd. whiz lock

4шт.

2

155534C91

SECTION ASSY., hood outer, L.H.

1шт.

2

155535C91

SECTION ASSY., hood outer, R.H.

1шт.

18673R1

CARRIAGE BOLT,Short Sq Nk, 5/16" - 18 x 1/2", Gr 2

BOLT, 5/16 x 1/2 C-Z sq-nk crg.

10шт.

938017R1

FLANGE NUT,Flg, USR, 5/16"-18

5/16-18 C-Z whiz lock

10шт.

3

155536C1

SECTION, roll hood inner

1шт.

18673R1

CARRIAGE BOLT,Short Sq Nk, 5/16" - 18 x 1/2", Gr 2

BOLT, 5/16 x 1/2 C-Z sq-nk crg.

10шт.

938017R1

FLANGE NUT,Flg, USR, 5/16"-18

5/16-18 C-Z whiz lock

10шт.

4

155537C1

DEFLECTOR, trash roll

2шт.

18673R1

CARRIAGE BOLT,Short Sq Nk, 5/16" - 18 x 1/2", Gr 2

BOLT, 5/16 x 1/2 C-Z sq-nk crg.

6шт.

938017R1

FLANGE NUT,Flg, USR, 5/16"-18

5/16-18 C-Z whiz lock

10шт.

477-73108

SERRATED SCREW,Sl Truss Hd, 5/16" - 18 x 1/2"

5/16-18 x 1/2 C-Z slt-truss-hd whiz lock

4шт.

5

155538C1

BRACKET, trash roll support outer, L.H.

1шт.

5

155539C1

BRACKET, trash roll support outer, R.H.

1шт.

16897R1

CARRIAGE BOLT,Short Nk, 5/16" - 18 x 3/4", Gr 2, Full Thd

BOLT, 5/16 x 3/4 C-Z sq-nk crg.

8шт.

938017R1

FLANGE NUT,Flg, USR, 5/16"-18

5/16-18 C-Z whiz lock

8шт.

6

155540C1

BRACKET, trash roll support inner, L.H.

1шт.

6

155541C1

BRACKET, trash roll support inner, R.H.

1шт.

16897R1

CARRIAGE BOLT,Short Nk, 5/16" - 18 x 3/4", Gr 2, Full Thd

BOLT, 5/16 x 3/4 C-Z sq-nk crg.

8шт.

938017R1

FLANGE NUT,Flg, USR, 5/16"-18

5/16-18 C-Z whiz lock

8шт.

7

939312R22

ROLL W/BUSHINGS, trash upper, includes ref. no. 9

2шт.

8

109461

LUBE NIPPLE,1/8"-27 x .66 lg

NIPPLE, LUBE, , PTF 1/8"-27 x .66 lg

4шт.

9

575077R1

BUSHING, upper trash roll, for use W/939312R11 roll

4шт.

9

166413C1

BUSHING, upper trash roll, for use W/939312R22 roll

4шт.

10

155528C91

STUD ASSY., upper trash roll, L.H.

1шт.

10

15529C91

STUD ASSY., upper trash roll, R.H.

1шт.

219758

JAM NUT,Jam, 3/4"-10, G5

3/4-16 C-Z hex. jam

2шт.

87340

LOCK WASHER,Helical Spring, 0.759" ID, CST, ZND

WASHER, LOCK, 3/4"

2шт.

222566R1

WASHER, 1-5/32 x 1-3/4 x 22 ga. C-Z

1шт.

22716R1

RING,#662, 6.863", Int, Spiral

WASHER, 1-5/32 x 1-3/4 x 16 ga. C-Z

4шт.

11

607050R1

SPACER

upper trash roll stud

2шт.

12

155542C91

BRACKET ASSY., upper trash roll, inner pivot, L.H.

1шт.

12

155543C91

BRACKET ASSY., upper trash roll, inner pivot, R.H.

1шт.

18481R1

COTTER PIN,3/16" x 1"

PIN, SPLIT (COTTER), 3/16" x 1"

2шт.

608701R1

WASHER

21/32 x 1-1/4 x 16 ga. C-Z

2шт.

13

939318R1

BOLT, trash roll spring eye

2шт.

425-1410

JAM NUT,Jam, 5/8"-11, G5

5/8-11 C-Z hex. jam

4шт.

608701R1

WASHER

21/32 x 1-1/4 x 16 ga. C-Z

2шт.

14

VB577

SPRING, trash roll

2шт.

15

939319R1

ANGLE, trash roll spring

2шт.

16897R1

CARRIAGE BOLT,Short Nk, 5/16" - 18 x 3/4", Gr 2, Full Thd

BOLT, 5/16 x 3/4 C-Z sq-nk. crg.

4шт.

938017R1

FLANGE NUT,Flg, USR, 5/16"-18

5/16-18 C-Z whiz lock

4шт.

16

939320R1

GEAR, trash roll, 12T

4шт.

17

586156R91

BEARING

ASSY., trash roll gear ball

4шт.

18838R1

BOLT, 3/4 x 2 C-Z hex-hd. mach. Hex, 3/4"-10 x 2", G2

2шт.

426897

JAM NUT,Jam, 3/4"-10, G5

3/4-10 C-Z hex. jam

2шт.

87340

LOCK WASHER,Helical Spring, 0.759" ID, CST, ZND

WASHER, LOCK, 3/4"

2шт.

178375R1

WASHER

25/32 x 1-1/4 x 16 ga. C-Z

10шт.

18

586116R1

BOLT,Hex, 3/4" - 10 x 2 1/2"

upper trash roll gear

2шт.

426897

JAM NUT,Jam, 3/4"-10, G5

3/4-10 C-Z hex. jam

2шт.

87340

LOCK WASHER,Helical Spring, 0.759" ID, CST, ZND

WASHER, LOCK, 3/4"

2шт.

178375R1

WASHER

25/32 x 1-1/4 x 16 ga. C-Z

10шт.

19

357323R1

RING, SNAP

RING, trash roll gear brg. snap

4шт.

20

939321R22

ROLL W/BUSHINGS, trash lower, includes ref. no. 28

2шт.

21

939322R1

SLEEVE, lower trash roll

2шт.

20730R1

BOLT, 5/8 x 1-1/2 znp. hex-hd. mach.

2шт.

606546R1

JAM NUT

5/8 C-Z lock

2шт.

22815R1

WASHER

29/32 x 1-1/4 x 22 ga. C-Z

4шт.

22

579251R1

SPROCKET, lower trash roll, 16T

2шт.

23

939323R1

12 PT SCREW,Flg, 5/16" - 18 x 0.88"

BOLT, lower trash roll sprocket

8шт.

80681

LOCK WASHER,5/16"

WASHER, LOCK, 5/16"

8шт.

24

939324R1

BLOCK, trash roll drive chain tightener

2шт.

12872R1

BOLT,Short NK, 5/16"-18 x 1", G2, Full Thd

CARRIAGE, Short NK, 5/16"-18 x 1", G2, Full Thd

2шт.

120376

NUT,5/16"-18, G5

2шт.

80681

LOCK WASHER,5/16"

WASHER, LOCK, 5/16"

2шт.

619855R1

WASHER

11/3" x 3/4 x 16 ga. C-Z

2шт.

25

CHAIN, trash roll drive, use 65 links from 10-ft. roll marked 1791D, one connecting link 1310D, one offset connecting link 1315D

2шт.

26

939327R91

SPROCKET ASSY., trash roll drive, 31T

2шт.

27

587016R1

KEY, trash roll drive sprocket

2шт.

28

589813R1

BUSHING

lower trash roll, for use w/939312R11 roll

4шт.

28

166414C1

BUSHING, lower trash roll, for use w/939312R22 roll

4шт.

29

938285R1

ANGLE, elevator hood seal support

2шт.

938017R1

FLANGE NUT,Flg, USR, 5/16"-18

5/16-18 C-Z whiz lock

8шт.

477-73108

SERRATED SCREW,Sl Truss Hd, 5/16" - 18 x 1/2"

5/16-18 x 1/2 C-Z slt-truss-hd. whiz lock

8шт.

30

938284R1

SEAL, elevator hood

2шт.

938017R1

FLANGE NUT,Flg, USR, 5/16"-18

5/16-18 C-Z whiz lock

12шт.

477-73108

SERRATED SCREW,Sl Truss Hd, 5/16" - 18 x 1/2"

5/16-18 x 1/2 C-Z slt-truss-hd whiz lock

12шт.

Выбрано товаров: 79