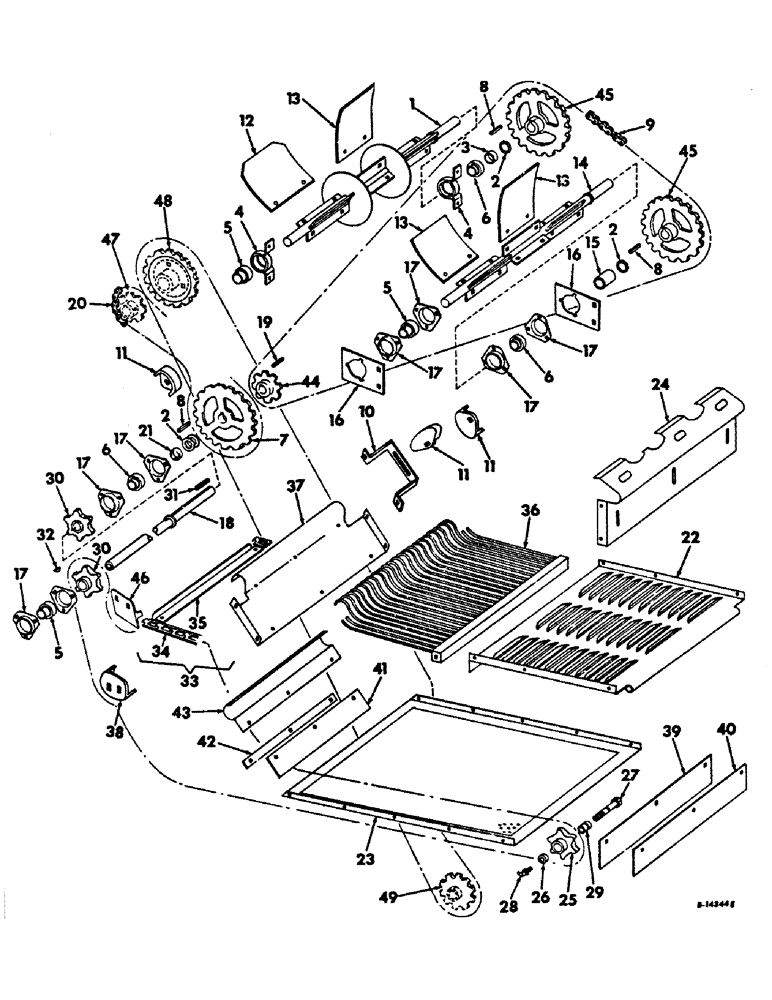
Запчасти Case IH 234 (C-10) - HUSKER, HUSKER CONVEYOR AND EAR CONVEYOR (58) - ATTACHMENTS/HEADERS

Схема запчастей Case IH 234 - (C-10) - HUSKER, HUSKER CONVEYOR AND EAR CONVEYOR (58) - ATTACHMENTS/HEADERS
3
47
5
16
10
17
26
7
17
11
32
8
19
42
4
11
21
48
8
6
20
2
37
2
5
1
17
38
4
23
49
46
9
28
6
17
13
22
8
34
41
29
13
45
15
33
18
17
11
36
12
30
13
17
6
25
14
35
44
30
27
5
40
17
2
39
31
16
45
43
24
FIT
1:1
100%

Артикул

Название

Примечание

Количество

1

937761R91

SHAFT ASSY., ear conveyor outer

2шт.

492-11100

LOCK WASHER,1"

WASHER, LOCK, 1"

2шт.

2

654283R1

THRUST WASHER

conveyork shaft

22шт.

3

654385R1

SPACER,26.21mm ID x 31.75mm OD x 19.05mm L

ear conveyor shaft

2шт.

4

666590R1

BLOCK, ear conveyor shaft brg.

4шт.

18508R1

CARRIAGE BOLT,Short Nk, 3/8" - 16 x 3/4", Gr 2, Full Thd

BOLT, 3/8 x 3/4 znd. sq-nk. crg.

8шт.

120377

NUT,3/8" - 16, Gr 5

8шт.

120382

LOCK WASHER,Helical Spring, 3/8"

WASHER, LOCK, 3/8"

8шт.

5

671681R91

BEARING ASSY,25.43mm ID x 52.09mm OD x 16mm W

ASSY., conveyor shaft rear and husk conveyor outer shaft ball

6шт.

139009

PRESSURE PIPE

SCREW, 1/4-28 x 1/4 hex-soc-hd. cup-pt. set

12шт.

6

155264C91

BALL BEARING,25.43mm ID x 52.09mm OD x 16mm W

ASSY., conveyor shaft front and husk conveyor outer shaft ball

6шт.

7

937591R1

SPROCKET, husk conveyor driven, 21-T

2шт.

86837293

SHAFT

1/2-20 x 1 znd. hex-hd. cap

2шт.

138549

LOCK WASHER,Int Tooth, 1/2"

WASHER, LOCK, Int Tooth, 1/2"

4шт.

550R610R1

WASHER, 17/32 x 1-1/2 x 3/16

2шт.

8

150532C1

KEY

ear conveyor driven sprocket

6шт.

9

CHAIN, ear conveyor drive, use 73 links from 10-ft. roll marked 569089R91, 1 connecting link 587372R91, 1 offset link 456929R91

2шт.

10

937757R1

BRACKET, drive chain tightener

2шт.

17351R1

CARRIAGE BOLT,Short Sq Nk, 3/8" - 16 x 1", Gr 2

BOLT, 3/8 x 1 znd. sq-nk. crg.

4шт.

120377

NUT,3/8" - 16, Gr 5

4шт.

120382

LOCK WASHER,Helical Spring, 3/8"

WASHER, LOCK, 3/8"

4шт.

11

583619R1

BLOCK

drive chain tightener, L.H.

3шт.

11

583620R1

BLOCK

drive chain tightener, R.H.

3шт.

12872R1

BOLT,Short NK, 5/16"-18 x 1", G2, Full Thd

CARRIAGE, Short NK, 5/16"-18 x 1", G2, Full Thd

6шт.

120376

NUT,5/16"-18, G5

6шт.

80681

LOCK WASHER,5/16"

WASHER, LOCK, 5/16"

6шт.

12

937755R1

RUBBER FLIGHT

FLIGHT, ear conveyor outer

12шт.

13

937765R1

RUBBER FLIGHT

FLIGHT, ear conveyor center & inner

24шт.

12872R1

BOLT,Short NK, 5/16"-18 x 1", G2, Full Thd

CARRIAGE, Short NK, 5/16"-18 x 1", G2, Full Thd

72шт.

938017R1

FLANGE NUT,Flg, USR, 5/16"-18

5/16 C-Z whiz lock

72шт.

134238R1

WASHER

11/32 x 1 x 16 ga. C-Z

72шт.

14

151474C91

SHAFT ASSY., ear conveyor inner

2шт.

492-11100

LOCK WASHER,1"

WASHER, LOCK, 1"

2шт.

15

151478C1

SPACER,1 1/4" Tube x 1 5/8"

ear conveyor inner shaft

2шт.

16

151479C1

BRACKET, ear conveyor inner shaft brg.

4шт.

16897R1

CARRIAGE BOLT,Short Nk, 5/16" - 18 x 3/4", Gr 2, Full Thd

BOLT, 5/16 x 3/4 znd. sq-nk. crg.

8шт.

938017R1

FLANGE NUT,Flg, USR, 5/16"-18

5/16-18 C-Z whiz lock

8шт.

17

571424R1

FLANGE

conveyor shaft inner brg.

16шт.

16897R1

CARRIAGE BOLT,Short Nk, 5/16" - 18 x 3/4", Gr 2, Full Thd

BOLT, 5/16 x 3/4 C-Z sq-nk. crg.

24шт.

938017R1

FLANGE NUT,Flg, USR, 5/16"-18

5/16 C-Z whiz lock

24шт.

18

937612R11

SHAFT ASSY., husk conveyor

2шт.

492-11100

LOCK WASHER,1"

WASHER, LOCK, 1"

2шт.

19

587016R1

KEY, conveyor drive sprocket

2шт.

20

CHAIN, husk conveyor drive, use 33 links from 10-ft. roll marked 569089R91, 1 connecting link 587372R91

2шт.

21

937130R1

SPACER, husk conveyor drive shaft

2шт.

22

937616R1

SIEVE

husk conveyor divider

2шт.

18673R1

CARRIAGE BOLT,Short Sq Nk, 5/16" - 18 x 1/2", Gr 2

BOLT, 5/16 x 1/2 C-Z sq-nk. crg.

4шт.

16897R1

CARRIAGE BOLT,Short Nk, 5/16" - 18 x 3/4", Gr 2, Full Thd

BOLT, 5/16 x 3/4 C-Z sq-nk. crg.

4шт.

938017R1

FLANGE NUT,Flg, USR, 5/16"-18

5/16-18 C-Z whiz lock

16шт.

477-73108

SERRATED SCREW,Sl Truss Hd, 5/16" - 18 x 1/2"

5/16-18 x 1/2 C-Z slt-truss-hd. whiz lock

8шт.

23

937615R1

SIEVE, husk conveyor bottom

2шт.

18673R1

CARRIAGE BOLT,Short Sq Nk, 5/16" - 18 x 1/2", Gr 2

BOLT, 5/16 x 1/2 C-Z sq-nk. crg.

4шт.

16897R1

CARRIAGE BOLT,Short Nk, 5/16" - 18 x 3/4", Gr 2, Full Thd

BOLT, 5/16 x 3/4 C-Z sq-nk. crg.

8шт.

938017R1

FLANGE NUT,Flg, USR, 5/16"-18

5/16-18 C-Z whiz lock

20шт.

477-73108

SERRATED SCREW,Sl Truss Hd, 5/16" - 18 x 1/2"

5/16-18 x 1/2 C-Z slt-truss-hd whiz lock

8шт.

24

937620R21

SHIELD ASSY., husk conveyor chain inner, L.H.

1шт.

24

937621R21

SHIELD ASSY., husk conveyor chain inner, R.H.

1шт.

18763R1

BOLT,Hex, 5/16" - 18 x 1/2", Gr 2

5/16 x 1/2 C-Z hex-hd. mach.

8шт.

80681

LOCK WASHER,5/16"

WASHER, LOCK, 5/16"

8шт.

25

937595R11

SPROCKET ASSY., husk conveyor chain idler, 6-T, includes ref. no 26

4шт.

26

551957R1

BUSHING, idler sprocket

4шт.

27

586149R1

BOLT, husk conveyor chain idler sprocket

4шт.

280374

NUT,Hex, 5/8" - 11, Gr 5

5/8 C-Z hex.

4шт.

121574R1

WASHER, 5/8 C-Z med. lock

4шт.

21761R1

WASHER

29/32 x 1-1/2 x 16 ga.

12шт.

464623R1

WASHER

29/32 x 1-1/2 x 11 ga.

4шт.

28

219-31

LUBE NIPPLE,30 Degree Elbow, 1/8" - 27 NPTF

FITTING, 1/8-27 PTF 30 deg. angle, rear idler sprocket

2шт.

28

80711

LUBE NIPPLE,65 Degree, 1/8" NPT x 7/8" lg

FITTING, 1/8-27 67-1/2 deg. angle lube, front idler sprocket

2шт.

29

578680R1

SPACER, husk conveyor chain idler sprocket

4шт.

30

937596R1

SPROCKET, husk conveyor drive, 6-T

4шт.

31

150532C1

KEY

husk conveyor drive sprocket

2шт.

32

124553

WOODRUFF KEY,#15, 1/4" x 1", HT

2шт.

33

937613R92

CONVEYOR

CHAIN ASSY., husk conveyor

2шт.

34

NLS

NO LONGER SERVICED

LINK, plain

176шт.

35

159955C91

SLAT

CONVEYOR SLAT ASSY., husk-service, for use w/no. 55 steel link

1шт.

35

152771C91

CONVEYOR SLAT ASSY., husk-service, for use w/no. 45 steel link

1шт.

36

937617R91

SIEVE ASSY., husk conveyor rod

2шт.

16897R1

CARRIAGE BOLT,Short Nk, 5/16" - 18 x 3/4", Gr 2, Full Thd

BOLT, 5/16 x 3/4 C-Z sq-nk. crg.

4шт.

938017R1

FLANGE NUT,Flg, USR, 5/16"-18

5/16 C-Z whiz lock

4шт.

37

937619R1

SHIELD, husk conveyor outer shaft

2шт.

18673R1

CARRIAGE BOLT,Short Sq Nk, 5/16" - 18 x 1/2", Gr 2

BOLT, 5/16 x 1/2 C-Z sq-nk. crg.

6шт.

938017R1

FLANGE NUT,Flg, USR, 5/16"-18

5/16-18 C-Z whiz lock

6шт.

38

937606R2

BLOCK, husk conveyor chain, L.H.

2шт.

38

937607R2

BLOCK, husk conveyor chain, R.H.

2шт.

12872R1

BOLT,Short NK, 5/16"-18 x 1", G2, Full Thd

CARRIAGE, Short NK, 5/16"-18 x 1", G2, Full Thd

8шт.

120376

NUT,5/16"-18, G5

8шт.

80681

LOCK WASHER,5/16"

WASHER, LOCK, 5/16"

8шт.

20893R1

WASHER

11/32 x 1 x 11 ga. C-Z

8шт.

39

937623R1

STRIP, husk conveyor seal

2шт.

16897R1

CARRIAGE BOLT,Short Nk, 5/16" - 18 x 3/4", Gr 2, Full Thd

BOLT, 5/16 x 3/4 C-Z sq-nk. crg.

6шт.

120376

NUT,5/16"-18, G5

6шт.

80681

LOCK WASHER,5/16"

WASHER, LOCK, 5/16"

6шт.

134238R1

WASHER

11/32 x 1 x 16 ga. C-Z

6шт.

40

937622R1

SEAL, husk conveyor

2шт.

41

937624R1

SEAL, husk conveyor outer

2шт.

42

937625R1

STRIP, husk conveyor outer seal

2шт.

16897R1

CARRIAGE BOLT,Short Nk, 5/16" - 18 x 3/4", Gr 2, Full Thd

BOLT, 5/16 x 3/4 C-Z sq-nk. crg.

6шт.

938017R1

FLANGE NUT,Flg, USR, 5/16"-18

5/16 C-Z whiz lock

6шт.

43

151443C1

SHIELD, husk conveyor shaft lower

2шт.

938017R1

FLANGE NUT,Flg, USR, 5/16"-18

5/16-18 C-Z whiz lock

6шт.

477-73108

SERRATED SCREW,Sl Truss Hd, 5/16" - 18 x 1/2"

5/16-18 x 1/2 C-Z slt-truss-hd. whiz lock

6шт.

44

586359R1

SPROCKET, ear conveyor driven, 8T, serial no. 1883 and below

4шт.

44

937748R1

SPROCKET ASSY.

SPROCKET, ear conveyor driven, 10T serial no. 1884 and above

2шт.

181696

1/2-20 x 1 C-Z hex-hd. cap

2шт.

138549

LOCK WASHER,Int Tooth, 1/2"

WASHER, LOCK, Int Tooth, 1/2"

4шт.

550610R1

WASHER

17/32 x 1-1/2 x 3/16

2шт.

45

632190R1

SPROCKET, ear conveyor driven, 13T, serial no. 1883 and below

4шт.

45

937591R1

SPROCKET, ear conveyor driven, 21T, special slow speed serial no. 1883 and below, standard serial no. 1884 and above

4шт.

86837293

SHAFT

1/2-20 x znd. hex-hd. cap

2шт.

138549

LOCK WASHER,Int Tooth, 1/2"

WASHER, LOCK, Int Tooth, 1/2"

4шт.

550610R1

WASHER

17/32 x 1-1/2 x 3/16

2шт.

46

159947C1

BLOCK, husk conveyor chain upper, L.H.

2шт.

46

159948C1

BLOCK, husk conveyor chain upper, R.H.

2шт.

12872R1

BOLT,Short NK, 5/16"-18 x 1", G2, Full Thd

CARRIAGE, Short NK, 5/16"-18 x 1", G2, Full Thd

8шт.

938017R1

FLANGE NUT,Flg, USR, 5/16"-18

5/16 C-Z whiz lock

8шт.

47

SPROCKET, husk conveyor drive, 8T, refer to husker rolls and drive for listing

1шт.

48

SPROCKET, husker roll driven, 18-T, refer to husker rolls and drive for listing

1шт.

49

SPROCKET, husking roll drive, 10-T, refer to elevator control and husker drive for listing

1шт.

Выбрано товаров: 118