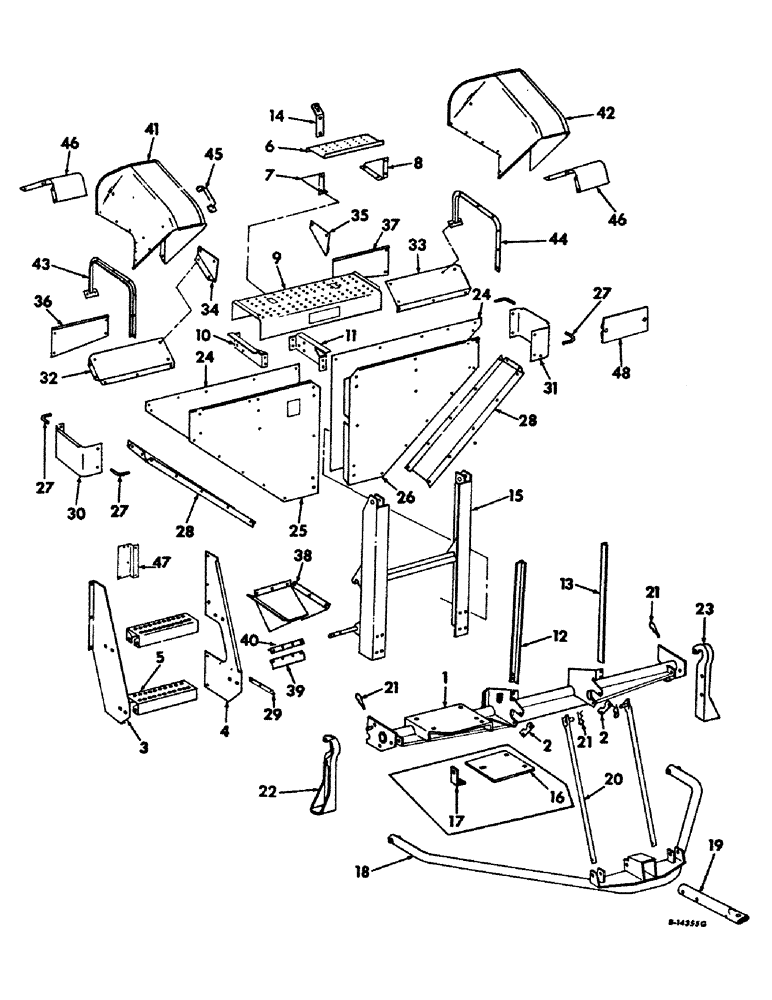
Запчасти Case IH 234 (E-02) - HOPPER, HOPPER FRAME AND STAND (58) - ATTACHMENTS/HEADERS

Схема запчастей Case IH 234 - (E-02) - HOPPER, HOPPER FRAME AND STAND (58) - ATTACHMENTS/HEADERS
29
42
36
25
21
4
44
34
39
2
14
28
21
10
45
8
22
27
1
35
46
19
48
21
33
24
38
47
24
20
27
40
23
12
18
31
5
28
15
37
27
13
26
9
41
6
7
16
32
30
3
17
2
43
46
FIT
1:1
100%

Артикул

Название

Примечание

Количество

1

150565C91

FRAME ASSY., hopper unit

1шт.

231-14410

NUT,5/8"-11, GB

NUT, LOCK, 5/8"-11, GB

2шт.

21882R1

WASHER, 21/32 x 2 x 16 ga. C-Z

2шт.

2

937868R1

BRACKET, elevator support retainer

2шт.

18421R1

CARRIAGE BOLT,Short Sq Nk, 7/16" - 14 x 1", Gr 2

BOLT, CARRIAGE, Short NK, 7/16"-14 x 1", G5, Full Thd

4шт.

271501

SOCKET

NUT, 7/16 C-Z hex.

4шт.

120383

LOCK WASHER,Helical Spring, 7/16"

WASHER, LOCK, 7/16"

4шт.

3

150566C1

SIDE, ladder, L.H.

1шт.

16897R1

CARRIAGE BOLT,Short Nk, 5/16" - 18 x 3/4", Gr 2, Full Thd

BOLT, 5/16 x 3/4 C-Z sq-nk. crg.

1шт.

938017R1

FLANGE NUT,Flg, USR, 5/16"-18

5/16 C-Z whiz lock

1шт.

4

937877R1

SIDE, ladder, R.H.

1шт.

16897R1

CARRIAGE BOLT,Short Nk, 5/16" - 18 x 3/4", Gr 2, Full Thd

BOLT, 5/16 x 3/4 C-Z sq-nk. crg.

1шт.

938017R1

FLANGE NUT,Flg, USR, 5/16"-18

5/16 C-Z whiz lock

1шт.

5

937878R1

STEP, operators ladder

2шт.

18672R1

BOLT, 5/16 x 1/2 C-Z sq-nk. crg.

8шт.

938017R1

FLANGE NUT,Flg, USR, 5/16"-18

5/16-18 C-Z whiz lock

8шт.

6

938199R1

STEP, operators

1шт.

7

938200R1

BRACKET, operators step, L.H.

1шт.

18421R1

CARRIAGE BOLT,Short Sq Nk, 7/16" - 14 x 1", Gr 2

BOLT, CARRIAGE, Short NK, 7/16"-14 x 1", G5, Full Thd

2шт.

NLS

NO LONGER SERVICED

NUT, 7/16 C-Z hex.

2шт.

120383

LOCK WASHER,Helical Spring, 7/16"

WASHER, LOCK, 7/16"

2шт.

8

938201R1

BRACKET, operators step, R.H.

1шт.

9

169219C1

PLATFORM ASSY., hopper unit

1шт.

938017R1

FLANGE NUT,Flg, USR, 5/16"-18

5/16-18 C-Z whiz lock

8шт.

135270

SERRATED SCREW,5/16" - 18 x 3/4"

5/16 x 3/4 C-Z whiz lock

8шт.

10

938187R11

BRACKET ASSY., platform support, L.H., serial no. 675 and below

1шт.

10

168555C11

BRACKET ASSY., platform support, L.H., serial no. 676 and above

1шт.

18421R1

CARRIAGE BOLT,Short Sq Nk, 7/16" - 14 x 1", Gr 2

BOLT, CARRIAGE, Short NK, 7/16"-14 x 1", G5, Full Thd

1шт.

271501

SOCKET

NUT, 7/16 C-Z hex.

1шт.

120383

LOCK WASHER,Helical Spring, 7/16"

WASHER, LOCK, 7/16"

1шт.

11

938188R11

BRACKET ASSY., platform support, R.H., serial no. 675 and below

1шт.

11

168556C11

BRACKET ASSY., platform support, R.H., serial no. 676 and above

1шт.

18421R1

CARRIAGE BOLT,Short Sq Nk, 7/16" - 14 x 1", Gr 2

BOLT, CARRIAGE, Short NK, 7/16"-14 x 1", G5, Full Thd

1шт.

18695R1

CARRIAGE BOLT,Short Sq Nk, 7/16" - 14 x 1 1/4", Gr 2

BOLT, 7/16 x 1-1/4 C-Z sq-nk. crg.

1шт.

NLS

NO LONGER SERVICED

NUT, 7/16 C-Z hex.

1шт.

120383

LOCK WASHER,Helical Spring, 7/16"

WASHER, LOCK, 7/16"

1шт.

12

938190R11

ANGLE ASSY., hopper rear inner, L.H.

1шт.

18421R1

CARRIAGE BOLT,Short Sq Nk, 7/16" - 14 x 1", Gr 2

BOLT, CARRIAGE, Short NK, 7/16"-14 x 1", G5, Full Thd

2шт.

271501

SOCKET

NUT, 7/16 C-Z hex.

2шт.

120383

LOCK WASHER,Helical Spring, 7/16"

WASHER, LOCK, 7/16"

2шт.

13

938191R11

ANGLE ASSY., hopper rear inner, R.H.

1шт.

18421R1

CARRIAGE BOLT,Short Sq Nk, 7/16" - 14 x 1", Gr 2

BOLT, CARRIAGE, Short NK, 7/16"-14 x 1", G5, Full Thd

2шт.

NLS

NO LONGER SERVICED

NUT, 7/16 C-Z hex.

2шт.

120383

LOCK WASHER,Helical Spring, 7/16"

WASHER, LOCK, 7/16"

2шт.

14

938202R1

BRACKET, load leveler chain

1шт.

18695R1

CARRIAGE BOLT,Short Sq Nk, 7/16" - 14 x 1 1/4", Gr 2

BOLT, 7/16 x 1-1/4 C-Z sq-nk. crg.

2шт.

271501

SOCKET

NUT, 7/16 C-Z hex.

2шт.

120383

LOCK WASHER,Helical Spring, 7/16"

WASHER, LOCK, 7/16"

2шт.

15

150381C91

FRAME ASSY., front support, serial no. 675 and below

1шт.

15

168549C1

FRAME ASSY., front support, serial no. 676 and above

1шт.

18421R1

CARRIAGE BOLT,Short Sq Nk, 7/16" - 14 x 1", Gr 2

BOLT, CARRIAGE, Short NK, 7/16"-14 x 1", G5, Full Thd

8шт.

NLS

NO LONGER SERVICED

NUT, 7/16 C-Z hex.

8шт.

120383

LOCK WASHER,Helical Spring, 7/16"

WASHER, LOCK, 7/16"

8шт.

16

151448C1

SHEET, wagon elevator sprocket, serial no. 675 and below

1шт.

18508R1

CARRIAGE BOLT,Short Nk, 3/8" - 16 x 3/4", Gr 2, Full Thd

BOLT, 3/8 x 3/4 C-Z sq-nk. crg.

3шт.

120377

NUT,3/8" - 16, Gr 5

3шт.

120382

LOCK WASHER,Helical Spring, 3/8"

WASHER, LOCK, 3/8"

3шт.

17

573134R1

SUPPORT, elevator sprocket sheet, serial no. 675 and below

1шт.

18508R1

CARRIAGE BOLT,Short Nk, 3/8" - 16 x 3/4", Gr 2, Full Thd

BOLT, 3/8 x 3/4 C-Z sq-nk. crg.

1шт.

120377

NUT,3/8" - 16, Gr 5

1шт.

120382

LOCK WASHER,Helical Spring, 3/8"

WASHER, LOCK, 3/8"

1шт.

18

937661R91

HITCH ASSY., wagon

1шт.

217973

COTTER PIN,1/4" x 1 1/4"

Pin, Split (Cotter), 1/4" x 1-1/4"

2шт.

21667R1

HEADED PIN,3/4" x 3 3/4"

PIN, 3/4 x 3-1/2 C-Z std-hd.

2шт.

19

937666R11

PIPE ASSY., extension

1шт.

217973

COTTER PIN,1/4" x 1 1/4"

Pin, Split (Cotter), 1/4" x 1-1/4"

1шт.

21667R1

HEADED PIN,3/4" x 3 3/4"

PIN, 3/4 x 3-1/2 C-Z std-hd.

1шт.

20

937667R11

PIPE ASSY., wagon hitch brace

2шт.

18481R1

COTTER PIN,3/16" x 1"

PIN, SPLIT (COTTER), 3/16" x 1"

2шт.

21150R1

HEADED PIN,12.7mm OD x 57.15mm L

PIN, 1/2 x 2-1/4 C-Z std-hd.

2шт.

21

520175R1

CLIP

PIN, 3/16 quick attachable

4шт.

22

937672R1

LOCK, stand, L.H.

1шт.

671034R1

PIN

1/2 x 1-1/2 C-Z std-hd.

1шт.

23

937673R1

LOCK, stand, R.H.

1шт.

671034R1

PIN

1/2 x 1-1/2 C-Z std-hd.

2шт.

24

150568C1

SIDE, hopper front

2шт.

16897R1

CARRIAGE BOLT,Short Nk, 5/16" - 18 x 3/4", Gr 2, Full Thd

BOLT, 5/16 x 3/4 C-Z sq-nk. crg.

4шт.

17351R1

CARRIAGE BOLT,Short Sq Nk, 3/8" - 16 x 1", Gr 2

BOLT, 3/8 x 1 C-Z sq-nk. crg.

4шт.

120377

NUT,3/8" - 16, Gr 5

4шт.

938017R1

FLANGE NUT,Flg, USR, 5/16"-18

5/16 C-Z whiz lock

4шт.

477-73108

SERRATED SCREW,Sl Truss Hd, 5/16" - 18 x 1/2"

5/16 x 1/2 C-Z whiz lock

4шт.

80681

LOCK WASHER,5/16"

WASHER, LOCK, 5/16"

4шт.

25

150569C11

SIDE ASSY., hopper rear, L.H.

1шт.

18673R1

CARRIAGE BOLT,Short Sq Nk, 5/16" - 18 x 1/2", Gr 2

BOLT, 5/16 x 1/2 C-Z sq-nk. crg.

1шт.

18508R1

CARRIAGE BOLT,Short Nk, 3/8" - 16 x 3/4", Gr 2, Full Thd

BOLT, 3/8 x 3/4 C-Z sq-nk. crg.

2шт.

120377

NUT,3/8" - 16, Gr 5

2шт.

938017R1

FLANGE NUT,Flg, USR, 5/16"-18

5/16 C-Z whiz lock

1шт.

120382

LOCK WASHER,Helical Spring, 3/8"

WASHER, LOCK, 3/8"

2шт.

26

150570C1

SIDE, hopper rear, R.H.

1шт.

18673R1

CARRIAGE BOLT,Short Sq Nk, 5/16" - 18 x 1/2", Gr 2

BOLT, 5/16 x 1/2 C-Z sq-nk. crg.

1шт.

18508R1

CARRIAGE BOLT,Short Nk, 3/8" - 16 x 3/4", Gr 2, Full Thd

BOLT, 3/8 x 3/4 C-Z sq-nk crg.

2шт.

120377

NUT,3/8" - 16, Gr 5

2шт.

938017R1

FLANGE NUT,Flg, USR, 5/16"-18

5/16 C-Z whiz lock

1шт.

120382

LOCK WASHER,Helical Spring, 3/8"

WASHER, LOCK, 3/8"

2шт.

27

937904R1

PIN, hopper corner reinforcement

4шт.

28

150571C2

BOTTOM, hopper, not used w/auger

2шт.

29

161231C1

ANGEL, ladder side reinforcement, R.H., serial no. 1611 & above

1шт.

18673R1

CARRIAGE BOLT,Short Sq Nk, 5/16" - 18 x 1/2", Gr 2

BOLT, 5/16 x 1/2 C-Z sq-nk. crg.

2шт.

16897R1

CARRIAGE BOLT,Short Nk, 5/16" - 18 x 3/4", Gr 2, Full Thd

BOLT, 5/16 x 3/4 C-Z sq-nk. crg.

1шт.

938017R1

FLANGE NUT,Flg, USR, 5/16"-18

5/16 C-Z whiz lock

3шт.

30

150575C1

COVER, hopper end, L.H.

1шт.

477-73108

SERRATED SCREW,Sl Truss Hd, 5/16" - 18 x 1/2"

5/16-18 x 1/2 C-Z slt-truss-hd. whiz lock

8шт.

938017R1

FLANGE NUT,Flg, USR, 5/16"-18

5/16-18 C-Z whiz lock

8шт.

31

150576C1

COVER, hopper end, R.H.

1шт.

938017R1

FLANGE NUT,Flg, USR, 5/16"-18

5/16-18 C-Z whiz lock

8шт.

632226T1

SCREW, 5/16-18 x 1/2 C-Z slt-truss-hd. whiz lock

8шт.

32

150573C1

SECTION, hopper front, L.H.

1шт.

938017R1

FLANGE NUT,Flg, USR, 5/16"-18

5/16-18 C-Z whiz lock

5шт.

477-73108

SERRATED SCREW,Sl Truss Hd, 5/16" - 18 x 1/2"

5/16-18 x 1/2 C-Z slt-truss-hd. whiz lock

5шт.

33

150574C1

SECTION, hopper front, R.H.

1шт.

938017R1

FLANGE NUT,Flg, USR, 5/16"-18

5/16-18 C-Z whiz lock

5шт.

477-73108

SERRATED SCREW,Sl Truss Hd, 5/16" - 18 x 1/2"

5/16-18 x 1/2 C-Z slt-truss-hd. whiz lock

5шт.

34

150581C1

REINFORCEMENT, front section, L.H.

1шт.

35

150582C1

REINFORCEMENT, front section, R.H.

1шт.

36

150577C1

SHIELD, hopper front, L.H.

1шт.

37

150578C1

SHIELD, hopper front, R.H.

1шт.

38

150579C91

HOPPER ASSY., elevator

1шт.

938017R1

FLANGE NUT,Flg, USR, 5/16"-18

5/16-18 C-Z whiz lock

13шт.

477-73108

SERRATED SCREW,Sl Truss Hd, 5/16" - 18 x 1/2"

5/16-18 x 1/2 C-Z slt-truss-hd. whiz lock

13шт.

39

937905R1

SEAL, elevator

1шт.

40

937906R1

STRAP, elevator seal

1шт.

41

938138R91

HOOD ASSY., fan, L.H.

1шт.

42

938139R91

HOOD ASSY., fan, R.H.

1шт.

43

938153R91

ANGLE ASSY., fan hood outer sheet, L.H.

1шт.

44

938154R91

ANGLE ASSY., fan hood outer sheet, R.H.

1шт.

45

937109R1

HANDLE, operator ladder

1шт.

938016R1

FLANGE NUT,Flg, USR, 1/4"-20

1/4-20 C-Z whiz lock

4шт.

937059R1

SCREW,Serr, M10 x 70mm, Cl 10.9

1/4-20 x 1/2 C-Z slt-truss-hd. whiz lock

4шт.

46

938152R1

DEFLECTOR, fan hood

2шт.

47

171896C1

SUPPORT, SMV emblem

1шт.

938017R1

FLANGE NUT,Flg, USR, 5/16"-18

5/16 C-Z whiz lock

1шт.

477-73108

SERRATED SCREW,Sl Truss Hd, 5/16" - 18 x 1/2"

5/16 x 1/2 C-Z whiz lock

1шт.

48

175311C1

REFLECTOR

hopper unit

2шт.

Выбрано товаров: 133