Запчасти Case IH 234 (E-05) - HOPPER, HOPPER DRIVE AND ELEVATOR CONTROL (58) - ATTACHMENTS/HEADERS

Схема запчастей Case IH 234 - (E-05) - HOPPER, HOPPER DRIVE AND ELEVATOR CONTROL (58) - ATTACHMENTS/HEADERS
15
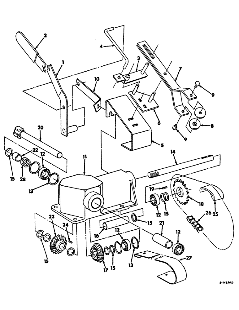
12
12
14
1
18
4
17
9
9
13
24
26
3
15
7
10
5
19
20
23
25
27
2
15
28
22
8
6
12
12
16
15
13
15
11
21
FIT
1:1
100%

Артикул

Название

Примечание

Количество

1

937843R91

LEVER ASSY., elevator throw-out

1шт.

217973

COTTER PIN,1/4" x 1 1/4"

Pin, Split (Cotter), 1/4" x 1-1/4"

1шт.

21753R1

WASHER

25/32 x 1-1/2 x 16 ga. C-Z

1шт.

2

632519R1

GRIP

throw-out control lever handle

1шт.

3

161044C91

LEVER ASSY., elevator throwout lever, when ordering ref. 3 for machines serial no. 535 and below, ref. nos. 5 & 6 must be serviced also

1шт.

648002

KNIFE

1/8" x 3/4"

1шт.

619856R1

WASHER

13/32 x 1 x 16 ga. C-Z

6шт.

4

937847R1

PIN, elevator throw-out

1шт.

648002

KNIFE

1/8" x 3/4"

2шт.

619856R1

WASHER

13/32 x 1 x 16 ga. C-Z

4шт.

5

161049C1

BRACKET, elevator throwout yoke pivot, when ordering ref. 5 for machines serial no. 535 and below, ref. nos. 3 & 6 must be serviced also

1шт.

17351R1

CARRIAGE BOLT,Short Sq Nk, 3/8" - 16 x 1", Gr 2

BOLT, 3/8 x 1 C-Z sq-nk. crg.

1шт.

18778R1

SCREW,Hex, 3/8"-16 x 3/4", G2

BOLT, 3/8 x 3/4 C-Z hex-hd. mach.

1шт.

120377

NUT,3/8" - 16, Gr 5

1шт.

120382

LOCK WASHER,Helical Spring, 3/8"

WASHER, LOCK, 3/8"

2шт.

619856R1

WASHER

13/32 x 1 x 16 ga. C-Z

1шт.

6

161045C11

BRACKET W/PINS, yoke pivot adjusting, when ordering ref. 6 for machines serial no. 535 and below, ref. nos. 3 & 5 must be serviced also

1шт.

17351R1

CARRIAGE BOLT,Short Sq Nk, 3/8" - 16 x 1", Gr 2

BOLT, 3/8 x 1 C-Z sq-nk. crg.

2шт.

120377

NUT,3/8" - 16, Gr 5

2шт.

18481R1

COTTER PIN,3/16" x 1"

PIN, SPLIT (COTTER), 3/16" x 1"

2шт.

120382

LOCK WASHER,Helical Spring, 3/8"

WASHER, LOCK, 3/8"

2шт.

619856R1

WASHER

13/32 x 1 x 16 ga. C-Z

2шт.

21903R1

WASHER

17/32 x 3/4 x 16 ga. znd.

1шт.

178374R1

WASHER

17/32 x 1-1/4 x 16 ga. zn.

6шт.

7

161046C91

YOKE ASSY., elevator control throwout, includes ref. nos. 8 and 9

1шт.

8

575924R1

WASHER

DISC, throw-out yoke

2шт.

9

575923R1

RIVET

throw-out disc

2шт.

10

151450C1

STRAP, throw-out pivot support

1шт.

18494R1

BOLT,Hex, 3/8" - 16 x 1", Gr 2

3/8 x 1 C-Z hex-hd. mach.

1шт.

120382

LOCK WASHER,Helical Spring, 3/8"

WASHER, LOCK, 3/8"

1шт.

619856R1

WASHER

13/32 x 1 x 16 ga. C-Z

1шт.

11

937740R1

HOUSING, elevator drive gear

1шт.

18794R1

BOLT,Hex, 7/16" - 14 x 1", Gr 2

7/16 x 1 C-Z hex-hd. mach.

4шт.

271501

SOCKET

NUT, 7/16 hex.

4шт.

120383

LOCK WASHER,Helical Spring, 7/16"

WASHER, LOCK, 7/16"

4шт.

12

586609R91

BALL BEARING

BEARING ASSY., drive gear housing and husker drive shaft, R.H., ball

4шт.

13

555602R1

RING

drive gear housing and drive shaft brg. snap

4шт.

14

937125R1

SHAFT, elevator drive

1шт.

15

654283R1

THRUST WASHER

elevator & hopper drive shaft

10шт.

15

654338R1

THRUST WASHER

gear thrust

2шт.

15

169204C1

WASHER, gear shim

2шт.

16

150527C1

SPACER, elevator drive shaft

1шт.

17

654281R1

PINION

GEAR, elevator drive shaft driven, 18-T

1шт.

18

937743R1

SPROCKET, elevator drive, 19-T

1шт.

181696

1/2-20 x 1 C-Z hex-hd. cap

1шт.

120384

WASHER,1/2"

LOCK, 1/2"

1шт.

22770R1

WASHER

17/32 x 1-1/2 x 7 ga. C-Z

1шт.

19

587016R1

KEY, elevator drive sprocket

1шт.

20

937744R91

COUPLING

SHAFT W/COUPLING, hopper drive, not used w/grinder unit drive

1шт.

20

159759C91

SHAFT ASSY., hopper drive, parts accessories, for use w/grinder unit drive

1шт.

86837293

SHAFT

1/2-20 x 1 C-Z hex-hd. cap

1шт.

120384

WASHER,1/2"

LOCK, 1/2"

1шт.

22770R1

WASHER

17/32 x 1-1/2 x 7 ga. C-Z

1шт.

21

937747R1

SPACER, hopper drive shaft brg., L.H.

1шт.

22

937065R1

SPACER, hopper drive

1шт.

23

935611R1

PINION

GEAR, elevator drive, 18-T

1шт.

24

587016R1

KEY, hopper drive shaft

1шт.

25

583620R1

BLOCK

elevator drive chain tightener

1шт.

12872R1

BOLT,Short NK, 5/16"-18 x 1", G2, Full Thd

CARRIAGE, Short NK, 5/16"-18 x 1", G2, Full Thd

1шт.

120376

NUT,5/16"-18, G5

1шт.

80681

LOCK WASHER,5/16"

WASHER, LOCK, 5/16"

1шт.

134238R1

WASHER

11/32 x 1 x 16 ga. C-Z

1шт.

26

CHAIN, elevator drive, use 47 links from 10-ft. roll marked 611362R91, one connecting link 574532R91 and one offset connecting link 612612R91

1шт.

27

168410C1

SHIELD, elevator drive, serial no. 676 and above

1шт.

16897R1

CARRIAGE BOLT,Short Nk, 5/16" - 18 x 3/4", Gr 2, Full Thd

BOLT, 5/16 x 3/4 C-Z sq-nk. crg.

1шт.

18674R1

BOLT,Short NK, 5/16"-18 x 1 1/2", G2

5/16 x 1-1/2 znd. sq-nk. crg.

1шт.

120376

NUT,5/16"-18, G5

2шт.

80681

LOCK WASHER,5/16"

WASHER, LOCK, 5/16"

2шт.

28

M81260

WASHER, hopper drive coupling

1шт.

Выбрано товаров: 69