Запчасти Case IH 234 (F-10) - SHELLER, SHELLER CORN CONVEYOR (58) - ATTACHMENTS/HEADERS

Схема запчастей Case IH 234 - (F-10) - SHELLER, SHELLER CORN CONVEYOR (58) - ATTACHMENTS/HEADERS
23
2
26
28
8
7
14
3
19
12
13
17
10
22
4
25
27
18
24
21
13
30
20
6
11
13
15
29
16
31
13
9
12
11
5
1
FIT
1:1
100%

Артикул

Название

Примечание

Количество

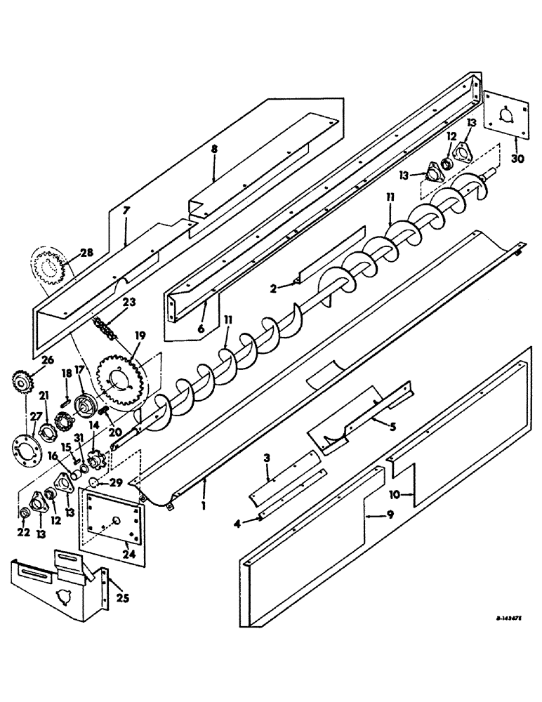
1

937682R91

TROUGH ASSY., shelled corn auger, serial no. 1990 and below

1шт.

1

937683R11

TROUGH ASSY., shelled corn auger, serial no. 1991 and above

1шт.

18673R1

CARRIAGE BOLT,Short Sq Nk, 5/16" - 18 x 1/2", Gr 2

BOLT, 5/16 x 1/2 C-Z sq-nk. crg.

2шт.

938017R1

FLANGE NUT,Flg, USR, 5/16"-18

5/16-18 C-Z whiz lock

2шт.

2

151398C1

ANGLE, hopper seal att.

1шт.

938017R1

FLANGE NUT,Flg, USR, 5/16"-18

5/16-18 C-Z whiz lock

3шт.

477-73108

SERRATED SCREW,Sl Truss Hd, 5/16" - 18 x 1/2"

5/16-18 x 1/2 C-Z slt-truss-truss-hd. whiz lock

3шт.

3

937905R1

SEAL, auger boot

1шт.

4

937906R1

STRIP, auger boot seal

1шт.

16897R1

CARRIAGE BOLT,Short Nk, 5/16" - 18 x 3/4", Gr 2, Full Thd

BOLT, 5/16 x 3/4 C-Z sq-nk. crg.

4шт.

120376

NUT,5/16"-18, G5

4шт.

80681

LOCK WASHER,5/16"

WASHER, LOCK, 5/16"

4шт.

5

939328R91

EXTENSION ASSY., hopper seal

1шт.

938017R1

FLANGE NUT,Flg, USR, 5/16"-18

5/16-18 C-Z whiz lock

5шт.

477-73108

SERRATED SCREW,Sl Truss Hd, 5/16" - 18 x 1/2"

5/16-18 x 1/2 C-Z slt-truss-hd. whiz lock

5шт.

6

937688R1

EXTENSION, auger trough rear, serial no. 1990 and below

1шт.

18673R1

CARRIAGE BOLT,Short Sq Nk, 5/16" - 18 x 1/2", Gr 2

BOLT, 5/16 x 1/2 C-Z sq-nk. crg.

2шт.

938017R1

FLANGE NUT,Flg, USR, 5/16"-18

5/16-18 C-Z whiz lock

19шт.

477-73108

SERRATED SCREW,Sl Truss Hd, 5/16" - 18 x 1/2"

5/16-18 x 1/2 C-Z slt-truss-hd. whiz lock

9шт.

135270

SERRATED SCREW,5/16" - 18 x 3/4"

5/16-18 x 3/4 C-Z slt-truss-hd. whiz lock

8шт.

7

151948C1

SHIELD, auger trough front, L.H., serial no. 2366 & below

1шт.

938017R1

FLANGE NUT,Flg, USR, 5/16"-18

5/16-18 C-Z whiz lock

1шт.

8

151949C1

SHIELD, auger trough front, R.H., serial no. 2366 & below

1шт.

938017R1

FLANGE NUT,Flg, USR, 5/16"-18

5/16-18 C-Z whiz lock

4шт.

9

152250C1

SHIELD, auger trough rear, L.H., serial no. 2366 & below

1шт.

938017R1

FLANGE NUT,Flg, USR, 5/16"-18

5/16-18 C-Z whiz lock

4шт.

10

152251C1

SHIELD, auger trough rear, R.H., serial no. 2366 & below

1шт.

938017R1

FLANGE NUT,Flg, USR, 5/16"-18

5/16-18 C-Z whiz lock

4шт.

11

937690R91

AUGER ASSY., shelled corn, serial no. 1990 and below

1шт.

20340R1

COTTER PIN,1/4" x 1 1/2"

Pin, Split (Cotter), 1/4" x 1 1/2"

1шт.

591715R1

WASHER

1-1/32 x 1-1/2 x 16 ga. C-Z

16шт.

11

163578C91

AUGER ASSY., shelled corn, serial no. 1991 and above

1шт.

181696

1/2-20 x 1 C-Z hex-hd. cap

1шт.

120384

WASHER,1/2"

LOCK, 1/2"

1шт.

22770R1

WASHER

17/32 x 1-1/2 x 7 ga. C-Z

1шт.

12

671681R91

BEARING ASSY,25.43mm ID x 52.09mm OD x 16mm W

ASSY., shelled corn auger ball, 2 used serial no. 1990 and below, 1 used R.H. serial no. 1991 & above

1шт.

139009

PRESSURE PIPE

SCREW, 1/4-28 x 1/4 hex-soc-hd. cup-pt. set

2шт.

12

155264C91

BALL BEARING,25.43mm ID x 52.09mm OD x 16mm W

ASSY., shelled corn auger ball, L.H., serial no. 1991 and above

1шт.

13

571424R1

FLANGE

shelled corn auger ball brg.

4шт.

16897R1

CARRIAGE BOLT,Short Nk, 5/16" - 18 x 3/4", Gr 2, Full Thd

BOLT, 5/16 x 3/4 C-Z sq-nk. crg.

6шт.

938017R1

FLANGE NUT,Flg, USR, 5/16"-18

5/16-18 C-Z whiz lock

6шт.

14

586359R1

SPROCKET, ear corn auger drive, 8-T, serial no. 1990 and below

1шт.

14

161286C1

SPROCKET, ear corn auger drive, 6-T, serial no. 1991 and above

1шт.

15

587016R1

KEY, ear corn auger drive sprocket

1шт.

16

581329R1

SPACER, ear corn auger drive sprocket, serial no. 1990 and below

1шт.

16

585464R1

SPACER

ear corn auger drive sprocket inner, serial no. 1991 and above

1шт.

17

937696R2

HOLDER, shelled corn auger driven sprocket

1шт.

18

150532C1

KEY

shelled corn auger driven sprocket holder

1шт.

19

937697R2

SPROCKET, shelled corn auger driven, 42-T, serial no. 1990 and below

1шт.

231-1445

NUT,5/16"-18, GB

NUT, 5/16 C-Z nylon insert

6шт.

180112

BOLT,Hex, 5/16" - 18 x 2 3/4", Gr 5

SCREW, 5/16 x 2-3/4 znp. hex-hd.

6шт.

619855R1

WASHER

11/32 x 3/4 x 16 ga. C-Z

6шт.

19

156381C1

SPROCKET, shelled corn auger drv., 22-T, serial no. 1991 and above

1шт.

231-1445

NUT,5/16"-18, GB

NUT, 5/16 C-Z nylon insert

6шт.

413-548

BOLT,Hex, 5/16" - 18 x 3", Gr 5

SCREW, 5/16 x 3 C-Z hex-hd. cap

6шт.

619855

WASHER, 11/32 x 3/4 x 16 ga. C-Z

6шт.

20

U13033

SPRING

slip clutch

6шт.

21

U1288

RATCHET

shelled corn auger slip clutch

2шт.

22

15226C1

SPACER, ear corn auger sprocket outer, serial no. 1991 and above

1шт.

23

CHAIN, shelled corn auger, use 43 links from 10-ft. roll marked 569089R91 and one connecting link 587372R91

1шт.

24

937699R1

PANEL, shelled corn auger, serial no. 1990 and below

1шт.

18673R1

CARRIAGE BOLT,Short Sq Nk, 5/16" - 18 x 1/2", Gr 2

BOLT, 5/16 x 1/2 C-Z sq-nk. crg.

2шт.

16897R1

CARRIAGE BOLT,Short Nk, 5/16" - 18 x 3/4", Gr 2, Full Thd

BOLT, 5/16 x 3/4 C-Z sq-nk. crg.

3шт.

938017R1

FLANGE NUT,Flg, USR, 5/16"-18

5/16 C-Z whiz lock

5шт.

25

937700R91

BRACKET ASSY., shelled corn auger brg., serial no. 1990 and below

1шт.

12872R1

BOLT,Short NK, 5/16"-18 x 1", G2, Full Thd

CARRIAGE, Short NK, 5/16"-18 x 1", G2, Full Thd

5шт.

938017R1

FLANGE NUT,Flg, USR, 5/16"-18

5/16 C-Z whiz lock

5шт.

25

159257C91

BRACKET ASSY., shelled corn auger brg., serial no. 1991 and above

1шт.

16897R1

CARRIAGE BOLT,Short Nk, 5/16" - 18 x 3/4", Gr 2, Full Thd

BOLT, 5/16 x 3/4 C-Z sq-nk. crg.

4шт.

938017R1

FLANGE NUT,Flg, USR, 5/16"-18

5/16 C-Z whiz lock

4шт.

26

565442R91

SPROCKET

ASSY., dr. chain tightener, 17-T, serial no. 1990 and below

1шт.

26

564989R91

DRIVE SPROCKET

SPROCKET ASSY., dr. chain tightener, 9-T, serial no. 1991 and above

1шт.

20314R1

BOLT,Short NK, 1/2"-13 x 2 1/2", G2

1/2 x 2-1/2 C-Z sq-nk. crg.

1шт.

120378

NUT,Hex, 1/2" - 13, Gr 5

NUT, 1/2"-13, G5

1шт.

120384

WASHER,1/2"

LOCK, 1/2"

1шт.

178374R1

WASHER

17/32 x 1-1/4 x 16 ga.

3шт.

607896R1

SQ HOLE WASHER,17/32" x 1 1/4" x .120", Sq Hole

17/32 sq. x 1-1/4 x 11 ga.

1шт.

27

161005C1

RETAINER, slip clutch pressure

1шт.

28

SPROCKET ASSY., shelled corn auger, 15-T, refer to shelled ear conveyor and rotor for listing

1шт.

29

937158R1

RING, SNAP

RING, auger drive sprocket snap, serial no. 1991 and above

1шт.

30

163550C1

PANEL, shelled corn auger, serial no. 1991 and above

1шт.

18673R1

CARRIAGE BOLT,Short Sq Nk, 5/16" - 18 x 1/2", Gr 2

BOLT, 5/16 x 1/2 C-Z sq-nk. crg.

2шт.

16897R1

CARRIAGE BOLT,Short Nk, 5/16" - 18 x 3/4", Gr 2, Full Thd

BOLT, 5/16 x 3/4 C-Z sq-nk. crg.

2шт.

938017R1

FLANGE NUT,Flg, USR, 5/16"-18

5/16 C-Z whiz lock

4шт.

31

654283R1

THRUST WASHER

auger drive shaft

6шт.

Выбрано товаров: 85